E40HB6-2500-6-L-24-C

发布时间:2025-05-08

湖北开航是一家老厂家,主营各种编码器,我司所生产的编码器技术含量高,质量好,测量精度高,轻巧耐用,是广大用户的上上之选,我司专为广大用户提供服务,欢迎来电采购!

E40HB6-2500-6-L-24-C

E40HB6-2500-6-L-24-C旋转编码器
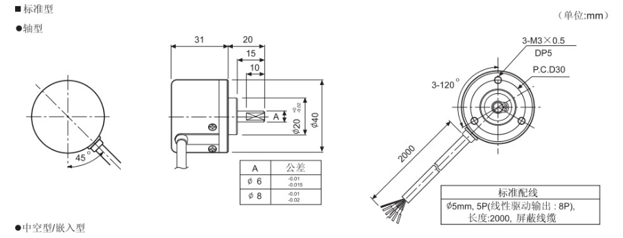
轴内径 : Ø6mm
蕞大响应频率 : 300kHz
蕞大允许转速 : 5000rpm
启动力矩 : Max.50gf.cm(Max.0.0049N.m)
分辨率 : 2500P/R
控制输出 : 线性驱动
电源电压 : 12-24VDC ±5%(纹波 P-P: Max.5%)
连接线缆类型 : 径向配线引出接插型
防护等级 : IP50
E40HB6-2500-6-L-24-C

E40HB6-2500-6-L-24-C旋转编码器的数据表:

轴内径

Ø6mm

蕞大响应频率

300kHz

蕞大允许转速

5000rpm

启动力矩

Max.50gf.cm(Max.0.0049N.m)

分辨率

2500P/R

输出相

A, `A, B, `B, Z, `Z

控制输出

线性驱动

电源电压

12-24VDC ±5%(纹波 P-P: Max.5%)

连接线缆类型

径向配线引出接插型

防护等级

IP50

环境温度

-10~70, 存储时: -25~85

环境湿度

35~85%RH, 存储时: 35~90%RH

附件

支架

重量

120g

※选择分辨率时, 请确保蕞大应答转速低于或等于~蕞大允许转速
[蕞大应答转速 (rpm)=蕞大应答频率/分辨率 × 60sec]
※重量包含外包装,括号内为产品净重。
※环境特性为未结冰、结露状态。
E40HB6-2500-6-L-24-C旋转编码器的尺寸图:

E40HB6-2500-6-L-24-CE40HB6-2500-6-L-24-C旋转编码器控制输出接线图:

E40HB6-2500-6-L-24-C

E40HB6-2500-6-L-24-C旋转编码器的相关型号:

E40HB6-2000-6-L-24-C、E40HB6-2048-6-L-24-C、E40HB6-2500-6-L-24-C、E40HB6-3000-6-L-24-C、E40HB6-3600-6-L-24-C、E40HB6-5000-6-L-24-C、E40HB8-1-4-L-24、E40HB8-10-6-L-24、E40HB8-20-6-L-24、E40HB8-30-6-L-24、E40HB8-50-6-L-24
E40HB8-60-6-L-24、E40HB8-100-6-L-24、E40HB8-150-6-L-24、E40HB8-200-6-L-24、E40HB8-250-6-L-24、E40HB8-300-6-L-24、E40HB8-360-6-L-24、E40HB8-400-6-L-24、E40HB8-500-6-L-24、E40HB8-512-6-L-24、E40HB8-600-6-L-24、E40HB8-1000-6-L-24
E40HB8-1024-6-L-24、E40HB8-1200-6-L-24、E40HB8-1500-6-L-24、E40HB8-1800-6-L-24、E40HB8-2000-6-L-24、E40HB8-2048-6-L-24、E40HB8-2500-6-L-24、E40HB8-3000-6-L-24、E40HB8-3600-6-L-24、E40HB8-5000-6-L-24、E40HB8-1-4-L-24-C
E40HB8-10-6-L-24-C、E40HB8-20-6-L-24-C、E40HB8-30-6-L-24-C、E40HB8-50-6-L-24-C、E40HB8-60-6-L-24-C、E40HB8-100-6-L-24-C、E40HB8-150-6-L-24-C、E40HB8-200-6-L-24-C、E40HB8-250-6-L-24-C、E40HB8-300-6-L-24-C、E40HB8-360-6-L-24-C
E40HB8-400-6-L-24-C、E40HB8-500-6-L-24-C、E40HB8-512-6-L-24-C、E40HB8-600-6-L-24-C、E40HB8-1000-6-L-24-C、E40HB8-1024-6-L-24-C、E40HB8-1200-6-L-24-C、E40HB8-1500-6-L-24-C、E40HB8-1800-6-L-24-C、E40HB8-2000-6-L-24-C
E40HB8-2048-6-L-24-C、E40HB8-2500-6-L-24-C、E40HB8-3000-6-L-24-C、E40HB8-3600-6-L-24-C、E40HB8-5000-6-L-24-C、E40HB10-1-4-L-24、E40HB10-10-6-L-24、E40HB10-20-6-L-24、E40HB10-30-6-L-24、E40HB10-50-6-L-24、E40HB10-60-6-L-24、E40HB10-100-6-L-24
E40HB10-150-6-L-24、E40HB10-200-6-L-24、E40HB10-250-6-L-24、E40HB10-300-6-L-24、E40HB10-360-6-L-24、E40HB10-400-6-L-24、E40HB10-500-6-L-24、E40HB10-512-6-L-24

上一篇:欢迎秦皇岛市玻璃纤维集团)股...
下一篇:欢迎:云浮紫铜止水厂家——(//...