二氧化硫计量表价格

发布时间:2019-08-06

二氧化硫计量表产品概述

涡街流量计测量精度高,性能稳定适合买卖单位计量使用,使用安装非常方便这款流量计是根据卡门涡街理论,利用了流体的自然振动原理,采用*的差动技术,配合隔离、屏蔽、滤波等措施,克服了同类产品抗震性差、小信号数据紊乱等问题,并采用了的传感器封装技术和防护措施,保证了产品的可靠性。涡街流量计有基本型和复合型两种型式,基本型测量单*量信号;复合型可同时实现温度、压力、流量的测量。每种型式都有整体、分体结构,以适应不同的安装环境。

二氧化硫计量表价格

二氧化硫计量表的工作原理

涡街流量计是由设计在流场中的旋涡发生体、检测探头及相应的电子线路等组成。当流体流经旋涡发生体时,它的两侧就形成了交替变化的两排旋涡,这种旋涡被称为卡门涡街。

二氧化硫计量表价格

斯特罗哈尔在卡门涡街理论的基础上又提出了卡门涡街的频率与流体的流速成正比,并给出了频率与流速的关系式:

f = St × V/d

式中:f 涡街发生频率 (Hz)

V旋涡发生体两侧的平均流速(m/s )

St 斯特罗哈尔系数(常数)

d-旋涡发生体的宽度 (m)

由此可见,通过测量卡曼涡街分离频率便可算出瞬时流量。其中,斯特罗哈尔数(St)是无因次未知数,

图(二)表示斯特劳哈尔数(St)与雷诺数(Re)的关系。

二氧化硫计量表价格

这些交替变化的旋涡就形成了一系列交替变化的负压力,该压力作用在检测探头上,便产生一系列交变电信号,经过前置放大器转换、整形、放大处理后,输出与旋涡同步成正比的脉冲频率信号或标准信号。

在流体管道中,垂直插入—个柱形阻挡物,在其后部(相对于流体流向)两侧就会交替地产生旋涡。随着流体向下游流动形成旋涡列,我们称之为卡门涡街。我们把产生旋涡的柱形阻挡物定义为旋涡发生体在一定条件下旋涡的分离频率与流体的流速成线性关系。因而,只要检测出旋涡分离的频率,即可计算出管道内流体的流速或流量。


二氧化硫计量表产品优势

1、表体中同时集成温压补偿补偿功能,可测量流体的标准体积流量或标准质量流量。

2、全智能化、数字化电路设计,可自动补偿被测流体密度或标况体积计算。

3、全新的数字滤波和修正功能使流量测量更加*可靠。

4、电池供电型无需外接电源既可连续工作两年以上。

5、全新点阵汉字液晶显示,使用操作更方便。

二氧化硫计量表价格


二氧化硫计量表参数

1、温度范围:压电式 -40 ~ 350℃ 电容式 -60 ~ 450

2、压力规格:PN1.6Mpa; PN2.5Mpa; PN4.0Mpa ,更高压力规格可特殊定做

3、范 围 度:正常范围110 扩展后范围115

4、压力损失系数:Cd2.6

5、系统测量精度:液体、气体 示值的±1%,蒸汽 示值的±1.5%,插入式流量计 示值的±2.5%

6、供电电压:传感器 +12VDC +24VDC 变送器 +24VDC 现场显示型 仪表自带3.6V锂电池

7、输出信号:传感器 脉冲频率信号0.1 ~ 3000Hz 低电平≤1V 高电平≥6V 变送器 两线制4 ~ 20mA.DC电流信号

8、允许振动加速度:压电式 ≤0.2g 电容式 ≤1.0g

9、环境温度:传感器 -30 ~ 65℃,变送器、现场显示 -10 ~ 50

10、环境湿度:相对湿度5 ~ 85%

11、信号远传距离:≤500m

12、信号线接口:内螺纹M20×1.5

13、直管段长度:上游≥10D 下游≥5D

14、防爆等级:( ia )CT2 - T5本安防爆

15、防护等级:普通型 IP65 潜水型IP68

16、仪表材质:仪表外壳采用铝合金,表体部分采用不锈钢304材质,也可根据用户要求采用特殊


二氧化硫计量表安装尺寸

二氧化硫计量表价格


二氧化硫计量表的配线设计

. 输出频率信号的三线制涡街流量计配线设计

输出频率信号的三线制流量传感器采用DC24VDC12V电源供电,一般通过三芯屏蔽电缆线(RWP3×0.5mm)与显示仪表或计算机相连,屏蔽层应可靠地接到放大器壳的接地螺丝上。屏蔽电缆线的选择应适合现场环境要求,另外屏蔽电缆线要与其它强功率电力线分离,不能平行走线。传感器端子接线见图

二氧化硫计量表价格

.输出标准4~20mA电流信号的两线制涡街流量计配线设计

输出标准4~20mA电流信号的两线制变送器采用DC24V电源供电,一般通过两芯屏蔽电缆线(RWP3×0.5mm)与显示仪表或计算机相连,屏蔽层应可靠地接到放大器壳的接地螺丝上。屏蔽电缆线的选择应适合现场环境要求,另外屏蔽电缆线要与其它强功率电力线分离,不能平行走线。变送器端子接线见图

二氧化硫计量表价格

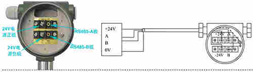
三.带RS-485通讯接口功能的涡街流量计配线设计

RS-485通讯功能的涡街流量计采用DC24V电源供电,与其它设备之间采用四线制传输方式。仪表端子接线见图

二氧化硫计量表价格


二氧化硫计量表的安装设计

仪表的正确安装是保障仪表正常运行的重要环节,若安装不当,轻则影响仪表的使用精度,重则会影响仪表的使用寿命,甚至会损坏仪表。

安装环境要求:

尽可能避开强电设备、高频设备、强开关电源设备。仪表的供电电源尽可能与这些设备分离。

避开高温热源和辐射源的直接影响。若必须安装,须有隔热通风措施。

避开高湿环境和强腐蚀气体环境。若必须安装,须有通风措施。

涡街流量仪表应尽量避免安装在振动较强的管道上。若必须安装,须在其上下游2D处加设管道紧固装置,并加防振垫,加强抗振效果。

仪表安装在室内,安装在室外应注意防水,特别注意在电气接口处应将电缆线弯成U形,避免水顺着电缆线进入放大器壳内。

仪表安装点周围应该留有较充裕的空间,以便安装接线和定期维护。

仪表管道安装要求:

涡街流量仪表对安装点的上下游直管段有一定要求,否则会影响介质在管道中的流场,影响仪表的测量精度。仪表的上下游直管段长度要求见图()  DN为仪表公称口径  单位:mm

二氧化硫计量表价格

:调节阀尽可能不安装在涡街流量仪表的上游,而应安装在涡街流量仪表的下游10D处。

上、下游配管内径应相同。如有差异,则配管内径Dp与涡街仪表表体内径Db,应满足以下关系

0.98DbDp1.05Db

上、下游配管应与流量仪表表体内径同心,它们之间的不同轴度应小于0.05Db

仪表与法兰之间的密封垫,在安装时不能凸入管内,其内径应比表体内径大1-2mm

测压孔和测温孔的安装设计。被测管道需要安装温度和压力变送器时,测压孔应设置在下游3-5D处,测温孔应设置在下游6-8D处,见图(七)。D为仪表公称口径,单位:mm

仪表在在管道上可以水平、垂直或倾斜安装。

测量气体时,在垂直管道安装仪表,气体流向不限。但若管道内含少量液体,为了防止液体进入仪表测量管,气流应自下而上流动,如图(四)a所示

测量液体时,为了保证管内充满液体,所以在垂直或倾斜管道安装仪表时,应该保证液体流动方向从下而上。若管道内含少量气体,为了防止气体进入仪表测量管,仪表应安装在管线的较低处

如图(四)b所示

二氧化硫计量表价格

测量高温、低温介质时,应注意保温措施。转换器内部(表头壳体内)高温一般不应过70℃;低温易使转换器内部出现凝露,降低印制电路板的绝缘阻抗,影响仪表正常工作。

二氧化硫计量表价格

上一篇:LE-D-S3
下一篇:西门子智面板6AV2124-1M...