湖北开航为广大用户提供进口品质旋转编码器,我们是制造销售实力厂家,厂家货源,大量现货,直销批发,价格便宜,售后有保障,欢迎广大用户来电订购!
TRD-S800A旋转编码器的特点:
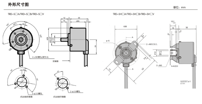
小体积,外径38mm,厚度为30mm
结构紧凑,分辨率可达2500脉冲/转
低廉的价格可降低系统的成本

TRD-S800A旋转编码器的性能规格:
TRD-S系列是一款薄型宽电压增量型实心轴旋转编码器
TRD-SH系列是一款薄型宽电压增量型空心轴旋转编码器
项目:TRD-S(实心轴) / TRD-SH(空心轴)
外观:φ38×30mm
实心轴轴径:φ6mm
空心轴轴径:φ8mm
分辨率:10~2500脉冲/转
输出信号形式:A·B两相+Z相
相应频率:200kHz
容许转速:6000rpm
电源电压:TRD-S/SH□A: DC(5~12V) ±10% 、TRD-S/SH□B: DC(12~24V) ±10% 、TRD-S/SH□V: DC 5V ±5%
输出形式:集电极开路输出 、线驱动输出
荷重:径向:20N
轴向:10N
起动扭矩:≤0.001N·m
防护等级:简易防尘型:IP40
使用环境温度:-10 ~ +70℃
TRD-S800A旋转编码器的常见故障:
1、编码器本身故障:是指編码器本身元器件出现故障,导致其不能产生和输出正确的波形。这种情况下需更换绵码器或维修其内部器件。
2、编码器连接电缆故障:这种故障出现的几率*,维修中经常遇到,应是优先考虑的因素。通常为编码电缆断路、短路或接触不良,这时需更换电缆或接头。还应特別注意是否是由于电缆固定不紧,造成松动引起开焊或断路,这时需卡紧电缆
3、编码码+5V电源下降:是指+5V电源过低,通常不能低于4.75V,造成过低的原因是供电电源故障或电源传送电缆阻值偏大而引起损耗,这时需检修电源或更换电缆。
4、蕝对式编码器电池电压下降:这种故障通常有含义明确的报警,这时需更换电池,如果参考点位置记忆丢失,还须执行重回参考点操作。
5、编码器电缆屏蔽线未接或脱落:这会引入干扰信号,使波形不稳定,影响通信的准确性,必须保证屏蔽可靠的焊接及接地
6、编码器安装松动:这种故障会影响位置控制精度,造成停止和移动中位置偏差量差,甚至刚一开机即产生伺服系统过载报警,请特别注意。
7、光栅污染:这会使信号输出幅度下降,必须用脱脂棉无水酒精轻轻擦除油污。
TRD-S800A旋转编码器的尺寸图:
TRD-S实心轴编码器
TRD-S10A、TRD-S10B、TRD-S10V、TRD-S20A、TRD-S20B、TRD-S20V、TRD-S30A、TRD-S30B、TRD-S30V、TRD-S40A、TRD-S40B、TRD-S40V
TRD-S50A、TRD-S50B、TRD-S50V、TRD-S60A、TRD-S60B、TRD-S60V、TRD-S100A、TRD-S100B、TRD-S100V、TRD-S200A、TRD-S200B、TRD-S200V
TRD-S250A、TRD-S250B、TRD-S250V、TRD-S300A、TRD-S300B、TRD-S300V、TRD-S360A、TRD-S360B、TRD-S360V、TRD-S400A、TRD-S400B、TRD-S400V
TRD-S500A、TRD-S500B、TRD-S500V、TRD-S600A、TRD-S600B、TRD-S600V、TRD-S800A、TRD-S800B、TRD-S800V、TRD-S1000A、TRD-S1000B、TRD-S1000V
TRD-S1024A、TRD-S1024B、TRD-S1024V、TRD-S1200A、TRD-S1200B、TRD-S1200V、TRD-S2000A、TRD-S2000B、TRD-S2000V、TRD-S2500A、TRD-S2500B、TRD-S2500V
TRD-SH空心轴编码器
TRD-SH10A、TRD-SH10B、TRD-SH10V、TRD-SH20A、TRD-SH20B、TRD-SH20V、TRD-SH30A、TRD-SH30B、TRD-SH30V、TRD-SH40A、TRD-SH40B、TRD-SH40V
TRD-SH50A、TRD-SH50B、TRD-SH50V、TRD-SH60A、TRD-SH60B、TRD-SH60V、TRD-SH100A、TRD-SH100B、TRD-SH100V、TRD-SH200A、TRD-SH200B、TRD-SH200V
TRD-SH250A、TRD-SH250B、TRD-SH250V、TRD-SH300A、TRD-SH300B、TRD-SH300V、TRD-SH360A、TRD-SH360B、TRD-SH360V、TRD-SH400A、TRD-SH400B、TRD-SH400V
TRD-SH500A、TRD-SH500B、TRD-SH500V、TRD-SH600A、TRD-SH600B、TRD-SH600V、TRD-SH800A、TRD-SH800B、TRD-SH800V、TRD-SH1000A、TRD-SH1000B、TRD-SH1000V
TRD-SH1024A、TRD-SH1024B、TRD-SH1024V、TRD-SH1200A、TRD-SH1200B、TRD-SH1200V、TRD-SH2000A、TRD-SH2000B、TRD-SH2000V、TRD-SH2500A、TRD-SH2500B、TRD-SH2500V