TRD-SH300V旋转编码器高精度、高可靠性、跟踪速度快、耐高低温、防水、防尘及腐蚀性气体、抗振动、抗强电磁干扰。
TRD-SH300V旋转编码器的工作原理:
由一个中心有轴的光电码盘,其上有环形通、暗的刻线,有光电发射和接收器件读取,获得四组正弦波信号组合成A、B、C、D,每个正弦波相差90度相位差(相对于一个周波为360度),将C、D信号反向,叠加在A、B两相上,可增强稳定信号;另每转输出一个Z相脉冲以代表零位参考位。由于A、B两相相差90度,可通过比较A相在前还是B相在前,以判别编码器的正转与反转,通过零位脉冲,可获得编码器的零位参考位。
编码器码盘的材料有玻璃、金属、塑料,玻璃码盘是在玻璃上沉积很薄的刻线,其热稳定性好,精度高,金属码盘直接以通和不通刻线,不易碎,但由于金属有一定的厚度,精度就有限制,其热稳定性就要比玻璃的差一个数量级,塑料码盘是经济型的,其成本低,但精度、热稳定性、寿命均要差一些。
分辨率—编码器以每旋转360度提供的通或暗刻线称为分辨率,也称解析分度、或直接称线,一般在每转分度5~10000线 。
TRD-SH300V旋转编码器选型注意事项:
1.机械安装尺小,包括定位止日,轴径,安装孔位:电缆出线方式;安装空间体积;工作环境防护等級是否满足要求。
2.分辨率,即编码器工作时每圈输出的脉冲数,是否满足设计使用精度要求。
3.电气接目,编码器输出方式常见有推拉輸出(F型HIL格式),电压输出(E),集电极开路(C,常见C为NPN型管输出,C2为PNP型管输出),长线驱动器输出。其输出方式应和其控制系统的接口电路相匹配。

TRD-SH300V旋转编码器使用方法:
1,増量型旋转编码器有分辦率的差异,使用每圈产生的脉冲数来计量,数目从6到5400或更高,脉冲数越多,分辦率越高:这是选型的重要依据。
2,増量型编码器通常有三路信号输出(差分有六路信号):AB和Z,一般采用TTL电平,A脉冲在前,B脉冲在后,AB脉冲相差90度,每圈发出一个Z脉冲,可作为参考机械零位。一般利用A前B或B前A进行判向
3,使用PLC采集数据,可选用高速计数模块:使用工控机采集数据,可选用高速计数板卡使用单片机采集数据,建议选用带光电耦合器的输入端。
4,建议B脉冲做顺向(前向)脉冲,A脉冲做逆向(后向)脉冲,Z原点零位脉冲。
5,在电子装置中设立计数机。
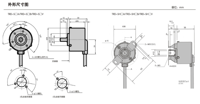
TRD-SH300V旋转编码器的外形尺寸图:
TRD-S实心轴编码器
TRD-S10A、TRD-S10B、TRD-S10V、TRD-S20A、TRD-S20B、TRD-S20V、TRD-S30A、TRD-S30B、TRD-S30V、TRD-S40A、TRD-S40B、TRD-S40V
TRD-S50A、TRD-S50B、TRD-S50V、TRD-S60A、TRD-S60B、TRD-S60V、TRD-S100A、TRD-S100B、TRD-S100V、TRD-S200A、TRD-S200B、TRD-S200V
TRD-S250A、TRD-S250B、TRD-S250V、TRD-S300A、TRD-S300B、TRD-S300V、TRD-S360A、TRD-S360B、TRD-S360V、TRD-S400A、TRD-S400B、TRD-S400V
TRD-S500A、TRD-S500B、TRD-S500V、TRD-S600A、TRD-S600B、TRD-S600V、TRD-S800A、TRD-S800B、TRD-S800V、TRD-S1000A、TRD-S1000B、TRD-S1000V
TRD-S1024A、TRD-S1024B、TRD-S1024V、TRD-S1200A、TRD-S1200B、TRD-S1200V、TRD-S2000A、TRD-S2000B、TRD-S2000V、TRD-S2500A、TRD-S2500B、TRD-S2500V
TRD-SH空心轴编码器
TRD-SH10A、TRD-SH10B、TRD-SH10V、TRD-SH20A、TRD-SH20B、TRD-SH20V、TRD-SH30A、TRD-SH30B、TRD-SH30V、TRD-SH40A、TRD-SH40B、TRD-SH40V
TRD-SH50A、TRD-SH50B、TRD-SH50V、TRD-SH60A、TRD-SH60B、TRD-SH60V、TRD-SH100A、TRD-SH100B、TRD-SH100V、TRD-SH200A、TRD-SH200B、TRD-SH200V
TRD-SH250A、TRD-SH250B、TRD-SH250V、TRD-SH300A、TRD-SH300B、TRD-SH300V、TRD-SH360A、TRD-SH360B、TRD-SH360V、TRD-SH400A、TRD-SH400B、TRD-SH400V
TRD-SH500A、TRD-SH500B、TRD-SH500V、TRD-SH600A、TRD-SH600B、TRD-SH600V、TRD-SH800A、TRD-SH800B、TRD-SH800V、TRD-SH1000A、TRD-SH1000B、TRD-SH1000V
TRD-SH1024A、TRD-SH1024B、TRD-SH1024V、TRD-SH1200A、TRD-SH1200B、TRD-SH1200V、TRD-SH2000A、TRD-SH2000B、TRD-SH2000V、TRD-SH2500A、TRD-SH2500B、TRD-SH2500V