dn150管道蒸汽流量计概述
根据涡街流量计的结构特点,分类为一体式涡街流量计和分体式涡街流量计两种。法兰卡装涡街流量计。
一体式涡街流量计是集流量传感器、温度传感器、压力传感器和显示仪于一体的涡街流量计,具有智能温度、压力补偿功能,自带3.6V高能电池或24VDC(通常在需要脉冲信号输出、二线制4~20mADC输出或RS485通讯时采用)供电,就地液晶显示介质温度(℃)、工作压力(MPa)、瞬时标况体积流量(m3/h)和累计标况体积流量(m3)。
分体式涡街流量计由流量传感器、温度传感器、压力传感器和智能流量显示积算仪四部分组成,具有智能温度、压力补偿功能,由智能流量显示积算仪远程显示介质温度(℃)、工作压力(MPa)、瞬时标况体积流量(m3/h)和累计标况体积流量(m3)。
当只要求测量工况体积流量时(我们将其定义为简配型,通常适用于介质温度和工作压力基本恒定的场合),无论是一体式还是分体式,均不具有智能温度、压力补偿功能,也无温度传感器和压力传感器的配置,此时只显示瞬时工况体积流量(m3/h)和累计工况体积流量(m3)。
dn150管道蒸汽流量计的产品特点
1、安装简便,维护十分方便;
2、结构简单牢固,无可动部件,长期运行十分可靠;
3、量程范围宽,量程比可达1:15;
4、压力损失小,运行费用低,更具节能意义;
5、应用范围广,液体、气体、蒸汽均可测量;
6、周期长,一般为两年;
7、在一定雷诺数范围内,输出信号不受被测介质物理性质和组分变化的影响,仪表系数仅与旋涡发生体的形状和尺寸有关,调换配件后一般无须重新仪表系数;
8、可现场显示,也可远距离传输,还可与计算机控制系统联网;
9、检测探头不直接接触被测介质,性能更稳定。
10、压力损失小,量程范围大,精度高,在测量工况体积流量时几乎不受流体密度、压力、温度、粘度等参数的影响;
11、无可动机械零件,因此可靠性高,维护量小;
12、采用压电应力式传感器,仪表参数能长期稳定,可在-20℃~+250℃的工作温度范围内工作;
13、有模拟标准信号,也有数字脉冲信号输出,容易与计算机等数字系统配套使用,是一种比较*、理想的流量仪表。
dn150管道蒸汽流量计参数
1、产品名称:涡街流量计
2、适用介质:空气,氧气,氮气,氢气,压缩气体的流量计量
3、管径(DN) :DN15~DN300mm至更大
4、公称压力:0.6~4MPa (指连接法兰公称压力,非介质的工作压力)
5、工况温度:-20~+80℃(需更高温度请与工厂联系)
6、测量精度:±1.5%FS
7、量程范围:1:3(±0.2%) ,1:10(±0.5%), 1:15(±1.5%)
8、壳体材质:碳钢;不锈钢;
9、供电方式:内置3.6VDC锂电池(可用两年);外供24VDC;
10、输出信号:4~20mA二线制;脉冲0~1000HZ;RS485
11、防护等级:IP65;IP67
12、防爆标志:本安型ExiallCT4;隔爆型ExdllCT4
13、表头显示:累积流量;瞬时流量;满量程百分比;工况压力;工况温度;故障自检
14、连接方式:管道法兰式(DN15-300mm);插入式(DN100- N6000mm至更大)。
15、安装要求:可水平、垂直安装;前后直管道应满足前10D后5D(D公称通径)
16、特殊连接:螺纹式;对夹式;
dn150管道蒸汽流量计分类



dn150管道蒸汽流量计的配线设计
一. 输出频率信号的三线制配线设计
输出频率信号的三线制流量传感器采用DC24V或DC12V电源供电,一般通过三芯屏蔽电缆线(RWP3×0.5mm)与显示仪表或计算机相连,屏蔽层应可靠地接到放大器壳的接地螺丝上。屏蔽电缆线的选择应适合现场环境要求,另外屏蔽电缆线要与其它强功率电力线分离,不能平行走线。传感器端子接线见图
二.输出标准4~20mA电流信号的两线制配线设计
输出标准4~20mA电流信号的两线制变送器采用DC24V电源供电,一般通过两芯屏蔽电缆线(RWP3×0.5mm)与显示仪表或计算机相连,屏蔽层应可靠地接到放大器壳的接地螺丝上。屏蔽电缆线的选择应适合现场环境要求,另外屏蔽电缆线要与其它强功率电力线分离,不能平行走线。变送器端子接线见图
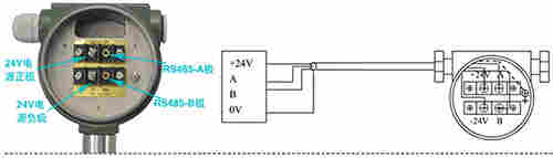
三.带RS-485通讯接口功能的配线设计
带RS-485通讯功能的涡街流量计采用DC24V电源供电,与其它设备之间采用四线制传输方式。仪表端子接线见图
dn150管道蒸汽流量计产品型谱
|
型 谱 |
说 明 |
||||
|
KMLUGB |
|
涡街流量仪表 |
|||
|
检测 |
B |
压电式传感器 |
|||
|
方式 |
E |
电容式传感器 |
|||
|
通径 |
|
DN |
15~1000 |
单位:mm |
|
|
连接方式 |
|
1 |
仅对满管型 |
法兰连接型 |
|
|
2 |
仅对满管型 |
法兰卡装型 |
|||
|
3 |
仅对插入型 |
简易插入型 |
|||
|
4 |
仅对插入型 |
球阀插入型 |
|||
|
测量介质 |
|
2 |
液体 |
||
|
3 |
气体 |
||||
|
4 |
蒸汽 |
||||
|
使用环境 |
|
P |
普通型 |
||
|
B |
防爆型 |
||||
|
输出信号 |
|
1 |
脉冲输出 |
||
|
2 |
24V,4~20mA电流输出 |
||||
|
3 |
RS-485通讯 |
||||
|
4 |
电池供电,不带补偿 |
||||
|
5 |
温压补偿一体, |
||||
|
6 |
温压补偿一体,电池供电型 |
||||
|
选型 |
例如: HPLUGB-DN5024P6 满管型压电式涡街流量仪表,通径DN50,法兰卡装 |
||||
|
说明 |
型连接,介质为蒸汽,温压补偿一体,24V,4~20mA电流信号输出,液晶显示 |
||||
dn150管道蒸汽流量计安装条件
1、工作条件
传感器可在2下正常连续工作
2、环境条件
2.1环境温度:-40~+55℃ (非防爆场所)
2.2环境湿度:≤85%(相对湿度)
2.3大气压力:86~106Kpa
3、安装指南:
a)传感器安装在管道上的位置一定要选振动小的地方,振动加速度不能大于0.2g,如大于需要采取减震措施。
b)传感器的上游侧和下游侧必须有足够的直管段见示意图。
c)对于卡装连接仪表,法兰焊后必须保证法兰的端面与管道垂直,内表面光滑,见图。
d)传感器可水平、垂直或倾斜安装在直管上,当垂直安装测液体时,液体必须由下而上流动。
e)当在涡街流量传感器同压力传感器和温度传感器组成测量系统时,其压力、温度测量点的位置如图。
f)涡街流量传感器安装步骤可参考方法A或方法B(以法兰卡装型为例):
方法A:
Ⅰ选定安装位置,并取前15DN,后5DN直管段割下。
Ⅱ在选表位置焊上两片法兰,并将传感器装好。
Ⅲ去掉原管多出的直管(即表体宽度)。
Ⅳ将传感器的前后直管段焊到原工艺管道上。
方法B:
Ⅰ考虑前15DN,后5DN选定装表位置。
Ⅱ取下表体宽度的一段管,焊上两片法兰连接孔同心,将传感器螺栓紧固好。