EATON自动式端平阀样本,ST307-350-B

产品工作原理
管式自动端平阀设计成用于开中位、闭
中位和负载传感系统并且可以与并联或
串联回路阀合用。
当接入使用并联回路阀的开中位、闭中
位或负载传感系统时,该系统能自动端
平或动臂与铲斗单独操作。
当自动端平阀装入使用串联回路阀的系
统时,为了自动端平正确工作动臂阀芯
必须在铲斗阀芯的上游。如果动臂阀芯
在铲斗阀芯的下游则将发生以下情况:
- 当提升和端平动臂并倾倒或旋转铲斗
时,两个功能将止动。
- 当放低动臂时,铲斗将正常工作。
- 当单独操作时,动臂和铲斗两者将正
常工作。
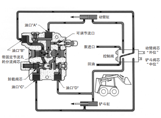
自动端平
当铲斗阀芯处于“中位”而动臂阀芯拉
到“外位”时,流量从控制阀进入动臂
缸无杆口。随着动臂缸外伸,来自有杆
口的流量被引到自动端平阀上的"A"口。
进入"A"口的流量还能通过分流阀阀芯中
的可调节流口和固定节流孔。分流比例
取决于可调节流口的大小。其余流量通
过固定节流孔,出"B"口回到控制阀并返
回油箱。通过可调节流口的流量流出"D"
口并经三通流到铲斗缸无杆口。对铲斗
缸的运动阻力产生的压力高得足以打开
自动端平阀中的卸载阀芯。随着铲斗缸
外伸,来自铲斗缸有杆口的流量进入"C"
口通过打开的卸载阀芯,绕过分流阀阀
芯并出"B"口回到控制阀并返回油箱。在
自动端平循环期间卸载阀芯的功用是防
止铲斗缸倾倒。


EATON自动式端平阀样本,ST307-350-B