









2100系列(前面板尺寸110mm*110mm)
2102A: 2102A30(精度:1.5%),2102A31(精度:2.5%) 交流电压表,交流电流表
2105A:2105A31,2105A32,2105A35,2105A34,2105A36功率表,瓦特表 精度:1.5%
2106A: 2106A31,2106A33,2106A35,2106A34,2106A36功率表,瓦特表 精度:1.5%
2107A: 2107A31,2107A33,2107A35,2107A36功率因数表 精度5.0%
2108A:2108A30频率表 精度: 0.5,1.0%
2109A:210931, 210933同步指示仪
2180系列(前面板尺寸80mm*80mm)
2181A:2181A00,2181A35, 2181A36 ,2181A37直流电压表,直流电流表精度:1.5%
2182A :2182A00(精度:1.5%), 2182A01(精度:2.5%)交流电压表,交流电流表
2185A : 2185A31,2185A32, 2185A35 2185A34,2185A36功率表,瓦特表 精度:1.5%
2186A:2186A31,2186A33,2186A35,2186A34,2186A36功率表,瓦特表 精度:1.5%
2187A: 2187A31,2187A33,2187A35,2187A36功率因数表 精度5.0%
2188A:2188A30频率表 精度: 0.5,1.0%
工作原理:
***磁石可動线圈形
整流形(平均值整流方式)
实效值应答形(实效值整流方式)
实效值应答形(时分割掛算方式)
实效值应答形(微分方式)
可動鉄片形
功能:
直流电流表,直流电压表
交流电流表,交流电压表
变比比,信号指示器
功率表:单项功率表,三相三线功率表,三相四线功率表
无功功率表:单相无功功率表,三相三线无功功率表,三相四线无功功率表
功率因数表:单项功率因数表,三相三线功率因数表,三相四线功率因数表
频率表
同步指示仪
技术规格
| 项目 | 规范 |
| 产品标准 | JIS C1102-1997,GB7676-1997 |
| 精度 | 多种:±0.5%, ±1.0%, ±1.5%, ±2.5%, ±5.0% |
| 支撑方式 | 张丝方式,但2109为轴尖方式 |
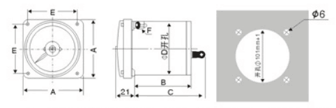
| 仪表正面尺寸 |
110mm*110mm (2101A,2102A,2105A,2106A,2107A,2108A,2109A)
80*80mm(2181A,2182A,2185A,2186A,2187A,2188A) |
| 指针摆动角度 | 250度 |
| 刻度长度 | 110mm:196mm 80mm:140mm |
| 仪表安装姿势 | 垂直 |
| 绝缘试验 | 电气电路和外壳间:DC500V,10MΩ以上 |
| 电流电路和电压电路之间:DC500V,5MΩ以上 | |
| 耐压试验 | 电流表标称电路电压:500V |
|
电气电路和外壳间:AC2600V 1分钟
但是2181A,2182A,2187A,2188A为AC2000V 1分钟 |
|
| 使用温度范围 | 0-40℃ |
| 使用湿度范围 | 30-75%RH |
| 保存温度范围 | -10至+50℃ |
| 保存湿度范围 | 25-80%RH |
| 表盖颜色 | 黑色(国际色谱N1.5)记号BL |
| 青绿色(国际色谱7.5BG4/1.5)记号BG | |
| 壳体材质 | 底座:ABS塑料品(阻燃等级) |
| 端子部:ABS塑料品(阻燃等级) | |
|
表盖:甲基丙烯塑料品,放静电处理 |