目前,现场上主要是通过测量低压注入脉冲或故障点放电脉冲在故障点与测量端之间的运动时间测量电缆故障距离,本章介绍电压、电流波在电缆线路里的传播过程,以便使读者更好地了解基于电压、电流波传播原理的电缆故障测距技术。
长线的基本概念与等效电路
电力电缆是传输线的一种。传输线本身的长度与它所传播的信号波长相比拟时,称为长线。对电缆中的脉冲电压、电流波而言,其脉冲宽度不足一个微秒。而波在一微秒时间内的传播距离仅二百米左右,所以有必要把电缆线路看成长线,来研究电压、电流波的传播过程。
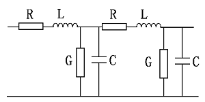
电缆线路(以下简称电缆)可看成由许许多多电阻R、电导G、电容C与电感L元件(等效元件)相联接组成的,这些元件称为电缆的分布参数。一小段电缆的等效电路如图2.1所示。

当信号电流流过每一段电路上的串联电阻R与电感L时,就会产生电压降,信号电流在每一段线路上还会通过电容C与电导G从中途返回。如果忽略线路的传播损耗,即令R=G=0,则线路称为无损耗线路,其单位长度上电容、电感值分别用C0与L0表示。除特殊说明外,本章中讨论的线路均指的是这种无损耗线路。
分布参数线路上任一点电压、电流值实际上是许多个向两个不同的方向传播的电压、电流波数值的代数和。这些电压、电流波以一定的速度运动,因此称为行波。我们把运动方向与规定方向一致的行波,叫正向行波,而把运动方向与规定方向相反的行波叫反向行波。假定有一电缆线路MN如图2.2所示,规定距离坐标X的方向从M端到N端,则线路上向着N端运动的波叫正向行波,而向着M端运动的波叫反向行波。

1. 波速度
行波从电缆一端传到另一端需要一定的时间,电缆长度与传播时间之比,称为波速度V。
经分析可知,电缆中行波的波速度可表示为:

其中:S=3×108米/秒,是光的传播速度;
μ为电缆芯线周围介质的相对导磁系数;
ε为电缆芯线周围介质的相对介电系数。
可见,电缆中波速度只与电缆的绝缘介质性质有关,而与导体芯线的材料与截面积无关。对于由不同导体材料制成的电缆,只要绝缘介质相同的,其波速度是不变的,这一点必须注意,因为不少人想当然地认为电缆的波速度受芯线的材料与截面积影响。
经测量可知,对于油浸纸绝缘电缆V≈160米/微秒;塑料电缆V≈170-200米/微秒,对于橡胶电缆V≈220米/微秒。
2. 波阻抗
电缆中的电压波在向前运动时,对分布电容不断充电产生伴随的向前运动的电流波,一对电压、电流波之间的关系,用波阻抗(也称特性阻抗)Z0来描述。
经分析可知,电缆的波阻抗可表示为

L0、C0除与电缆所用介质材料、介电系数与导磁系数有关外,还与电缆芯线的截面积和芯线与外皮之间的距离有关。所以,不同规格和种类的电缆,其波阻抗也不同。电缆芯线截面积越大,波阻抗值越小。一般电力电缆的波阻抗值在10-40欧左右。
对于正向电压波U+与电流波i+之间,满足关系:而对于反向电压波U-与电流波i-之间,则有:由式2.1与2.2看出,正向电压、电流波同极性,而反向电压、电流波反极性。