行星减速机生产厂家,定制生产销售减速机公司,规格型号齐全,价格合理,可靠稳定,物美价廉,砖业精品值得信赖。
行星减速机作用及用途:
行星减速机是应用到的一种机械传动设备,在减速机领域有着其性能很好而被应用于各行各业;行星减速机主要由行星轮、太阳轮、内齿圈、外齿圈、行星架组成,作用是用来降低转速、提升扭矩;相比较于齿轮减速机,行星减速机的性能更加好,下面看看行星减速机和齿轮减速机的两者区别在于精度上:
1、行星减速机,由一个太阳轮系加一组活着多组行星轮(一组为三个)组成,可在告诉运转的过程中保持相当的精度,并且相对其输出扭矩,行星减速机的体积是很小的.但因其材料精度,加工方式的细致,所以行星减速机的造价比齿轮减速机很多很多。
2、齿轮减速机,这种减速机,运转平稳,噪音很小,且市场定价较低,多用于各种低负载流水线安装. 齿轮减速机相比行星,根本提不上精度,而扭矩更不可能达到行星的度。
行星减速机按照功率分为大小功率行星减速机;大功率行星减速机应用于冶金、矿山、起重运输、电力、能源、建筑建材、轻工、交通设备等领域;小功率行星减速机应用于电子产品、智能家居、汽车传动、设备传动系统、智能机器人、、机械手臂等领域。

KT40FC行星减速机性能特点:
1、行星齿轮减速器采用渐开线行星齿轮传动,合理利用内、外啮合、功率分流。因此具有重量轻、体积小、传动比范围大、效率高、运转平稳、噪声低、适应性强等特点
2、箱体采用球墨铸铁,大大提高了箱体的刚性及抗震性。
3、输入方式:同心轴输入,斜齿轮输入,锥齿轮-斜齿轮输入,锥齿轮输入。
4、输出方式:内花键式,空心轴收缩盘式,外花键式,实心轴平键。
5、安装形式:水平安装,垂直安装,扭力臂安装。
6、采用模块化设计,可根据客户要求进行变化组合。
7、和R系列、K系列组合可得到更大速比。

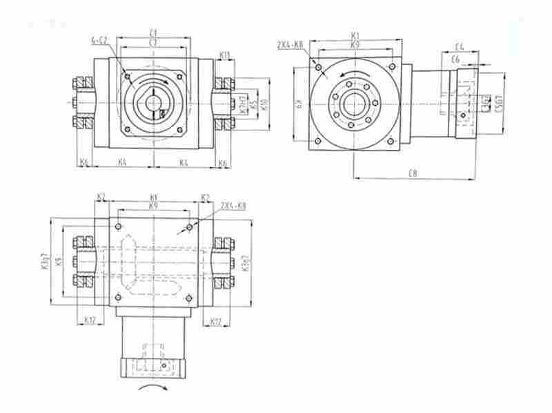
KTFC系列行星减速机标准尺寸表:
|
尺寸 |
KT070FC |
KT090FC |
KT110FC |
KT140FC |
KT170FC |
KT210FC |
KT240FC |
|
K1 |
75 |
90 |
110 |
140 |
170 |
210 |
240 |
|
K2 |
14.5 |
15 |
15 |
15 |
15 |
20 |
25 |
|
K3 |
φ73 |
φ88 |
φ108 |
φ135 |
φ165 |
φ205 |
φ235 |
|
K4 |
54 |
62 |
72 |
87 |
102 |
127 |
147 |
|
K5 |
φ16 |
φ22 |
φ25 |
φ44 |
φ50 |
φ62 |
φ68 |
|
K6 |
14 |
18 |
18 |
24 |
26 |
29 |
29 |
|
K7 |
φ14 |
φ18 |
φ22 |
φ32 |
φ40 |
φ50 |
φ55 |
|
K8 |
M6x8 |
M6x15 |
M8x10 |
M10x13 |
M12x20 |
M16x25 |
M16x35 |
|
K9 |
60 |
72 |
88 |
110 |
134 |
170 |
190 |
|
K10 |
41 |
50 |
50 |
80 |
90 |
110 |
115 |
|
K11 |
18.5 |
23 |
23 |
29.5 |
31.5 |
34.5 |
34.5 |
|
K12 |
32 |
35 |
40 |
50 |
55 |
65 |
80 |
行星减速机有噪音可能有的原因解决方法:
1安装不同心会有噪音
2减速机油脂过多
3减速机间隙很小 噪音会稍微大点
4减速机齿轮磨损
5减速机轴承损坏
行星减速机的噪音处理技巧:
行星减速机的噪音产生大部分是源于传动齿轮的摩擦、振动以及碰撞,怎样有效降低及减少噪声,使其更符合环保要求也是国内外一个重点研究课题。降低行星减速机运行时的齿轮传动噪声已成为行业内的重要研究课题,国内外不少学者都把齿轮传动中轮齿啮合刚度的变化看成是齿轮动载、振动和噪声的主要因素。用修形的方法,使其动载荷及速度波动减至*小,以达到降低噪声的目的。这种方法在实践中证明是一种较有效的方法。但是用这种方法,工艺上需要有修形设备,一般中、小厂往往无法实施。
中大经过多年的研究发现,结提出了通过优化齿轮参数,列如变位系数、齿高系数、压力角、中心距,使啮入冲击速度降至*小,啮出冲击速度与啮入冲击速度的比值处于某一数值范围,减小或避免啮合节圆冲击的齿轮设计方法,也可明显降低行星减速机齿轮噪声。对于行星减速机的噪音问题,也可以迈特雷级密封剂或润滑剂,它是一种极好的齿轮箱添加剂,可以在部件上形成一种薄膜,使摩擦力降低,造成齿轮噪音和泄露等情况的发生。