管道式密度计AHD-07
管道式密度计价格,管道式密度计购买价格怎么使用生产厂家
管道式密度计价格,管道式密度计购买价格怎么使用生产厂家
管道式密度计价格,管道式密度计购买价格怎么使用生产厂家
产品编码:RYS2217210
在线式密度(浓度)传感器是推出的一款基于静压式原理的高精度密度(浓度)测量仪表。
在线式密度(浓度)传感器是一种连续在线测量液体密度的仪表,主要用于工业过程自动化控制。根据介质密度变化产生相应的4-20mA 模拟信号,同时可经过转换输出数字信号便于远程校准与监控。根据工业过程的不同,密度可以表示为 :Brix 度,GL 度,Baume 度、Plato 度和浓度百分比。
TQ-885系列在线式密度(浓度)传感器可广泛应用于现场管道上、敞口或密闭储存罐等工业现场,可连续、实时在线测量管道或罐体的液体密度。
产品特点:
* 直接密度或浓度读数,可采用的工程单位包括:
g/cm3、kg/m3、比重、°Brix、°Baume、°Plato、°GL、固体百分比含量等
* 适用于流动或静止液体
* 适用于罐体密度测量

* 两线制采用4-20mA/Hart输出
* 采用一体化结构,无活动部件
* 标准的工业型和卫生型过程连接
* 转换器可选配GPRS无线远传功能
* 仪表内置温度传感器,提供的温度补偿
* 在线远程校验,数字化本地显示
* 工厂多点线性修正,精度更高
* 现场重新校准:无需标准参考源、无需实验校准、无过程中断
* 转换器兼容壁挂、嵌入、台式三种安装方式
* 转换器采用触摸屏显示,界面更友好
技术参数:
性 | 测量范围 | 范围1:0-1.5g/cm3范围2:0-2g/cm3范围3:0-3g/cm3 |
精度等级 | A级:±0.001 g/cm3B级:±0.005 g/cm3C级:±0.01 g/cm3 | |
12个月内稳定性 | 0.021×10-3 g/cm3 | |
环境温度影响(每10℃) | 0.003×10-3 g/cm3 | |
静压影响(1kgf/cm) | 0.001×10-3 g/cm3c该系统误差通过在静压时校准予以消除 | |
电源影响 | ±0.005 %校准量程/伏 | |
电磁干扰影响 | 设计满足IEC801和欧洲标准EN50081EN50082 |
功 | 温度 | Pt1000(-40-3000℃) |
输出信号 | 两线制采用4-20mA/Hart输出 | |
电源 | 传感器供电:24V DC转换器供电:24V DC或220V AC | |
指示 | LCD就地显示 | |
温度范围 | 环境:-40-85℃过程:-40-100℃正常工作:-40-85℃ | |
启动时间 | 0.2秒 | |
湿度范围 | 0-RH | |
温度补偿 | 自动 Pt1000 |
物 | 过程连接 | 卫生型:316L SST卡箍连接工业型:316L SST法兰连接 |
触液部分 | 316L、哈氏合金、钽膜片可选 | |
非触液部分 | 填充液:硅油(DC200/350,DC200/20,DC704)Syltherm800或Glycerin/水 | |
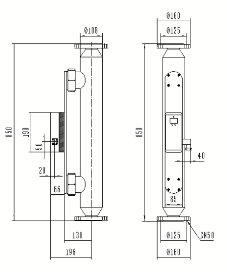
结构形式 | 管道或罐体安装方式 |
外形尺寸:

免费保修一年,提供终身售后维护服务。
联系人:肖敏(肖小姐)
电话:
手机:
QQ:3101372085
邮箱:@163.com
北京瑞亿斯科技有限公司