HCNJ-101动态扭矩传感器价格
联系人:牛云霞 联系电话:
HCNJ-101扭矩传感器是在应变桥专有技术基础上研制开发的,专门用于测量扭矩、转速参数的传感器。本系列扭矩传感器采用应变桥电测技术,用一组环形变压器非接触提供电源,用微功耗信号耦合器代替了环形变压器进行非接触传递信号,有效的克服了电感耦合信号带来的高次谐波自干扰及能源环形变压器对信号环形变压器的互干扰,同时将输出尖脉冲改成等方波信号,因此,本系列扭矩传感器可以长时间,高转速运转。本系列扭矩传感器既可以用于静态也可以用于动态测量,多种安装形式设计,给用户带来极大的方便。
HCNJ-101动态扭矩传感器技术特点:
■ 既可以测量静止扭矩,也可以测量旋转扭矩;
■ 检测精度高、稳定性好、抗干扰性强;
■ 体积小、重量轻、易于安装;
■ 不需反复调零即可连续测量正反转扭矩;
■ 没有集流环等磨损件,可以高转速长时间运行;
■ 应变弹性体强度大,可承受150%载荷;
■ 抗干扰性强,可任意位置,任意方向安装;
■ 传感器部分可脱离二次仪表独立使用,直接与测量板卡、PLC或DCS组成扭矩测量装置
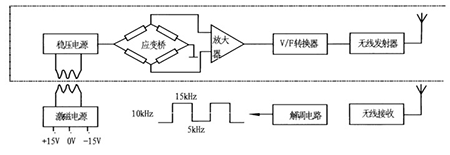
HCNJ-101动态扭矩传感器扭矩工作原理:

如上图所示,应变桥供电由设在传感器上的一组环形变压器,提供感应电压,经整流、稳压转换成高稳定性的直流电压。该电压既供给应变桥作为桥压,也供给其内部电路作为工作电压。应变桥检测的mV级扭矩信号被放大V级强信号,在经过V/F转换器变成正比的方波信号,并发射到外部的信号接受器上,在通过解调还原成与V/F转换出的方波同频率的数字信号,其相位差不大于1微妙,可以忽略不计。
HCNJ-101动态扭矩传感器转速工作原理:

码盘与旋转体集成一体,进行旋转。光电开关通过光电效应,专门电路处理,输出一个高低电平脉冲信号。脉冲信号比例于转速。实现了物理量转速到电信号的转化。
HCNJ-101动态扭矩传感器技术指标:
HCNJ-101动态扭矩传感器负载特性图:

HCNJ-101动态扭矩传感器结构示意图:
HCNJ-101动态扭矩传感器尺寸对照表:
HCNJ-101动态扭矩传感器安装示意图:
HCNJ-101动态扭矩传感器安装方法:
1.测量传感器的轴径和中心高,待装。
2.使用两组联轴器或法兰,将传感器安装在动力设备与负载之间。
3.分别调整动力设备、负载、传感器的中心高和同轴度,要求小于0.01mm,然后将其固定,并紧固可靠,不允许有松动,使用小量程或高转速传感器时,要严格保证连接的中心高和同轴度。否则可能造成测量误差及传感器的损坏。
4.连接时可选用刚性或弹性联轴器,在震动较大或同轴度无法保证安装要求时(大于0.05mm,小于0.02mm),建议使用饶性、弹性或万向节联轴器;并在传感器底座与支撑架之间建议加10mm左右的橡胶垫,以减轻传感器安装不同心时对传感器的损坏。
5.动力源及负载设备必须固定可靠避免振动;传感器的支撑底座必须有一定的强度。以保证安装的稳定性,避免造成过大的震动,否则可能造成测量数据不稳定,影响测量精度。
6.联轴器应紧靠传感器两端的轴肩。传感器为精密测量仪器,安装使用中严禁撞击、敲打等剧烈冲击。
7.传感器使用时采用水平安装,进行其它角度的安装时,请慎重安装传感器不允许随过大的轴向和或弯矩,否则可能影响传感器的使用,甚至造成传感器的损坏。
HCNJ-101动态扭矩传感器常用信号类型及配套产品:
1.直接将扭矩频率信号送给计算机或PLC进行处理;
2.搭配XSY转矩测控仪,可显示扭矩测量值,可选:变送输出标准的电压或者电流信号以及通讯RS485/RS232,;两点报警及清理功能;
3.配套HN-201系列扭矩转速功率仪直接显示扭矩、转速和功率值;可同时转速、扭矩变送输出标准的电压或者电流信号可选。可通讯:RS485/RS232可选,两点报警功能。
4.配套F/I或F/V信号转换模块,将频率信号转换为4—20m A或1—5V等常用模拟信号,方便客户信号采集;也可转RS485/RS232通讯;
5.选用我公司的数据采集卡和配套软件、实现扭矩、转速等信号的采集、存储、打印、回放等功能。
我公司生产的动态扭矩传感器有多个型号:
HCNJ-101为常规型号,适用于大部分场合的动态扭矩和转速的测量。根据客户需求,我公司动态扭矩传感器还有其它几个型号:
HCNJ-103微量程扭矩传感器(0-2Nm)
HCNJ-104小型扭矩传感器(尺寸小、高转速)
HCNJ-105万向轴扭矩传感器(油田钻井)
HCNJ-106盘式扭矩传感器(轴向空间小)
HCNJ-101动态扭矩传感器应用领域:
检测电动机、内燃机等旋转动力设备,输出扭矩及功率;
检测电动机、风力、泵、搅拌机、减速器、变速器、卷扬机、螺旋桨、钻探机械等设备的负载扭矩及输入功率;
检测各种机械加工中心、自动机床的工作过程中的扭矩;
检测各种旋转动力设备系统所传递的扭矩及效率;
检测扭矩的同时可以检测转速、轴动力;用于制造粘度计、电动、气动、液力扭力扳手;
电话:传真:手机:联系人:牛云霞