PV023R1D3T1N001 派克柱塞泵
PV023R1D3T1N001 派克柱塞泵
PV023R1D3T1N001 派克柱塞泵
上海金倍机电设备有限公司立足于油田机械和冶金等行业,经销欧美的液压产品。主要销售的:REXROTH(力士乐)、PARKER(派克)、DENISON(丹尼逊)、HAWE(哈威)、VICKERS(威格士)、ATOS(阿托斯)等。主要销售的产品:电磁阀、换向阀、比例阀、溢流阀、伺服阀、单向阀、安全阀、防爆阀、柱塞泵、齿轮泵、叶片泵、紧凑式泵站、马达、放大器、传感器、压力继电器、过滤器、蓄能器、管接头等液压气动产品。


低落杂音
结构部件
历史弹性连接可以或许预防将泵的振动传给别的的元件并且也
可以或许避免将泵的振动加剧。比喻
泵的支架
采取硫化迷宫式密封的
减震法兰。
旋转弹性
联轴器。
减震架.
或用于安设电机的
圆形支架或泵支架的脚架法兰。
泵的进口、出口和宣泄油口采取柔性的管路连接(软管)。
仅进油管路采取气密的硬管连接以预防空气的进来而引起的气蚀和高杂音低垂杂音的结构件由差别的制造商供货。由于差别的结构件数目很大,所以我们在该产品样本中只给出了与供货相关的结构件。遵守和宣泄油特性
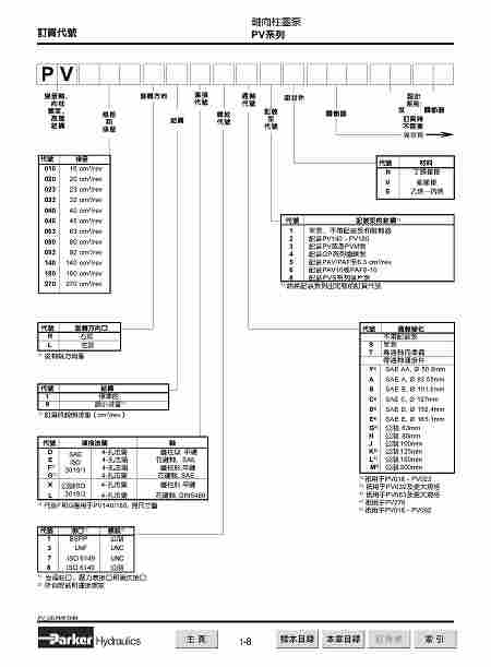
pv016,pv020,pv023
遵守特性曲线是在传动转速!"n=1500 min,温度为40℃和油液粘度为46mm^2/s 时测定的。泵体宣泄油和调理器的控制油通畅过泵的宣泄油口流回油箱。关于先导式调理器(代号FR,FF,FT功率调理器和P-Q,调理器)来讲,如果先导阀的制油也同样地流入泵体的话,那么所表示的值将高出1-1.2L/,MIN!。
请您注意:下面所表示的宣泄值只适用于静态。当 为消息载荷时,历史快速调理进程,控制活塞所排击的油液也同样地经过泵的宣泄油口流回油箱。该消息调理的流量瞬时可达40L/MIN!。所以宣泄管路的横截面应为一切接口的横截面并尽大约索性及短地与油箱相连。
别的的措施
小横截面的管路不仅会导致油液的速度过高、在管路中发现紊流和在泵的进口处发现气蚀,也会产生杂音。所以管路连接应软件尽大约大的横截面以及相应的连接螺纹或法兰。
PV023L1D1T1NMT1
PV023L1D3T1N001
PV023L1D3T1VMMC
PV023L1E1AYN001
PV023L1E1AYNUPR
PV023L1E1B1NECC
PV023L1E1T1NMFC
PV023L1E1T1NMMC
PV023L1E1T1NUPR
PV023L1E3T1NMRC
PV023L1E3T1VMMC
PV023L1K1T1NFPV
PV023L1K1T1NMFC
PV023L1K1T1NMMC
PV023L1K1T1NMRZ
PV023L1K1T1NUPK
PV023L1K1T1NUPM
PV023L1K1T1NUPR
PV023L1L1T1NMF1
PV023L9E1AYNUPRK0051
PV023R1D1T1N001
PV023R1D1T1NGLC
PV023R1D1T1NMFC
PV023R1D1T1NMFK
PV023R1D1T1NMMC
PV023R1D1T1NUPR
PV023R1D3AYNMMC
PV023R1D3AYVMRC
PV023R1D3BCNUPM
PV023R1D3T1N001
PV023R1D3T1NBLC
PV023R1D3T1NDL1
PV023R1D3T1NDLC
PV023R1D3T1NELC
PV023R1D3T1NGLC
PV023R1D3T1NMF1
PV023R1D3T1NMFK
PV023R1D3T1NMM1
PV023R1D3T1NMMC
PV023R1D3T1NMMW
PV023R1D3T1NMR1
PV023R1D3T1NMRC
PV023R1D3T1NMRZ
PV023R1D3T1NUPK
PV023R1D3T1NUPM
PV023R1D3T1NUPR
PV023R1D3T1V001
PV023R1D3T1VMF1
PV023R1D3T1VMMC
PV023R1D3T1VMRC
PV023R1E1AYVMFC
PV023R1E1T1NDCC
PV023R1E1T1NMFC
PV023R1E1T1NMMC
PV023R1E1T1NUPR
PV023R1K1A1NECC
PV023R1K1A1NGCC
PV023R1K1A1NMMC
PV023R1K1A1NMR1
PV023R1K1A1WMMC
PV023R1K1AYNMF1
PV023R1K1AYNMFC
PV023R1K1AYNMFZ
PV023R1K1AYNMMC
PV023R1K1AYNMMCX5899
PV023R1K1AYNMMK
PV023R1K1AYNMMW
PV023R1K1AYNMR1
PV023R1K1AYNMRC
PV023R1K1AYNMRW
PV023R1K1AYNMRZ
PV023R1K1AYVMMCX5830
PV023R1K1AYVMRC
PV023R1K1AYWMMW
PV023R1K1BBNMMC
PV023R1K1G1NMMW
PV023R1K1GYNMMZ
PV023R1K1JHN001
PV023R1K1JHNMF1
PV023R1K1JHNMFC
PV023R1K1JHNMMC
PV023R1K1JHNMR1
PV023R1K1JHNMTP
PV023R1K1T1N001
PV023R1K1T1N100
PV023R1K1T1NBLC
PV023R1K1T1NCCC
PV023R1K1T1NCCZ
PV023R1K1T1NCLC
PV023R1K1T1NCLW
PV023R1K1T1NDCC
PV023R1K1T1NDL1
PV023R1K1T1NDLC
PV023R1K1T1NDLW
PV023R1K1T1NEC1
PV023R1K1T1NECC
PV023R1K1T1NEL1
PV023R1K1T1NELC
PV023R1K1T1NELW
PV023R1K1T1NELZ
PV023R1K1T1NFPV
PV023R1K1T1NGC1
PV023R1K1T1NGCC
PV023R1K1T1NGL1
PV023R1K1T1NGLC
PV023R1K1T1NGLCX5899
PV023R1K1T1NGLW
PV023R1K1T1NHLC
PV023R1K1T1NHLW
PV023R1K1T1NKCC
PV023R1K1T1NMF1
PV023R1K1T1NMFC
PV023R1K1T1NMFK
PV023R1K1T1NMFW
PV023R1K1T1NMFZ
PV023R1K1T1NMM1
PV023R1K1T1NMM1X5830
PV023R1K1T1NMMC
PV023R1K1T1NMMCX5899
PV023R1K1T1NMMK
PV023R1K1T1NMMW
PV023R1K1T1NMMZ
PV023R1K1T1NMR1
PV023R1K1T1NMRC
PV023R1K1T1NMRZ
PV023R1K1T1NMS1
PV023R1K1T1NMTP
PV023R1K1T1NUPF
PV023R1K1T1NUPK
PV023R1K1T1NUPM
PV023R1K1T1NUPR
PV023R1K1T1V100
PV023R1K1T1VFPV
PV023R1K1T1VMFW
PV023R1K1T1VMMC
PV023R1K1T1VMR1
PV023R1K1T1VMRC
PV023R1K1T1WDLC
PV023R1K1T1WMFC
PV023R1K1T1WMMC
PV023R1K1T1WMMK
PV023R1K1T1WMRC
PV023R1K8T1NMMC
PV023R1K8T1NMR1
PV023R1L1AYNMFC
PV023R1L1JHNFPV
PV023R1L1T1NCLC
PV023R1L1T1NFPV
PV023R1L1T1NGLC
PV023R1L1T1NMF1
PV023R1L1T1NMFC
PV023R1L1T1NMFK
PV023R1L1T1NMM1
PV023R1L1T1NMMC
PV023R1L1T1NMMK
PV023R1L1T1NMML
PV023R1L1T1NMMW
PV023R1L1T1NMMZ
PV023R1L1T1NMR1
PV023R1L1T1NMRC
PV023R1L1T1NMS1
PV023R1L1T1NMTK
PV023R1L1T1NMTP
PV023R1L1T1W001
PV023R2K1T1N001
PV023R9D1T1NGCCX5929K0284
PV023R9D3T1NMR1K0299
PV023R9E1T1NGCCX5929K0284
PV023R9K1JHNMFCK0021
PV023R9K1JHNMFCK0117
PV023R9K1JHNMFCK0337
PV023R9K1JHNMFZK0117
PV023R9K1T1NDCCK0052
PV023R9K1T1NDLCK0037
PV023R9K1T1NDLWK0125
PV023R9L1T1NMFCK0021
PV023R9L1T1NMFCK0117
PV023R9L1T1NMFCK0337