派克液压阀D3W004CNJW 库存现货ParkeD3FBE01SC0NF00 PARKERr

发布时间:2020-04-17

选择常州派正流体技术有限公司合作的理由:

-10余年液压行业经验,*服务,所有欧美备件,提供采购咨询

-正规报关,可以提供海关的报关单及原产地证明

-质量保证每一台油泵发货前都会经过检测设备检测,确保质量;

-库存充足400多平方米现货仓库,随时发货;

-与多家欧美技术经销商或系统集成商合作,整合采购

-型号齐全20多个,31200多个型号,8000件库存;

-仓库有1000多万库存现货,是您应急的仓库

 

我司服务:

进口备件咨询,所有欧美备件代理采购

液压备件*维修,技术调试

提供液压、电子、气动类备件样本采购成本核算,采购计划核定

售后跟踪3W004CNJW

类型 - 3C阀门类别

流动方向 - 单向

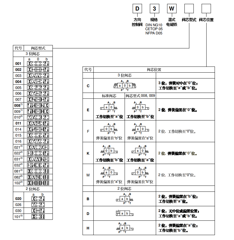
D3W是一种3油腔、电控、34通或24通滑阀换向阀,通过带有螺纹衔铁管的湿式换向电磁铁进行直接操纵

公称尺寸:DIN NG10/CETOP 05/NFPA D05

 

D3W 是一款NG10安装规格的换向阀,能在很小的压降具有很大的极限流量切换性能,流量可达150 l/min

 

 

D3W004CNJW

常州派正流体技术有限公司进口液压元件销售优势

产品质量作为保证

 

常州派正流体技术有限公司主要经销欧洲北美洲有名企业产品及液压成套设备。公司主要经销的有:Parker派克,德国Rexroth力士乐、美国VICKERS威格士,美国DENISON丹尼逊,阿托斯ATOS

 

D3W是一种3油腔、电控、34通或24通滑阀换向阀,通过带有螺纹衔铁管的湿式换向电磁铁进行直接操纵

公称尺寸:DIN NG10/CETOP 05/NFPA D05

 

接口:DIN 24340 A10/ISO 4401/CETOP RP 121-H/NFPA D05

安装位置:任意,优先选择水平位置

环境温度:-25°C...+50°C

连接螺栓:4DIN 912 M6x40-12.9;扭矩13.6Nm±10%

工作介质:液压油依照DIN 51524/51525标准

油液温度:-25°C+70°C

粘度:2.8400 mm2/s2.8400cSt

工作压力:

  P,AB350bar

  T210bar(标准的105bar;代号H210bar

泄漏p=50bar;v=35mm2/s:每个控制边至20ml/min,与阀芯有关

MAX流量:直流150l/min;交流115l/min

允许的污染度:NAS 1638等级7-9,达到β1075

启动时间:*ED;注意:线圈温度可达150°

防护级别:IP 65依照DIN 40050(在插和装情况下)

max换向频率:10000/小时

接线方式:插头板依照DIN 43650标准,可选择结构形式AF/PG11的插座

派克液压阀D3W004CNJW 库存现货Parker 

 

Parker派克D3W系列3油腔电动式换向阀

Parker派克D3W系列3油腔电动式换向阀是一种3油腔、电控、34通或24通滑阀换向阀,通过带有螺纹衔铁管的湿式换向电磁铁进行直接操纵。

Parker派克D3DW系列5油腔电磁换向阀

Parker派克D3DW系列5油腔电动式换向阀是一种5油腔、电控、34通或24通滑阀或换向阀,通过带有螺纹衔铁管的湿式电磁铁进行直接操纵换向。

Parker派克D3W/D3DW系列带电感位置控制电磁换向阀

Parker派克D3W/D3DW系列带电感位置控制电磁换向阀是一种通过电磁铁直接操纵的带电感位置控制的24通换向阀,可被用作监控阀。可以有选择的对初始位置或终点位置进行监控。只有单电磁铁阀可以用于位置控制。断电时换向阀的可靠位置为初始位置,其通过复位弹簧来保持的。

 

常州派正流体技术有限公司主营产品:

Parker派克(DENISON丹尼逊)全系列产品:液压、气动、电子、密封、过滤及管接头等,价格及货期都具有优势,原装产品!

REXROTH力士乐全系列: 德国原装进口,只要有量,我们可以直接国外申请非常好的价格!

EATON伊顿(VICKERS威格士、INTERNORMENIH等),直接国外源头采购,部分系列价格非常好!

HAWE哈威(及SUNFAB胜凡):为水泥厂、工程机械备有现货,部分

R系列径向柱塞泵:R9.8-9.8-9.8-9.8A现货、R8.3-8.3-8.3-8.3AR1R1.08R2.5AR4.3AR5.6AR3.3-1.7-1.7-1.7-1.7A

MOOG穆格:伺服阀、柱塞泵、伺服电机、伺服油缸等

ATOS优势系列:比例阀、伺服阀及防爆阀价格具有优势,常规型号备有现货

齿轮泵及马达:BUCHER布赫、MARZOCCHI马祖奇、

液压泵阀:SAUER DONFOSSBIERI比利、DUPLOMATIC迪普马、Wandfluh万福乐、CONTINENTAL HYDRAULICSLinde林德、OilgearESM弹性支撑、VOITH福伊特、SETTIMA赛特玛螺杆泵、EMG伺服阀、SAMSON阀门、NORGERNMAAG马格

水泵:丹佛斯APPPAH水泵、CAT水泵、格兰富GRUNDFOSWATER、台湾河见HCP水泵等

 

大量现货

D41FCE01FC1NE70 PARKER 阀 现货 常州派正

D41FCE01FC1NE70 PARKER 阀 现货 常州派正

D41FCE01FC1NB70 PARKER 阀 现货 常州派正

D41FCE01CC1NE70 PARKER 阀 现货 常州派正

D41FCB31FC1NE70 PARKER 阀 现货 常州派正

D41FCB31CC1NE70 PARKER 阀 现货 常州派正

D41FBE02FC1NS00   PARKER 阀 现货 常州派正

D41FBE02FC1NF00   PARKER 阀 现货 常州派正

D41FBE01FC1NF00 PARKER 阀 现货 常州派正

D3W1BVDC14X2190 PARKER 阀 现货 常州派正

D3W030BNJW42   PARKER 阀 现货 常州派正

D3W020DVJW     PARKER     阀 现货 常州派正

D3W020BVJW     PARKER 阀 现货 常州派正

D3W020BNJW     PARKER 阀 现货 常州派正

D3W020BNJW     PARKER 阀 现货 常州派正

D3W004 CNJW     PARKER 阀 现货 常州派正

D3W004 CNJW PARKER 阀 现货 常州派正

D3W001CNJW     PARKER 阀 现货 常州派正

D3W001CNJW     PARKER 阀 现货 常州派正

D3FBE02SC0NF00 PARKER 阀 现货 常州派正

D3FBE02MC0VKW0 PARKER 阀 现货 常州派正

D3FBE01SC0NF00 PARKER 阀 现货 常州派正

D3FBB32MC0NF00   PARKER 阀 现货 常州派正

 

 

 

原型号产品展示:

PV046L1K1T1NMRC

D1FBE01KE0NF03

TE0130CW260BBCN

PV016R1K1A1NECC

D1VW002ENYW91

6C1227S65

美国PARKER派克柱塞泵PV040R1K8T1NMMC

pv016r1k1a1nmmc

TE0130CY100AAAB

D3W004KNJW

CPOM6BBV

PV032R1E1T1NMR1

D1FBE02FC0NS00

PV016L1K1T1NFWS

美国PARKER派克比例阀D91FBE01HC4NF00 老型号是D91FTE01HC4NF00

D1VW020BNJW(国产)

SVLA1006P07

PAVC659B2R4HMP13

TE0330CW260AAAB

PV046R1D1T1NMMW

PV140R1K1T1NYCB

TE0230CW120AAAB

D1VW001FNJW91

美国PARKER派克伺服阀BD15AAANB10

SCPSD-600-04-16

PAVC652R42M13

PV016R1L1AYNMMD

D31DW020B4NJEE

PAVC100D32L42A22

PAVC65BR413

PAVC332R4HP26

PAVC100B32R46B3AP22-

PV046R1K1K1NMRZ

TE0260MW260AAAB

AP04G2YR35CV

PAVC100B32R4C22

D91FBE02HC1NF00

PAVC1002L46A4HP22

R4V105931209GOQA1031

PV046R1L1T1NMFK

PV180R1K1T1NTLC

PAVC1002L426B122

电液换向阀D1FVE02BCVF0A37

PAVC33S2L4AM26

PV046R1K1KJNUPF

PV080R1K1T1WFHS

TE0100DN260AAAB

RE06M25T2N1R026

PV046R1L1T1NFPE

C080BN99N10

TE0130CN260AAAB 现货  派克液压阀D3W004CNJW 库存现货Parker

 

我司服务:

进口备件咨询,所有欧美备件代理采购

液压备件*维修,技术调试

提供液压、电子、气动类备件样本采购成本核算,采购计划核定

售后跟踪

 

D3W004CNJW

上一篇:鹿泉烟囱拆除公司—老企业
下一篇:ChipLED 生产厂家