力士乐电磁阀4WREE 10 W1-50-23/G24K31/F1V特性描述

发布时间:2020-04-26

力士乐电磁阀4WREE 10 W1-50-23/G24K31/F1V德国工厂直订,品质好,使用安全更放心,维特锐16年工业备件代理销售*司,德国采购公司原厂订货,安排航运到货,自己清关报关一站式服务。为您提供更多高品质进口工业品。


力士乐电磁阀4WREE 10 W1-50-23/G24K31/F1V是一款带电气位置反馈和集成电子元件 (OBE) 的直动式二位四通比例方向阀。

产品特征:

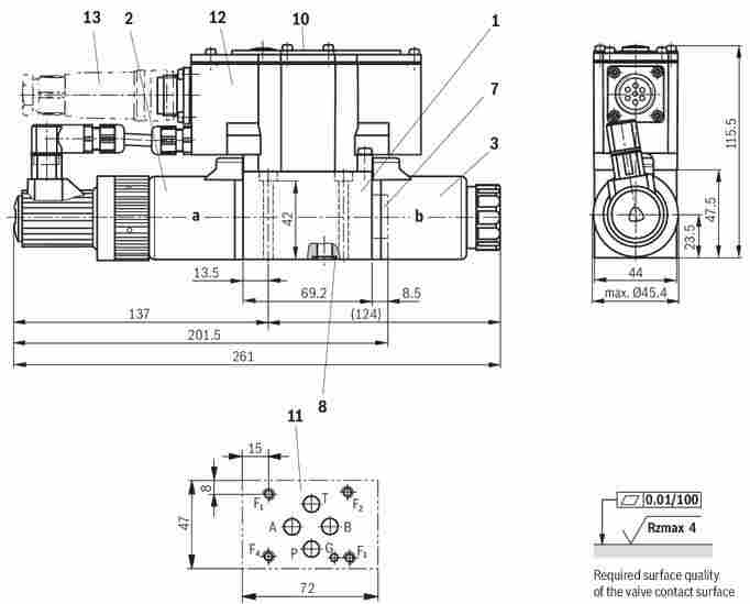
规格 6, 10

组件系列 2X

*工作压力 315 bar

*流量 180 l/min


力士乐电磁阀4WREE 10 W1-50-23/G24K31/F1V应用范围:

 它广泛应用于冶金、石化、制药、烟草、食品医疗、城建环保、给排水、采暖空调、消防安全、科研、节能产业等各个领域。

 二位四通电磁阀为双线圈控制,一个线圈瞬间通电后关闭电源、阀打开,另一个线圈瞬间通电后关闭电源、阀关闭。可以长时间保持关闭或打开状态,能使线圈寿命更长。在高温管道中使用非常好。

 

力士乐电磁阀4WREE 10 W1-50-23/G24K31/F1V结构配置说明:

带连接面的壳体 (1)

带有压缩弹簧(3 和 4)与弹簧座(5 和 6)的控制阀芯 (2)

带对中螺纹的线圈(7 和 8)

位置传感器 (9)

集成电子元件 (13)


可通过 Pg7 进行电气零电位调节 (12)

 力士乐电磁阀4WREE 10 W1-50-23/G24K31/F1V特性描述

功能:

线圈(7 和 8)断电后,位于弹簧座(5 和 6)之间的压缩弹簧(3 和 4)可将控制阀芯 (2) 置于中心位置

可通过控制比例电磁铁(例如,线圈“b”(8))直接操作控制阀芯 (2)

→ 控制阀芯 (2) 与电气输入信号成比例地向左移动

→ 通过具有渐进

流体特性的节流横截面,进行从 P 到 A 及从 B 到 T 的连接

关闭线圈 (8)

→ 控制阀芯 (2) 在压缩弹簧 (3) 的作用下返回至中心位置

在断电状态下,线圈的复位弹簧使得控制阀芯 (2) 保持在机械中心位置。使用带有符号“V”的控制阀芯时,此位置与液压中心位置不对应!电动阀控制环关闭时,控制阀芯将位于液压中心位置。


原装进口力士乐阀型号:

REXTOTH    比例阀    811404209

REXROTH    比例阀    R901335265  ZDREE 6 VP2-1X/100MG24K24F1M

REXROTH    比例阀    4WRZE 25 E1-325-71/6EG24N9ETK31/F1D3M

REXROTH    比例阀    4WRA 6 V30-23/G24N9K4/V-589

REXROTH    比例阀    DRE6-10/100MG24NK4M

REXROTH    比例阀    4WRZE10W6 85-70/6EG24N9ETK31/A1D3V

REXROTH    比例阀    4WRAE10E60-2X/G24K31/F1V

REXROTH    比例阀    4WRAE6E07-2X/G24K31/A1-S0280

REXROTH    比例阀    4WRZE16W8-150-7X/6EG24N9K(31/F103)M

REXROTH    比例阀    4WRKE32E1-600L-31/6EG24EK31/C1D3M

REXROTH    比例阀    4WREE10E50-22/G24K31/AN

REXROTH    比例阀    MNR:R9004481252 FD:49117

REXROTH    比例阀    4WRZ25W8-325-7X/6EG24N9TK4/D3M

REXROTH    比例阀    DRE6-1X/100MG24NK4M


REXROTH    比例阀    4WRDEL6V200L-526EG24


上一篇:FT-420-10H奥托尼克斯
下一篇:欢迎——-鄂尔多斯抗裂纤维——鄂...