力士乐油泵特点:
— 用于液压开式回路的斜盘结构轴向柱塞变量泵
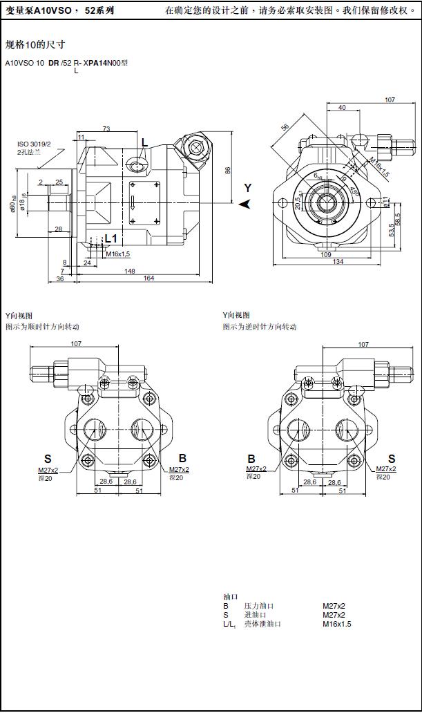
— 流量正比于驱动转速和排量,并能通过调节斜盘倾角实 现无级变量
— ISO的安装法兰
— 法兰连接符合SAE米制
— 有两个壳体泄油孔
— 优良的性能
— 允许连续运行压力可达280 bar
— 低噪声
— 长寿命
— 驱动轴能承受轴向及径向负载
— 高的功率/重量比
— 广范围的多种控制形式
— 控制响应时间短
— 采用通轴结构,可用于多回路

型号选型参考详解:
举例型号:A10VSO18DFR1/31R-PPA12N00
A10VS→斜盘式变量泵,此系列工业驱动用,公称压力 28MPa,高压力35MPa;
O →运行,此系列用于开式回路;
18 →排量规格此型号为18m3(另有10、28、45、71、100、140等常见规格排量)
DFR1 →控制机构,(DG表示两位控制直接驱动;DR(G)表;示压力控制远程控制;DFR(1)压力/流量控制 ;


T6DM-020-2L00-C1
T6DM-B14-2L03-
T6DM-B28-4R01-
T6D-020-1L01-A1

A10VSO18DFRI/31R-PPA12N00
A7V55DR2.0RPFOO
A10V028DR/31R-PSC12N00
A7V160HD2.0RPFOO
A10VS014DFR1/31RPPB12N00
A7VO28DRG63LNPB01
A11VO260LE2/11L-NZC12N00
A7V78EL2.0LZF00
A11VO145LG1/11L-NPC12N00
A7V40DR2.0RZFOO
A11VO60EP2/10R-NTC12N00
A7V160HD2.0RZFOO
A11VLO145DRG/11R-NPD12N00
A7VO160HD1G63RNZB01
A11VO145LG1/11R-NTD12N00
A7V58LV2.0RZFOO

带有1指在X油路无小孔;DFLR压力/流量/功率控制;FHD流量 控制,和先导压力有关带压力控制;
FE1**流量电控;DFE1**压力/流量电控;ED电液压力控制);
31 →产品系列
R →转动方向(R顺时针,L逆时针)
P →密封(P指带FKM轴封的NBR(丁晴橡胶,符合DIN ISO 1629),V指FKM(佛橡胶,符合DIN ISO 1629))
P →轴端(P指带键直轴 DIN 6885,S指花键轴SAE,R指花键轴SAE(较高的通轴驱动转矩));
A →安装法兰孔(A指ISO 2孔,B指ISO 4孔);
12 →工作油口连接,{压力油口B 吸油口S}在相反方向 ,SAE油口米制固定螺钉;
N00 →通轴,(N00无通轴驱动;有通轴驱动带轴向泵、齿轮泵回径向柱塞泵KB2、K51、KB3、K01等等)


A2FO200/63R-PAB05 2011993
德国力士乐柱塞泵A4VSO 40排量:
A4VSO40DR/10R-PPB13N00
A4VSO40LRG/10R-PPB12N00

德国力士乐柱塞泵A4VSO 71排量:
A4VSO71DR/10R-PPB13NOO,A4VSO71DR/22R-PPB13N00,A4VSO71DR/30R-PPB13NOO,A4VSO71LRG/10R-PPB12N00
关于价格:购买前请先客服具体价格和交货期,以免耽误您的时间。
我公司长期备有常用型号德国REXROTH力士乐液压泵, 原装现货,量大优惠,欢迎选购。
德国力士乐柱塞泵A4VSO 125排量:
A4VSO125DR/30R-PPB13NOO, E-A4VSO125DR/30R-PPB13N00
微信提供丹尼逊叶片泵T6DC-035-006-1R00-C100
微信提供气动元件T6EC-050-003-1R00-C100
微信提供丹尼逊叶片泵T6D-017-1R01-C1
微信提供液压气动T6D-020-1L02-A1
微信提供液压气动T6ED-062-028-1R00-B1
微信提供三联叶片泵T6EDC-052-045-010-1R00-C100
微信提供液压气动T6DC-050-020-1R00-C100
微信提供液压丹尼逊T6D-028-1R03-B1
微信提供液压泵T6D-042-2R03-B1
微信提供液压泵T6EDC0500280281R**A1P0
suxiutian2020.2.10