原装康茂盛单作用气缸61M2P080A0150R系列
主要特点:
单动汽缸:只能靠气体的推动力前进或后退,恢复动作要靠弹簧的推力或缩力。
双动汽缸:可以靠气体前后往返动作。
单作用气缸只有一个气压力孔,并且有弹簧
双作用气缸有两个气压力孔,没有弹簧。
单动气缸和双动气缸。区别是,单动气缸内是有弹簧的。从外观上看,双动气缸由两个可以接气管的口,单动的则只有一个。
本人以为要用的,杂牌的寿命会有问题,如果是用在模具等精密的地方,用的汽缸差了会影响到模具,少的是影响产出,大的甚至夹不到产品压模,造成巨大的损失。
» In compliance with ISO15552 standards and withthe previous DIN/ISO 6431
- VDMA 24562 standards
» Rolled stainless steel rod
» Clean design with adjustablepneumatic cushioning
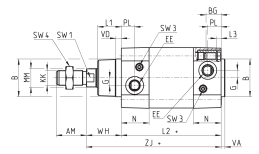
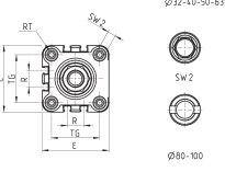
尺寸图:


代号 类型 类型 工作方式 缸径 (Ø) (mm) 行程 (mm)
61M2P125A0075 型材型气缸 标准 单作用 125 75
61M1P063A0050 型材型气缸 标准 单作用 63 50
61M1P080A0050 型材型气缸 标准 单作用 80 50
61M1P100A0075 型材型气缸 标准 单作用 100 75
61M2P125A0050 型材型气缸 标准 双作用 125 50
61M1P032A0075 型材型气缸 标准 单作用 32 75
61M1P040A0075 型材型气缸 标准 单作用 40 75
61M1P050A0075 型材型气缸 标准 单作用 50 75
61M1P063A0075 型材型气缸 标准 单作用 63 75
61M1P080A0075 型材型气缸 标准 单作用 80 75
61M2P100A0025 型材型气缸 标准 双作用 100 25
原装康茂盛单作用气缸61M2P080A0150R系列