原油液位计智能原油液位计

发布时间:2020-06-30

   原油液位计对过一定长度的,需增加中间加固法兰或耳攀作固定支撑,以增加强度和克服自身重量;原油液位计的安装位置,应避开或远离物料介质进出口处,避免物料流体局部区域的急速变化,影响液位测量的准确性;当配有远传配套仪表时需做到如下几条:远传配套仪表零位应与液位计零位指示处在同一水平线上;远传配套仪表与显示仪表或工控机之间的连线*单独穿保护管敷设或用屏蔽二芯电缆敷设;应使远传配套仪表紧贴液位计主导管,并用不锈钢抱箍固定(禁用铁质);远传配套仪表上感应面应面向和紧贴主导管;接线盒进线孔敷设后,要求密封良好,以免雨水、潮气等侵入而使远传配套仪表不能正常工作,接线盒在检修或调试完成后应及时盖上。

原油液位计,智能原油液位计

   原油液位计主体周围不容许有导磁体靠近否则直接影响液位计工F确工作。因运输过程中为了不使浮球组件损坏,故出厂前将浮球组件取出液位计主体管外,待液位计安装完毕后,打开底部排污法兰,再将浮球组件重新装入主体管内,注意浮球组件重的一头朝上,不能倒装。如果在出厂时已经将浮球组件安装在主体管内,为保证运输过。液位计安装完毕后,需要用磁钢进行校正对翻柱导引一次使零位以下显示红色,零位以上显示白色。液位计投入运行时应先打开下引液管阀门让液体介质平稳进入主体管,避免液体介质带着浮球组件急速上升,原油液位计而造成翻柱转失灵和乱翻。若发生此现象待液面平稳后可用磁钢重新校正。

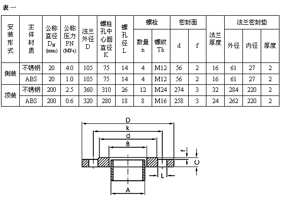
    原油液位计测量液体时采用顶装或旁通管侧装方式。磁翻柱主体外加装翻柱液位指示器、液位开关及液位变送器。磁单元置于浮球内部或通过顶杆与浮球相连,当浮球连带磁单 元随液位变化时,使磁性色块(磁翻板)翻转;磁性液位开关在对应液位点动作;同时液位传感器在浮球磁力的作用下,输出标准的变化电阻信号,再经过变送器把电阻信号转换 成4~20mA电流信号输出。  特 点适用范围广、安装形式多样,适合任何介质的液位、界面的测量  被测介质与指示结构完全隔离,密封性能好,防泄露、适应高压、 高温、腐蚀条件下的液位测量,可靠性高  集现场指示、远传变送、报警控制开关于一体且可自由调整,功能齐全  双色指示带夜光、连续直观、醒目、测量范围大,观察 方向可任意改变  耐振动性能好,能适应液位波动大的情况下工作  结构简单,安装方便,维护费用低  带精美的磁钢校正器,现场随意校调

 原油液位计及时参数

测量范围:1508000mm,对中心距过8000mm的或远输条件不允许过长度的液位计可    采用分段制造。

工作压力:0.61.02.54.06.410Mpa

工作温度:F 120℃;G200℃;H450 

:±10mm 

原油液位计介质密度: 0.52.0g/cm3 

介质密度差: 150kg/m3(测量界位

环境振动:频率≤25Hz 振幅≤0.5mm 

原油液位计跟随速度: 0.08m/s 

介质粘度: 0.4Pa.s,对于粘度大的介质或测量温度低时易结晶的介质,可选

加热夹套型液位计 

过程连接:旁路侧面安装法兰:DN25,PN1.0PN1.6 PN2.5PN4.0PN6.4PN10 

开关选项:可选择普通型、防爆型 

变送器选项:可选干簧管液位变送器  可选磁致伸缩液位变送器  可选全表显示

 1.对过一定长度(普通型>3米、防腐型>2米)的液位计,需增加中间固法兰或耳攀作固定支撑,以增加强度和克服自身重量;

    2.原油液位计的安装位置,应避开或远离物料介质进出口处,避免物料流体局部区域的急速变化,影响液位测量的准确性;  3.当配有远传做到如下几条:

    a.应使远传配套仪表紧贴液位计主导管,并用不锈钢抱箍固定(禁用铁质); 

b.原油液位计远传配套仪表上感应面应面向和紧贴主导管;

  c.原油液位计调试时应先打开上部引管阀门,然后缓慢开启下部阀门,让介质平稳进入主导管(运行中应避免介 质急速冲击浮子,引起浮子剧列波动,影响显示准确性),观察磁性红白球翻转是否正常,然后关闭下引管阀门,打开排污阀,让主导管内液位下降,据此方法操作三次,确属正常,即可投入运行(腐蚀性等特体除外);

  d.应根据介质情况,不定期清洗原油液位计的主导除杂质;

原油液位计安装

1. 本体周围不容许有导磁物质接近,禁用铁丝固定,否会影响磁翻板液 位计的正常工作;

2. 如用户自行采用伴热管路时,必须选用非导磁材料,如紫铜管等。伴热温度根据介质 情况确定;

3. 原油液位计安装必须垂直,原油液位计与容器引管间应装有球阀,便检修和清洗

4. 介质内不应含有固体杂质或磁性物质,以免对浮子造成卡阻;

5. 使用前应先用校正磁钢将零位以下的小球置成红色,其它球置成白色;

6. 原油液位计打开底法兰,装入磁性浮子(注意:重端带磁性一端向上,不能倒装。)

7. 原油液位计调试时应先打开上部引管阀门,然后缓慢开启下部阀门,让介质平稳进入主导管(运 行中应避免介质急速冲击浮子,引起浮子剧列波动,影响显示准确性),观察磁性红白球 翻转是否正常,然后关闭下引管阀门,打开排污阀,让主导管内液位下降,据此方法操 作三次,确属正常,即可投入运行(腐蚀性等特殊

 8. 应根据介质情况,不定期清洗主导管清除杂质;

 9. 原油液位计 对过一定长度(普通型>3米、防腐型>2)的液位计,需增加中间加固法兰或耳攀 作固定支撑,以增加强度和克服自身重量;

 10. 原油液位计的安装位置,应避开或远离物料介质进出口处,避免物料流体局部区 域的急速变化,影响液位测量的准确性;、

11. 当配有远传配套仪表(UBUK )时需做到如下几条:

    a. 应使远传配套仪表紧贴液位计主导管,并用不锈钢抱箍固定(禁用铁质)

    b.远传配套仪表上感应面应面向和紧贴主导管;

    c. 远传配套仪表零位应与液位计零位指示处在同一水平线上;

    d.远传配套仪表与显示仪表或工控机之间的连线*单独穿保护管敷设或用屏蔽二芯电 缆敷设;

    e原油液位计.接线盒进线孔敷设后,要求密封良好,以免雨水、潮气等侵入而使远传配套仪表不能 正常工作,接线盒在检修或调试完成后应及时盖上。原油液位计有关参数选用

原油液位计防腐型材料(表1

原油液位计,智能原油液位计


原油液位计国内外常用不锈钢材料对照表(表2

美国

德国

日本

1Cr18Ni9Ti

321

1.4783

SUS32

0Cr18Ni2Mo2Ti

316

1.4571

  

0Cr17Ni12Mo2

316

1.4401

SUS316L

0Cr17Ni14Mo2

316L

1.4435

SUS316

0Cr18Ni9

304

1.4301

SUS304

原油液位计当配有远传配套仪表时需做到如下几条:
1)、应使远传配套仪表紧贴液位计主导管,并用不锈钢抱箍固定(禁用铁质);
2)、远传配套仪表上感应面应面向和紧贴主导管;
3)、远传配套仪表零位应与液位计零位指示处在同一水平线上;
4)、远传配套仪表与显示仪表或工控机之间的连线*单独穿保护管敷设或用屏蔽二芯电缆敷设;
5)、接线盒进线孔敷设后,要求密封良好,以免雨水、潮气等侵入而使远传配套仪表不能正常工作,接线盒在检修或调试完成后应及时盖上。

 


上一篇:辽宁阜新市万用表校准检测-可...
下一篇:驻马店改性沥青防水卷材本地厂家