贵港,2LQG2W-10/2.0,油冷却器,信誉保证,,资讯

发布时间:2020-07-02

冷却器是换热设备的一类,用以冷却流体。通常用水或空气为冷却剂以除去热量。主要可以分为列管式冷却器、板式冷却器和风冷式冷却器。冷却器是冶金、化工、能源、交通、轻工、食品等工业部门普遍采用的热交换装置 [1]  

它适用于冷却器、冷凝、加热、蒸发、废热回收等不同工况。因此,在门类众多的热交换器中,冷却器,管式换热器仍居于重要位置。
贵港,2LQG2W-10/2.0,油冷却器,信誉保证,,资讯【图片】  电子信息产品制作、汽车制作及成套装备制作三大年夜支柱家当占浦东工业比重六成以上,累计产值6534.66亿元,12.2%。2018年,范围以上工业产值到达.43亿元,强光、芯、创新药、蓝天梦、智能造、未来车、数据港七大年夜家当点亮浦东新区开展的新格局。冷却器换热设备的一类,用以冷却流体。通常用水或空气为冷却剂以除去热量。有间壁式冷却器、喷淋式冷却器、夹套式冷却器和蛇管式冷却器等。广泛用于大功率硅整流和感应炉中频炉等大电器设备配套作为冷却保护付机的纯水、水风、油水、油风冷却装置
冷却器以间壁式、混合式、蓄热式交换器为主要对象,冷却器的工作原理、传热计算、结构计算、流动阻力计算和设计程序,在热交换器一书中均有较多插图和详尽的例题。
贵港,2LQG2W-10/2.0,油冷却器,信誉保证,,资讯【图片】  旗下的Greenbushes锂项目,由天齐团体和Albemarle合营具有。Greenbushes被认为是西澳大年夜利亚时间长的矿区,截止今朝曾经继续了25年。依据USGS的数据,澳大年夜利亚还具有越200万吨的已探明锂资本。 列管式冷却器器
种液压机冷却器列管式,有双重管式、立式、、浮头式等多种。这种类型的特点是用作冷却的水从管内部流过,而油则从列管的间隔中流过,中间设置的折板让油折流,它所使用的双城甚至四程流动让它的冷却效果更加强烈。
列管式冷却器由外部壳体、内部冷却器体两大部份组成。由于具体结构的不同,从外部连接形式分为管螺纹式和法兰式;从安装形式分为和立式;从浮动形式分为浮动盘式和浮动头式;从冷却器管结构分为螺管式和翅片管式;从折流的结构分为弓形折流板、矩形折流板、双堰形折流板和圆形折流板等多种结构形式,均按具体条件选用。
外部壳体包括:筒体、分水盖和回水盖。其上设有进、出油管和进、管,了解的规则,并附设排油、排水、排气螺塞、锌棒安装孔连温度计接口等。
冷却器体由冷却器管、定孔盘、动孔盘、折流板等组成。冷却器管两端与定、动孔盘连接,冷却器 装载机冷却器里边漏机油;定孔盘和外体法兰连接,动孔盘可在外伸缩,以温度对冷却器管由于冷缩而产生的影响。折流板起强化传热及支承冷却器管的作用。
贵港,2LQG2W-10/2.0,油冷却器,信誉保证,,资讯【图片】  展望未来,宁愿同亚太地区各经济体一道,进一步发扬APEC中小企业技展会的桥梁和纽带感化,不时拓宽协作范围,深化协作机制,进一步推动亚太地区中小企业发展强大年夜,为促进地区的隆盛开展作出贡献。中小企业是APEC框架下的主要协作范围王江平指出,亚太是全球经济十分的板块,也是经济的一个主要引擎。列管式冷却器器的热介质是由筒体上的接管进口,顺序经各折流通道,曲折地流至接管出口。而冷却器介质则采用双管程流动,即冷却器介质由进水口经分水盖进入一半冷却器管之后,再从回水盖流入另一半冷却器管进入另一侧分水盖及管。冷介质在双管程流中,吸收热介质放出的余热由口,使工作介质保持额定的工作温度。
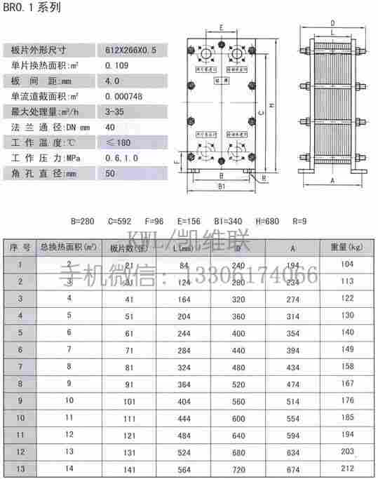
板式冷却器贵港,2LQG2W-10/2.0,油冷却器,信誉保证,,资讯
第二种板式也分为人字和斜波纹式等,利用波纹构造排列的点,让流体在流速并不高的情况下形成紊流,大幅度的了散热的效果。
板式热交换器是一种*的换热设备,它具有传热效率高、结构紧凑、面积小,易于安装得优点,并且可根据不同的工艺要求,非常方便地组合成任意流量形式,因而它被广泛应用石油、化工、冶金、机械、轻工、食品、、电力、涂装、供热等工业领域,近年来在微电子行业的冷却水、纯水和纯水中也被广泛采用。
由于冷冻水(冷媒流体)与循环冷却水(工作流体)不是直接的,它们是通过换热片将循环冷却水的热量传给冷冻水,此时较高温度的循环冷却水的温度成为低温流体,当换热片两侧的流体为恒温传热时,

风冷式油冷却器(简称风冷却器)是一种以空气为冷却源的铝合金板翅式热交换器,其特点是热交换器芯体的油通道和风通道均设换热翅片,同体积比换热面积大,传热效率高,以空气为介质进行热量交换。与水冷式散热器相比,不仅安装简便,更可避免铜管爆裂造成的油水混合,对造成严重的毁坏。其次,对于需要变换工作的设备(如工程机械)来说,不需考虑水源的供应,不存在水循环的拆装和重建,是应用日益广泛的环保型产品。

贵港,2LQG2W-10/2.0,油冷却器,信誉保证,,资讯【图片】  为了完成这些目标,印度试图经过CCS来十分地完成煤炭资本的可继续应用。比如,一家印度企业就经过碳捕集,用其燃煤锅炉排放的碳制作小苏打。另外,印度当局还将高能效低排放(high-efficiencylow-emission,简称HELE)提上了日程。

上一篇:报价黑龙江2公分蓄排水板生产...
下一篇:欢迎访问:河富锦螺旋形聚乙烯醇纤...