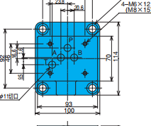
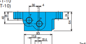
叠加阀安装尺寸图结构方式不二越
材质说明:
含底板及安装螺栓,需要时请按
D-90〜D-95选定。
n 0 4 型叠加阀中没有设置泄油口
(DR2),因此不能与压力中心型电磁
阀(D)配合使用。
m 温度范围20°C〜60°C,流量变动为
±5%以内。
c 压力增高时,流量调节手柄变重,
请不要用板手在手柄上转动。手柄
端面中心设有六角孔,请用5mm的
内六角板手转动。
z 流量控制入口与出口的压力差为
1MPa {10.2kgf/cm2}以上,OCFG01、OFH-G04的*控制流量请
参照流量-*小压差特性。
x 流量调整手柄向左转动,控制流量
增加。

v 调整流量后请朝右方锁紧固定位于
把手端面的锁定用螺丝。
用途:
为了充分发挥湿式电磁阀的特长,
请对T(R)口进行连接配管,以保证
其长期处于满油状态,请勿用旋塞
堵住T(R)口。
c使用4通(路)阀,关闭各口,作为
1通或2通阀使用时,*流量受到
限制,请予以注意。
v请保持液压油清洁(污染度:
NAS12级以内)。
b石油类液压油请选用JIS K 2213的1
种或2种相当品。

n使用难燃性液压油时,请参照本书
D-1。 m请在容许电压范围内使用。
x注意防止T口产生过*容许背压
以上的异常浪涌压力。
叠加阀安装尺寸图结构方式不二越
