BALLUFF超声波传感器巴鲁夫技术说明
和液体介质中进行位置探测或目标。它们以非接触方式检查目标是否存在并清点其数量。对于正在寻找不受颜色和表面特征影响的通用型传感器的客户来说,它*是理想的解决方案。即使环境中存在雾气、灰尘或污物,这款拥有不同输出信号的高性能设备也不会受到影响。依靠高分辨率与小盲区,它们随时都可确保极高的精度。
特点耐化学品的巴鲁夫超声波传
它们的高分辨率和小盲区保证了极高精度。由于探测范围大,即使较大的目标距离也能自如应对。
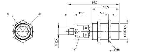
巴鲁夫超声波传感器可根据不同的输出信号进行区分。通过开关式和模拟式两种规格,
它既能可靠地探测、清点目标,又能
准确地判断距离。这就保证了多样化的应用可行性。
另一项优势:通过不同的输出功能,我们的超声波传感器还可作为常闭触点或常开触点使用。
置及目标感器在正常压力下以及*6 bar压下以非接触方式测量储液罐和容器中的液位。结合开关量和模拟量输出,您甚至可同时进行液位测量和溢出保护。明显优势:PTFE隔膜和不锈钢外壳在所有应用中保护传感器不受腐蚀性液体的侵害。
可在固体、粉状和液体介质中探测位置及识别目标
以非接触方式检查是否存在并清点目标数量!
不受颜色和表面特性影响
分辨率高,盲区小,因此精度极
带数字量输出的超声波传感器用于测量液位、高度和垂度。对于正在寻找不受颜色和表面特征影响的通用型传感器的客户来说,它*是理想的解决方案。依靠高分辨率、小盲区和远作用距离,它们随时都可确保极高的精度。视个性化要求而定,我们可为您提供拥有不同电压输出、电流输出和额外配备开关量输出的其他型号产品。
可在固体、粉状和液体介质中探测位
以非接触方式检查目标是否存在并清点计数
运行不受影响和表面特性影响
分辨率高,盲区小,因此精度极高
模拟量输出 它们以非接触方式测量料位、高度或垂度,检查存在性和清点目标数量。用途广泛,它们可与颜色和表面特征无关地工作。不受强反射的透明目标影响。雾气、灰尘或污垢也不成问题。
即使较小的目标也能探测
六面体和圆柱形结构带来更多的 设计自由度
特点带模拟量输出的超声波传感器用于在固定、粉状
*重要的优势
非接触探测
能够在恶劣环境中可靠运行,例如污浊、灰尘 或雾气环境
不受目标的颜色、透明度、反射性 以及表面特征影响
BALLUFF超声波传感器巴鲁夫技术说明

