德国AVENTICS圆形气缸安沃驰简介
重量 见下表
ENTICS 安沃驰的全面气动计划为搬运技术的几乎所有可能的功能提供了充分的解决方案。得益于我们产品始终如一的高品质以及高精度的精密传感器技术,精心设计的匹配部件实现了*的气动解决方案。
缸尺寸小实现了简洁和紧凑的机器设计。RTC 系列基于三种不同强度的变体:负载高、力矩和定位非常,速度范围。
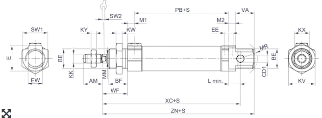
标准 ISO 6432
压力露点必须至少低于环境和介质温度 15 °C ,并且允许 的*温度为 3 °C 。
压缩空气的油含量必须在整个使用寿命中保持不变。
只可使用经过 AVENTICS 公司许可的油。详细信息请参见文档“技术信息”(MediaCentre 中获取)。
压缩空气连接 内螺纹
工作压力范围 2 ... 10 bar
*低 / *环境温度 -25 ... 80 °C
介质温度范围 -25 ... 80 °C
宽气缸管子 种高性能的导向滑块是许多搬运系统的理想基础。行程长度和行程位置可以沿导向滑块装置的整个长度进行可变设置 – 两侧都具有极大的安装灵活性。其非常低的高度以及从一侧进行通风的方案,提高了它们的集成能力。 不锈钢
活塞杆 不锈钢
MSC 系列的微型滑块非常紧凑,只需少量安装空间,并且能可靠地确保系统所需的动态质量。得益于的缓冲系统,它们在低磨损时能提供极高的扭矩和负载吸收的*刚度。在三侧提供压力的方案确保了安装过程中极大的灵活性,而可变行程设置可以在各个尺寸内达到不同的行程。
活塞 黄铜, 铝材
介质 压缩空气
KP 系列气缸尤其适合在重视空间的机器环境中需要移动重负载的应用中使用。它们具有内置气动缓冲并提供坚固、*的导向性能以及*的重复精度。
颗粒大小 max. 50 µm
压缩空气中的含油量 0 ... 5 mg/m³
确定活塞推力的压力 6.3 bar
除了单纯的功能方面,模块化和易于安装的单个部件是我们能提供的额外功能。使用在线配置器,易于组合 (Easy-2-Combine) - *完成一个组合!
前端盖板 铝材, 阳极氧化处理
后盖 铝材, 阳极氧化处理
密封 丙烯树胶 聚氨酯
锁紧环螺母 钢, 镀锌
用于活塞杆的特殊螺母 钢, 镀锌
防尘圈 聚氨酯TC 系列的紧凑设计和功能提供全新的应用方案。椭圆形活塞可承受比圆形活塞更高的负载和力矩。滑块和活塞作为单个单元意味着高耐用性和高可靠性。高耐用性、气
德国AVENTICS圆形气缸安沃驰简介
