SGD-02AP现货

发布时间:2020-10-15

上海泽旭自动化设备有限公司,经销安川伺服,变频器,变频器 PLC,IGBT,张力控制器磁粉离合器
上海泽旭自动化设备有限公司 承接安川 PLC编程程序代写
上海泽旭自动化设备有限公司 承接安川伺服,变频器,变频器 PLC维修业务

zxwt201014

SGD-02AP现货

四、变频器参数设置(以主起升为例,其他作为参考) 参数 名称 设定值 说明 A1-02 选择控制模式 3 带PG矢量控制 A1-03 初始化 0 按出厂时的两线制程序控制 b1-01 选择频率指令 3 选购卡 b1-02 选择运行指令 3 选购卡 b1-03 选择停止方法 0 C1-01 加速时间1 2 C1-02 减速时间1 1.8 d1-17 点动频率 10 E1-01 设定输入电压 400 E2-01 电机额定电流 151A 电机铭牌电流参数 L3-04 选择减速中的失速防止功能 0 空载时进行旋转型自学(参照说明书) 参数 名称 设定值 说明 T1-01 选择自学模式 1 停止型 T1-02 电机功率 75kw 电机铭牌数据 T1-03 电机电压 380V 电机铭牌数据 T1-04 电机额定电流 151A 电机铭牌数据 T1-05 电机基频 50HZ T1-06 电机极数 8 电机铭牌数据 T1-07 电机转速 720r/min 电机铭牌数据 T1-08 自学时的脉冲数 600 频率指令: 参数。
 上海泽旭关键词: 安川变频器H1000系列 机电气控制系统
摘要:本文通过详细阐述安川H1000系列的重载高性能变频器在门座起重机电气系统调速的应用,希望给同行工作中有所启发。

SGD-02AP现货


  摘要:门座起重机械作为企业厂矿、海口码头装卸货物的机械产品,在企业提高生产效率发挥着重要作用,门座起重机械电气系统控制调速以前多采用定子调压、转子切换电阻调速等类型的调速方式,这些调速方式相对投入经费不大,但线路繁琐,电机机械特性较软而且故障率高,调速效果差 ,能耗高,效率低。随着电子技术日益发展,起重机械调速控制无论在安全可靠性、控制*性等方面大大提高。本文通过详细阐述安川H1000系列的重载高性能变频器在门座起重机电气系统调速的应用,希望给同行工作中有所启发。

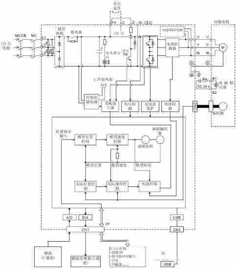
一、 系统概述

图片1.jpg

变频器和制动单元

   本机的电气系统主要包括:主起升机构、副起升机构、旋转机构、变幅机构和大车运行机构 ,以及电源系统、载速、行程保护、控制系统、照明、讯响和电缆卷筒等组成。

SGD-02AP现货

  主起升机构、副起升机构、旋转机构、变幅机构和大车运行机构采用全变频控制调速,由于机构动作工艺要求,考虑主起升机构、副起升机构和大车行走机构采用一套变频器控制;旋转机构、变幅机构采用一台变频器控制,变频器输出各机构电源采用接触器隔离供给。各机构电器设备配置如下:

上一篇:西门子模块6ES71324HB1...
下一篇:黄石塑料车库导水板黄石屋面塑料导...