力士乐CDT3系列拉杆型油缸,特征说明

特征
根据拉杆原理安装缸头
易于维修服务的模块系统
安装尺寸小
多样的安装方式
标准化易于互换
针对不同工业或项目,可特制油缸
• 安装尺寸按 ISO 6020/2, DIN 24554 和 NF/ISO 6020/2
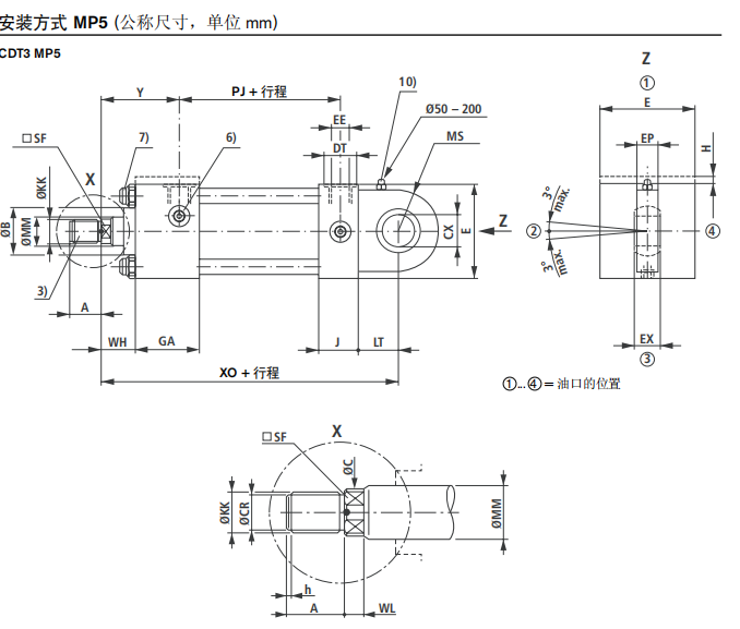
• 13 种安装方式
• 活塞直径 25 至 200 mm
• 活塞杆直径 12 至 140 mm
• 行程长度至 2700 mm
*低压力:
为了保证液压缸的功能,根据具体应用,要求一定的*低压
力。在无负载时,对单杆液压缸的*低压力为 10 bar。
在更低的压力和双杆液压缸时,请询问。
液压缸安装:
只允许在无压力的情况下,进行液压缸的安装,以及将活塞
杆端拧入机器零件或吊环头。
活塞杆:
活塞杆的材料标准化地采用的是镀硬铬的、淬硬的、拥有高
弹性值的钢。这种材料保证拥有高抗机械冲击的性能和*
的使用寿命。
对比 ISO / DIN / NF
• ISO 6020/2 中包括 12 种安装方式
• DIN 24 554 中包括 5 种安装方式
• NF/ISO 6020-2 中包括 12 种安装方式
安装方式 ISO
安装方式 DIN / ISO
• 按 ISO, DIN 和 NF E 的安装方式 MP5, ME5, ME6, MT4 和
MS2 可互换。
• 除单杆液压缸 CD.. 外,在这个系列中还提供有双杆液压缸
CG.. 。
螺纹端直径小于活塞杆直径,因此受到保护。
• 集成式导向套筒用于快捷的保养工作
• 自调式或可调式终端缓冲可任选
• 拥有的安全放气阀用于简单安全的放气
• 由于缸头和缸底上的油口位置可自由选择,所以装配方便


力士乐CDT3系列拉杆型油缸,特征说明