海万三相机床冷却泵 厂家促销JCB-22TH,JCB-45TH,AB-200TH三相机床冷却泵 , 冷却泵无锡厂家,:HAIWAN海万,质保一年。
一、简介
本系列电泵由封闭自冷的三相异步电动机和单级离心泵合为一体的*电泵。其分为AB、AOB、AYB、DB、YSB、JCB系列。具有能耗低、
效率高、体积小、重量轻、噪音低、流量大、扬程高、防护等级高、运行平稳及安全可靠等特点。
广泛应用于机床、机械或其他设备输送循环冷却液(冷却液多为肥皂水、苏打水、乳化液、轻矿物油和其它无严重腐蚀性的液体)。
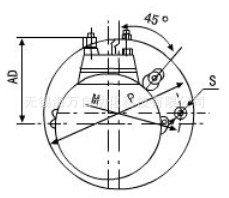
二、型号、尺寸图、参数

AB系列:
单位:毫米
| 型号 | H | L | t | P | M | N | S | AD | S1 | S2 |
| AB-12 | 150 | 280 | 4 | 120 | 105 | 100 | 6 | 70 |
M20*1.5 或(or) M16*1.5 |
G3/8" |
| AB-25 | 170 | 320 | 5 | 6 | G1/2" | |||||
| AB-50 | G3/4" | |||||||||
| AB-100 | 250 | 445 | 6 | 200 | 180 | 170 | 103 | G1" | ||
| AB-200 | 480 | G11/4" |
JCB系列:

单位:毫米
| 型号 | H | L | t | P | M | S | AD | S1 | S2 |
| JCB-22 | 80-200 | 400 | 8 |
M20*1.5 或(or) M16*1.5 |
G1/2" | ||||
| JCB-45 | G3/4" |
| 技术参数: | |||||||||||||||||||||||||||||||||||||||||||||||||||||||||||||||||||||||||||||||||||||||||||||||||||||||||||||||||||||||||||||||||||||||||||||||||||||||||||||||||||||
|
注*为中扬程冷却泵
三、机床冷却泵主要特点
1.电泵整体由铝合金制成,重量轻,经久耐用。
2.选用全封闭轴承,润滑脂,运转平稳。
3.叶轮装有*橡胶密封圈,采用特殊设计,能有效防止液体流入电机内部。
4.电动泵可输送具有一定粘度的液体(如油等)。目的:主要用于润湿系统、燃油输送和润滑供应。适用于70℃,也适用于所有机械设备润滑稀油、干油集中润滑供油装置、配油阀、连接管件和机床等输送*循环冷却剂的设备。
机床水泵冷却泵
5.冷却剂泵首先过滤过滤器中的冷却剂,除去冷却剂中的杂质,然后对冷却剂进行加压,将加压冷却剂输送到具有内部冷却功能的工具上。刀具产生的芯片也会随冷却剂返回水箱,这是冷却剂的整个循环过程。
6.理想的冷却剂是它不含任何固体杂质,但在实际使用中,冷却剂将不可避免地与切屑混合,特别是在铸铁和塑料零件与粉末屑的加工中。*,冷却剂中的杂质将通过刀具的冷却孔作用于切削区域,因此杂质也会被反复加工。杂质体积越大,冷却液在整个循环中重复切割的杂质就越多,刀具的磨损和工件的加工效果就会越明显,这与过滤器的过滤功能密切相关。