2线连接WAGO 8通道数字量输出模块

附件型号
型号 210-112
型号 210-113
型号 210-114
使用简介
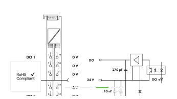
双导线数字输出模块提供 8 个宽度刚好为 12 mm(0.47 英寸)的通道。
它将来自自动化设备的二进制控制信号传输到连接的执行器(如磁力阀、接触器、发送器、继电器或其他电气负载)。
该模块具有笼式弹簧接线单元,可以直接插入实心导线。
绿色LED指示器显示每个通道的开关状态。
每个输出通道信号与总线通过光电耦合器电隔离。
要使用带有 2.5 mm 刀片(210-719)的操作工具打开 S型笼式弹簧接线单元。
技术参数
数字量输出数量8
通道数量(模块)8
信号类型
信号电压类型DC 24 V
执行器接口8 x(2线)
输出特性高谐振触发每通道输出电流0.5 A输出电流短路保护开关频率max。 1 kHz负载类型阻性,感性,灯输出(内部)数据宽度(*)8位系统电压5 VDC;通过数据触点电流消耗,系统电源20 mA现场侧电压24 VDC(-25…+30%);电流消耗,现场电流(模块无负载电流)15 mA隔离500 V系统/接通指示灯LED(1-8)绿色:DO 1…DO 8状态输入电源跨接点数量2外部电源跨接触点数量2电源跨接点的载流量10 A
技术安装尺寸


万可模块型号
| 750-461 万可 |
| 750-600 |
| 750-531 |
| 750-402 |
| 750-614 |
| 750-333 |
| 750-514 |
| 750-556 |
| 750-456 |
| 750-337 |
| 750- |
接线参数
连接技术:输入/输出16 x直插型笼式弹簧连接技术
接线方式(1)输入/输出
单股导线0.08…1.5mm²/ 28…16 AWG
细多股导线0.25…1.5mm²/ 22…16 AWG
剥线长度8…9 mm / 0.31…0.35英寸
几何数据
宽度12毫米/0.472英寸
高度100毫米/3.937英寸
高度69毫米/2.717英寸
从DIN-35导轨上边缘开始的长度61.8毫米/ 2.433英寸
机械参数
安装类型DIN-35导轨
接插式连接器no
材料参数
外壳材料聚碳酸酯6.6
燃烧负荷1.164 MJ
重量46.3 g
标记CE
环境要求
工作环境温度(运行时)0…55°C
工作环境温度(存储)-40…85°C
防护等级IP20
污染等级(5)2,符合IEC 61131-2
有效高度0…2000 m
安装位置水平(立式/卧式),垂直
相对空气湿度(无结露)95%
抗振动4g符合IEC 60068-2-6
抗冲击15g符合IEC 60068-2-27
EMV-抗干扰性符合EN 61000-6-2,船舶应用
EMC:-辐射干扰符合EN 61000-6-3,船舶应用
符合IEC 60068-2-42和IEC 60068-2-43
相对湿度75%10 ppm时允许的H2S污染物浓度
相对湿度75%时允许的SO2污染物浓度
2线连接WAGO 8通道数字量输出模块