SMC 油压缸CHD2FFA40B-240-M9BL
CH2系列 单双缸作用


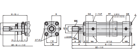
采用缓冲密封圈的方式的缓冲功能降低行程末端的冲击耐久性强
杆侧缸盖是易于分解、组合的构造
带磁性开关(CHD2系列:CHD2E、CHD2EW、CHD2F、CHD2FW、
CHD2G、CHD2H)
内置磁环 D 内置磁环
系列形式 F 缸筒材质:不锈钢;公称压力:7MPa
安装形式 FA 杆侧长方形法兰型
缸径 40 缸径 40mm
杆径尺寸系列 B B 系列杆径
气缸行程 240 240
气缸追记号 - 无杆端螺母,无防护套,两侧带缓冲(X2967:无缓冲)
通口和缓冲阀位置 - 通口:上;缓冲阀:右
磁性开关型号 M9BL 无触点磁性开关, 直接出线式, 带指示灯, 2线式, 横引出, 导线长3m, 适用电压:DC24V(DC10~28V)
磁性开关个数 - 2个 或 无
订制规格 - 标准

SMC 油压缸CHD2FFA40B-240-M9BL
CH2系列 单双缸作用