原装进口德国BURKERT宝德0331P电磁阀

两位三通电磁阀,带转动衔铁和手动开关
直动式,快速安装在过程阀上
响应快
适用于中性气体和压缩空气
即使在无润滑条件下也具有较长的使用寿命

产品特性
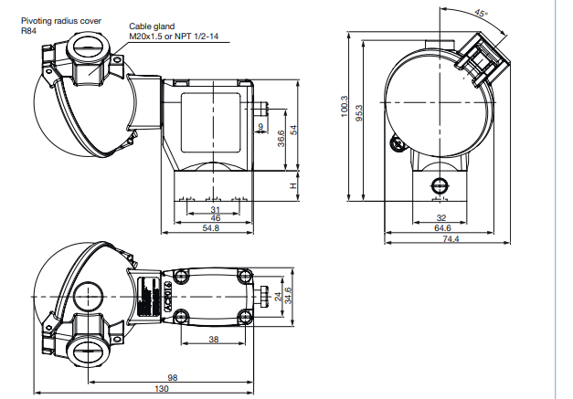
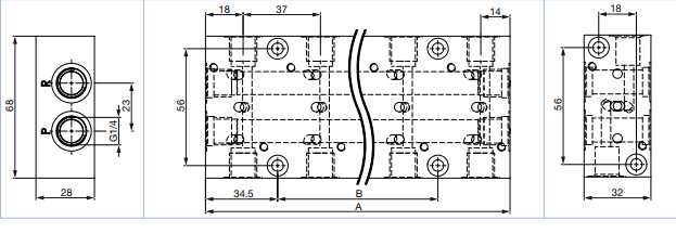
尺寸详细信息可在“ 4.章节”中找到。尺寸”(第6页)。
材料
密封件EDPM / FKM / FFKM / NBR
身体黄铜
不锈钢(1.4401)
PP(聚丙烯)
PVDF(聚偏二氟乙烯)
窥视
材料电阻有关更多详细信息,请参见我们的电阻表“ 3.1。耐化学性
图表–第5页的“Bürkert抵抗应用程序”
重量金属机身0.47公斤
胶体0.40公斤
公称直径DN 2…DN 4
电磁铁的隔热等级
线圈
H
性能数据

占空比
含黄铜和不锈钢100%
对于8 W版本,在30分钟内使用PP和PVDF 40%占空比(60%间歇运行)
5 W版本的100%占空比
对于8 W版本,在30分钟内具有PEEK 60%占空比(40%间歇运行)
*限度。循环率
(防爆版)
介质温度高达+70°C:20 / min
介质温度高达+90°C:5 / min
切换时间1.)标准版
关闭:40毫秒
电气数据
电压容差±10%
块安装使用降低的占空比或5 W线圈
耗电量标准
交流电涌入频率:30 VA
保持:15 VA
保持:8 W


率DC冷:11 W
暖:8瓦
功耗脉冲(浪涌)
交流频率开路:8…15 ms
交流频率保持频率:20 VA
保持:11 W
频率DC冷:11 W
暖:8瓦
功耗防爆版
交流/直流电涌入频率:40 W
保持:3 W
电压等级
标准版本24 V 50 Hz; 110 V 50赫兹; 230 V 50赫兹,120 V 60赫兹; 240 V 60 Hz,12 V直流;直流24 V
(根据要求提供更多电压)
防爆版本24 V,230 V(可根据要求提供其他电压)
结束:8…15毫秒
直流频率开放时间:10…20毫秒
关闭:10…20毫秒
开关时间1.)防爆
版本
孔口2…4开启时间:30毫秒

0331阀是一种直接作用,介质分离的枢轴电枢阀。它可提供2/2和3/2方式。作为3/2方式的变体,可以使用作为分配器或混合阀。根据实际应用,可以使用各种隔膜材料和电路功能。标准黄铜身体符合所有欧洲饮用水要求。不锈钢(316L),PVDF和聚丙烯阀体完善了产品。电磁线圈是用耐化学腐蚀的环氧树脂模制而成。由于线圈系统是分开的
通过隔膜从介质中取出,该阀门特别适合于关键介质,例如侵蚀性酸和碱液。 0331配备手册覆盖以用于启动和测试。为了减少能源需求,所有线圈可以通过电子功率降低或脉冲形式交付。开关状态可以通过位置反馈指示为二进制或NAMUR信号。结合DIN EN 175301-803形式A的插头,组合时,阀门的防护等级达到IP65 / 67和NEMA 4X带不锈钢或塑料阀体。


原装进口德国BURKERT宝德0331P电磁阀