一、概述
美国皮尔逊(Pearson Electronics)1958年便开始设计和生产监测变压器,经过几十年的发展,产品广泛应用于美国军工、医疗、航空等领域,一直服役于极其复杂的瞬间信号和一些频率周期性信号环境下,奠定了它,高品质的要求。
宽带电流互感器,国内也称电流传感器或电流测试环,电流互感器的运行情况相当于2次侧短路的变压器,忽略励磁电流,安匝数相等I1N1=I2N2 ,电流互感器一次绕组电流I1与二次绕组I2的电流比,叫实际电流比I1/I2=N2/N1=k。
二、技术参数
灵敏度
0.1V/A ±1%
输出阻抗
50Ω
峰值电流
5000A
有效值电流
50A
下降率
0.1%/ms
上升时间
20ns
安秒积
0.2A▪s
低频带宽-3dB
1Hz
高频带宽-3dB
20MHz
电流频率比
0.6
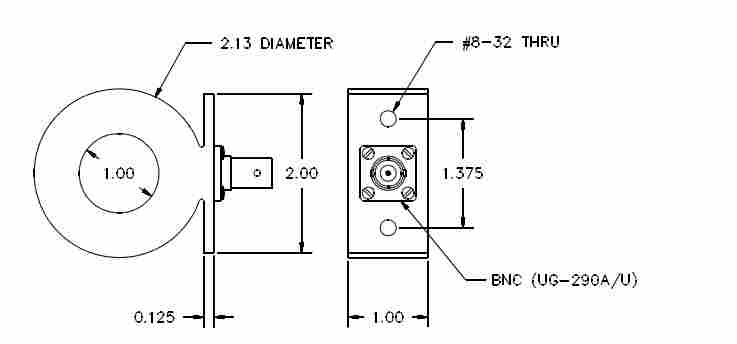
输出接口
BNC
