
气缸型号CAC3-L2-H0Y-40-75选型详情及其特点:
夹紧气缸
夹紧气缸
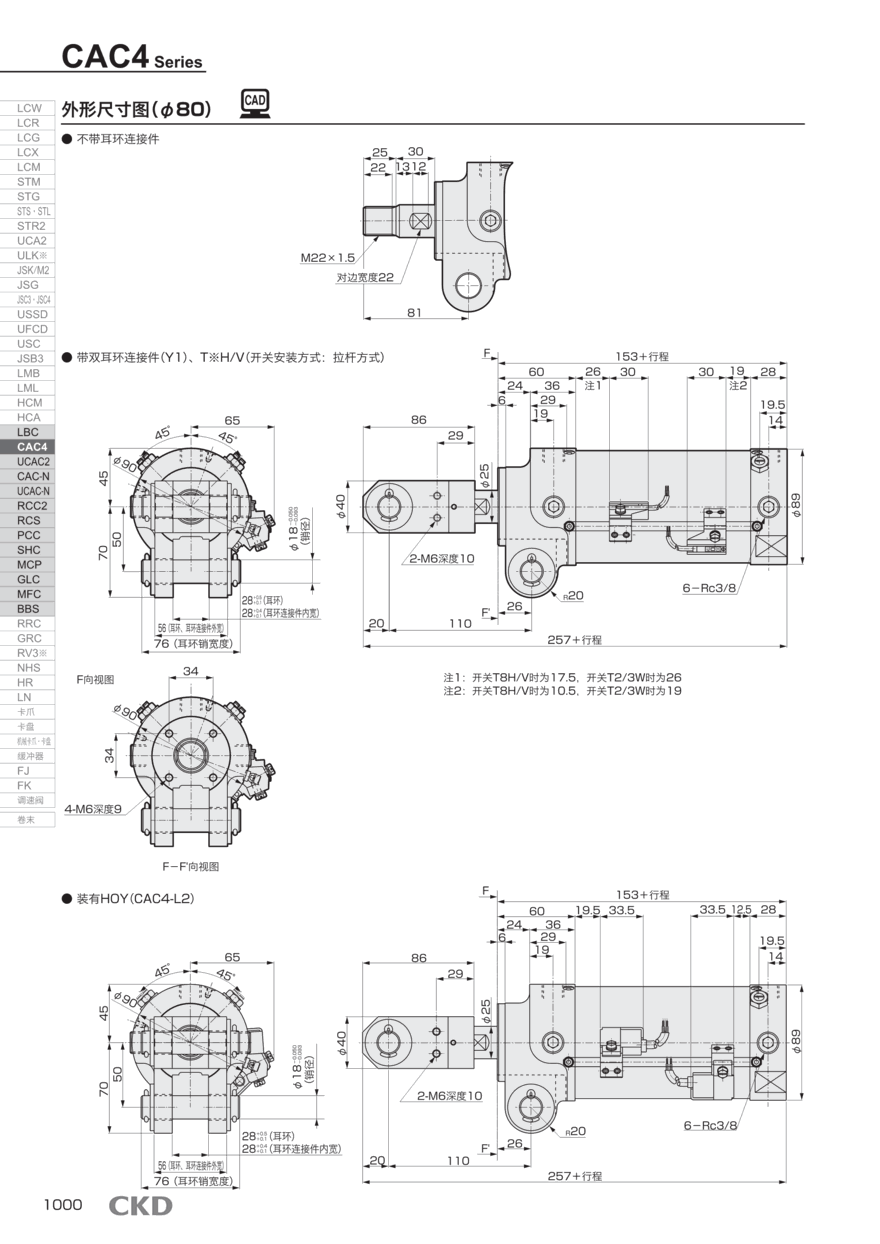
型号CAC4
采用耳环安装,连接件类及带夹紧部件可作为选择项选择的夹紧气缸。
产品种类可选择防焊渣附着型(G4)、带强磁场用气缸开关。
行业夹紧
【可选择的开关安装方式】
可选择拉杆安装方式和束带安装方式。
【开关安装位置一目了然】
束带安装方式在开关导轨上做了*灵敏度位置安装用标记,可大幅缩短行程端的开关位置设定时间。(双色显示式、强磁场用除外)
【开关的旋转移动自由】
不用改变束带固定部的位置,仅通过旋松固定螺钉,即可使开关导轨朝圆周方向自由地旋转移动。
【防止固定螺钉脱落】
在束带内侧安装防滑橡胶。
CAC4 双作用·单活塞杆型 Φ40, Φ50, Φ63, Φ80 50, 75, 100, 150
CAC4-G4 双作用?防焊渣附着型 Φ40, Φ50, Φ63, Φ80 50, 75, 100, 150
有关日本CKDCAC3-L2-H0Y-40-75微型气缸的更多数据资料参考:
小型轻量,
全长减少25%,重量减少
27%
*导轨式磁性开关安装支架
D-M9□型兼容(可直接安装)
规格与现有产品CJ2相同系列。
顾名思义,二位阀将处于两个位置,打开或关闭。对于 5 通 2 位阀,两个输出口始终处于相反的模式。当一个接收进气时,另一个排出空气。。
关于气缸开关的使用方法
3.2.1通用事项
1)
磁场环境
在周围存在强磁场.大电流(大磁铁、点焊机等)的环境中,请使用强磁场开关。带开关气缸并排靠
近安装的时候、或磁性体在离气缸很近的地方移动的时候,可能会产生相互干扰而影响检测精度。
2)
导线的配线
请注意导线上不能有重复的弯曲应力和张力。
可动部请使用有耐曲性的机械手用电线。
3)使用温度
不能在高温(过60C的场合)使用。
根据磁性部品、电子部品的温度特性,请避免在高温环境下使用。
4)中间位置检测
将气缸开关设定为行程中间位置,并且在活塞通过时驱动负荷的情况下,如果速度过快,CAC3-L2-H0Y-40-75气缸开关虽
然也会动作,但是要注意由于动作时间短,有时也会无法对负荷作出响应。
可检测的*活塞速度:V
V(mm/s) =一
气缸开关动作范围(mm)
负荷的动作时间(s)
气缸开关的动作范围请参照第7页的第4)项中表的*小值。
关于冲击
气缸搬运以及开关安装调整的时候,请不要使其承受过大的冲击。。
CKD自创立以来,作为自动化技术先锋,时刻掌握时代需求,开发研究出各种商品。现在的商品阵容已多达数十万种,活跃于广泛的产业领域。CKD正利用自身的综合技术实力,与客户一起着手于创*商品制造。活用广泛的技术和先端技术,广泛的技术领域以及丰富的商品系列阵容。下图(1-3)是CKD产品CAC3-L2-H0Y-40-75的选型资料和配置方式:
单作用夹紧气缸的一个缺点是由于相反的弹簧力,整个行程的输出力不一致。此外,由于压缩弹簧占用的空间和弹簧长度的可用性,单作用夹紧气缸的行程可能会受到限制。因此,单作用夹紧气缸的结构长度比其实际行程长。
在双作用夹紧气缸CAC3-L2-H0Y-40-75中,空气被供应到活塞两侧的腔室。一侧较高的气压可以将活塞驱动到另一侧。双作用夹紧气缸是常见的类型,因为它们可以让用户完全控制。
单作用CAC3-L2-H0Y-40-75夹紧气缸也可以使用压缩弹簧机构进行修改,该机构插入夹紧气缸的末端和活塞的相对于压缩空气进入的一侧之间。该系统的工作方式与标准类似,但在释放压缩空气后,活塞被弹簧压回夹紧气缸末端的原始位置。该系统用于涉及重载荷的重复线性运动,需要更大的压缩空气力才能完成其任务。
更多关于CAC气缸CAC3-L2-H0Y-40-75同系列产品的选型型号资料如下:
SMD2系列级安装气缸(SMD2-L-DA-16~) SMD2-L-DA-16-10-K0H3-D
SMD2系列级安装气缸(SMD2-ML~) SMD2-ML-10-10-K2H-D
SMD2系列级安装气缸(SMD2-L-DA-6~) SMD2-L-DA-6-10-K2V-D
SMD2系列级安装气缸(SMD2-L-DA-6~) SMD2-L-DA-6-5
SMD2系列级安装气缸(SMD2-L-DA-6~) SMD2-L-DA-6-5-K2H-D
SMD2系列级安装气缸(SMD2-L-DB~) SMD2-L-DB-25-100-K2H-D
SMD2系列级安装气缸(SMD2-X~) SMD2-X-DB-16-15
SMD2系列级安装气缸(SMD2-ML~) SMD2-ML-6-25-K2V3-D
SMD2系列级安装气缸(SMD2-DA~) SMD2-DA-10-5
SMD2系列级安装气缸(SMD2-ML~) SMD2-ML-10-15-K0H3-D
SMD2系列级安装气缸(SMD2-Y~) SMD2-Y-DA-10-5
SMD2系列级安装气缸(SMD2-ML~) SMD2-ML-6-5
SMD2系列级安装气缸(SMD2-Y~) SMD2-Y-DA-20-15
SMD2系列级安装气缸(SMD2-L-DA-16~) SMD2-L-DA-16-10-K3V-D
SMD2系列级安装气缸(SMD2-F~) SMD2-F-DA-16-30
SMD2系列级安装气缸(SMD2-M~) SMD2-M-6-5
SMD2系列级安装气缸(SMD2-YL~) SMD2-YL-DA-10-10-K0H-D
SMD2系列级安装气缸(SMD2-L-DA-16~) SMD2-L-DA-16-15-K0V-R
SMD2系列级安装气缸(SMD2-L-DA-16~) SMD2-L-DA-16-5-K2H3-D
SMD2系列级安装气缸(SMD2-L-DA-10~) SMD2-L-DA-10-15-K2V3-D
SMD2系列级安装气缸(SMD2-L-DA-10~) SMD2-L-DA-10-30-K3V-D
SMD2系列级安装气缸(SMD2-L-DA-20~) SMD2-L-DA-20-10-K3H-R
SMD2系列级安装气缸(SMD2-L-DC~) SMD2-L-DC-20-40-K2H3-D
SMD2系列级安装气缸(SMD2-L-DA-25~) SMD2-L-DA-25-40-K0H3-D
SMD2系列级安装气缸(SMD2-L-DA-10~) SMD2-L-DA-10-35-K3H-D
SMD2系列级安装气缸(SMD2-M~) SMD2-M-32-50
SMD2系列级安装气缸(SMD2-L-DA-10~) SMD2-L-DA-10-5-K3H-H
SMD2系列级安装气缸(SMD2-L-DA-6~) SMD2-L-DA-6-60
SMD2系列级安装气缸(SMD2-L-DC~) SMD2-L-DC-32-25-K0H-D
SMD2系列级安装气缸(SMD2-L-DA-20~) SMD2-L-DA-20-25-K0V-R
SMD2系列级安装气缸(SMD2-L-DA-25~) SMD2-L-DA-25-15-K2V3-R
SMD2系列级安装气缸(SMD2-L-DA-6~) SMD2-L-DA-6-45
SMD2系列级安装气缸(SMD2-L-DC~) SMD2-L-DC-32-25-K0H-D
SMD2系列级安装气缸(SMD2-Y~) SMD2-Y-16K
SMD2系列级安装气缸(SMD2-L-DA-32~) SMD2-L-DA-32-10-K0H3-R
SMD2系列级安装气缸(SMD2-L-DB~) SMD2-L-DB-25-25-K2H-H
SMD2系列级安装气缸(SMD2-L-DA-10~) SMD2-L-DA-10-25-K0V-R
SMD2系列级贴装气缸(SMD2-16K~) SMD2-16K
SMD2系列级安装气缸(SMD2-L-DA-32~) SMD2-L-DA-32-30-K3H3-D
SMD2系列级安装气缸(SMD2-L-DA-20~) SMD2-L-DA-20-40-K0V5-D
SMD2系列级安装气缸(SMD2-L-DA-6~) SMD2-L-DA-6-10-K2YH-R
SMD2系列级安装气缸(SMD2-L-DB~) SMD2-L-DB-16-15-K0H-D
SMD2系列级安装气缸(SMD2-L-DA-10~) SMD2-L-DA-10-40-K0H-D
SMD2系列级安装气缸(SMD2-ML~) SMD2-ML-20-15-K0H3-D
SMD2系列级安装气缸(SMD2-L-DB~) SMD2-L-DB-10-60-K0H3-D
SMD2系列级安装气缸(SMD2-ML~) SMD2-ML-6-15-K0H-D
SMD2系列级安装气缸(SMD2-ML~) SMD2-ML-20-20-K0H-D
SMD2系列级安装气缸(SMD2-L-DA-6~) SMD2-L-DA-6-10-K0H-D
SMD2系列级安装气缸(SMD2-L-DB~) SMD2-L-DB-25-50-K2H-D
SMD2系列级安装气缸(SMD2-DC~) SMD2-DC-16-20
SMD2系列级安装气缸(SMD2-L-DB~) SMD2-L-DB-25-50-K0H3-R
SMD2系列级安装气缸(SMD2-L-DC~) SMD2-L-DC-16-30-K2V-D
SMD2系列级安装气缸(SMD2-L-DA-20~) SMD2-L-DA-20-10-K0H-R
SMD2系列级安装气缸(SMD2-L-DA-25~) SMD2-L-DA-25-15
SMD2系列级安装气缸(SMD2-L-DB~) SMD2-L-DB-10-10
SMD2系列级安装气缸(SMD2-L-DA-20~) SMD2-L-DA-20-15-K2V3-R
SMD2系列级安装气缸(SMD2-ML~) SMD2-ML-6-30-K3H-R