
回转夹紧气缸SCG-CB-100B-380-Y图片资料及其特点:
带线性导轨气缸
线性滑台气缸
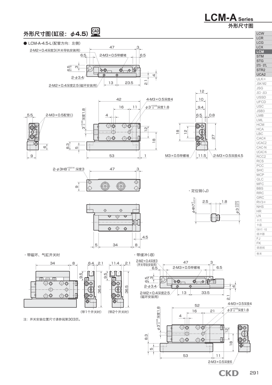
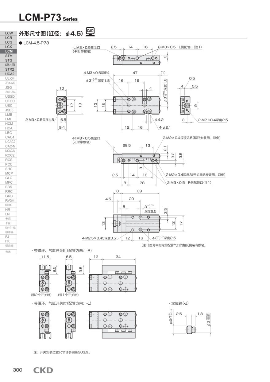
型号LCM
极限小型化规格,兼具高精度和高刚性的线性滑台气缸。
【*适用于高精度定位】
具有移动平行度0.005mm、安装平行度0.03mm的高精度。
*适用于定位。
注:LCM-6、8的行程30为0.006mm。
【小型化的极限追求】
实现了气缸缸体、线性导轨、滑台的一体化,追求小型、紧凑化的极限。
狭小空间中也可安装,因此提高了配置的自由度。
【工件可双面安装】
工件可通过预设的安装孔,直接安装至滑台的上面和正面。
气缸缸体和滑台采用具有耐腐蚀性的不锈钢。
【强耐负荷的设计】
采用4点接触的线性导轨,可应对各方向的负荷
LCM 双作用·单活塞杆型 Φ4.5, Φ6 ,Φ8 5, 10, 15, 20, 30
LCMーP 双作用?伸出行程可调型 Φ4.5, Φ6, Φ8 5, 10, 15, 20, 30
LCMーR 双作用?伸缩行程可调型 Φ4.5, Φ6, Φ8 5, 10, 15, 20, 30
LCMーA 双作用?侧面安装型 Φ4.5, Φ6, Φ8 5, 10, 15, 20, 30
LCMーP73 双作用?单活塞杆型 洁净规格 Φ4.5, Φ6, Φ8 5, 10, 15, 20, 30
有关日本CKDSCG-CB-100B-380-Y微型气缸的更多数据资料参考:
回转缸气缸规格
以下是订购气缸时要检查的一些规格
缸孔
活塞杆直径
行程
安装方式
压力范围
大压力下的力输出
缓冲(在气缸的一端或两端)
标准工作温度
应用
单作用气缸用于简单的应用
双作用气缸用于复杂和重载应用
单作用气缸仅产生一个方向的力
双作用气缸用于在两个方向上都需要高力的地方。
2 杆 'B' 延伸移动杆 'A' 部分向前;当杆“A”完全伸出时,到达位置 。
所有 D2 系列拉杆型气缸均采用铝制组件和配有 PTFE 耐磨带的磁性活塞;所有拉杆型气缸都有一个磁性活塞,可与固态或簧片开关一起用于杆位置感测。
该系列包括从 1-1/2 到 4 英寸的孔径和从 1 到 32 英寸的冲程长度,以满足广泛的应用。型号具有法兰、后 U 形夹和后枢轴、侧面、底座和杆 U 形夹安装选项。。
CKD自创立以来,作为自动化技术先锋,时刻掌握时代需求,开发研究出各种商品。现在的商品阵容已多达数十万种,活跃于广泛的产业领域。CKD正利用自身的综合技术实力,与客户一起着手于创*商品制造。活用广泛的技术和先端技术,广泛的技术领域以及丰富的商品系列阵容。下图(1-3)是CKD产品SCG-CB-100B-380-Y的选型资料和配置方式:
拉杆型气缸产生的应力较小,并且没有行程末端弹跳或端盖砰击,这是拉杆型气缸磨损、缓慢和噪音的主要来源。因此,理想的缓冲可以延长拉杆型气缸的使用寿命并减少与拉杆型气缸故障相关的停机时间。此外,它还可以降低机器噪音和振动,同时降低能耗。。
在具有更高活塞速度或更强力的较大拉杆型气缸中,可以通过在终端位置捕获一定体积的空气来实现减震。在冲程结束时,空气将被压缩以产生破碎效果。为此,节流单向阀直接安装在拉杆型气缸的端部端口上。这允许加压空气自由流入,同时允许用调节螺钉调节排气口的面积。这种缓冲方法是无磨损的,并提供佳的缓冲性能。根据工作压力和拉杆型气缸力,需要调整拉杆型气缸上的螺杆设置以获得理想的缓冲。过多的缓冲会导致行程缓慢,而过少的缓冲会增加行程结束时的冲击。。
无杆拉杆型气缸常见的应用是包装、印刷、汽车、切割、材料转移、组装、机器人和电子制造。它们用于纺织和陶瓷、测试和检验、食品和饮料生产以及制药和化学品等行业。。
更多关于气缸SCG-CB-100B-380-Y同系列产品的选型型号资料如下:
SCG系列拉杆油缸(SCG-00~) SCG-00-100B-500-Y
SCG系列拉杆油缸(SCG-FB~) SCG-FB-50B-150
SCG系列拉杆油缸(SCG-TC~) SCG-TC-40B-400-T0H-D-YB4
SCG系列拉杆油缸(SCG-FA~) SCG-FA-40B-100-T0H5-D
SCG系列拉杆油缸(SCG-FA~) SCG-FA-63B-350-T0H-D-I
SCG系列拉杆油缸(SCG-T2YV5~) SCG-T2YV5-80
SCG系列拉杆油缸(SCG-Q~) SCG-Q-TC-40B-188-R-T0H5-D-Y
SCG系列拉杆油缸(SCG-LB~) SCG-LB-40B-600
SCG系列拉杆油缸(SCG-FB~) SCG-FB-40B-150-T0H3-D
SCG系列拉杆油缸(SCG-00~) SCG-00-50B-280-T0H3-D-Y
SCG系列拉杆油缸(SCG-TC~) SCG-TC-50B-450
SCG系列拉杆油缸(SCG-T2YH3~) SCG-T2YH3-50
SCG系列拉杆油缸(SCG-FA~) SCG-FA-100B-600-T2H-D
SCG系列拉杆油缸(SCG-CB~) SCG-CB-63B-75-T0H-H-Y
SCG系列拉杆油缸(SCG-T3WH5~) SCG-T3WH5-100
SCG系列拉杆油缸(SCG-T2JH3~) SCG-T2JH3-32
SCG系列拉杆油缸(SCG-CB~) SCG-CB-40B-50-T2H3-H-YB3
SCG系列拉杆油缸(SCG-TC~) SCG-TC-50B-75-T2H-D-JYB4
SCG系列拉杆油缸(SCG-00~) SCG-00-32B-160
SCG系列拉杆油缸(SCG-TC~) SCG-TC-40B-500-T2H-H-IB4
SCG系列拉杆油缸(SCG-TC~) SCG-TC-50B-75-T2H-D-JYB4
SCG系列拉杆油缸(SCG-TC~) SCG-TC-50B-600
SCG系列拉杆油缸(SCG-00~) SCG-00-32B-300
SCG系列拉杆油缸(SCG-TC~) SCG-TC-63D-75-B4
SCG系列拉杆油缸(SCG-LB~) SCG-LB-50B-300-T2H5-D
SCG系列拉杆油缸(SCG-LB~) SCG-LB-80B-600-T0H-D-JY
SCG系列拉杆油缸(SCG-CB~) SCG-CB-50B-200-T2H3-D-YB3
SCG系列拉杆油缸(SCG-TA~) SCG-TA-50B-50-T0H-H-YB4
SCG系列拉杆油缸(SCG-TA~) SCG-TA-63B-60-Y
SCG系列拉杆油缸(SCG-M~) SCG-M-LB-32B-600
SCG系列拉杆油缸(SCG-CA~) SCG-CA-80B-480-T0H-D-IB2
SCG系列拉杆油缸(SCG-CB~) SCG-CB-100B-250-Y
SCG系列拉杆油缸(SCG-LB~) SCG-LB-32B-400-T2H5-D
SCG系列拉杆油缸(SCG-FA~) SCG-FA-40B-100-T3H3-T
SCG系列拉杆油缸(SCG-LB~) SCG-LB-100B-700
SCG系列拉杆油缸(SCG-FA~) SCG-FA-50B-100-T0H3-D
SCG系列拉杆油缸(SCG-TC~) SCG-TC-63B-100-T0H-D-YB4
SCG系列拉杆油缸(SCG-FB~) SCG-FB-63B-50-T0H-D-YB3
SCG系列拉杆油缸(SCG-CB~) SCG-CB-80B-200-T0H3-D-YB1
SCG系列拉杆油缸(SCG-D~) SCG-D-FA-80B-175-T2H3-T
SCG系列拉杆油缸(SCG-T2YV3~) SCG-T2YV3-50
SCG系列拉杆油缸(SCG-FB~) SCG-FB-40B-50-T2YH-D
SCG系列拉杆油缸(SCG-00~) SCG-00-63B-250-Y
SCG系列拉杆油缸(SCG-LB~) SCG-LB-40B-150-J
SCG系列拉杆油缸(SCG-CA~) SCG-CA-32B-400
SCG系列拉杆油缸(SCG-CA~) SCG-CA-100
SCG系列拉杆油缸(SCG-LB~) SCG-LB-32B-250-T2H-D
SCG系列拉杆油缸(SCG-FA~) SCG-FA-50B-500-T2YH3-H-J
SCG系列拉杆油缸(SCG-FB~) SCG-FB-80B-50-T2H3-D
SCG系列拉杆油缸(SCG-FA~) SCG-FA-63B-25-T0H3-D
SCG系列拉杆油缸(SCG-T2YLV~) SCG-T2YLV-40
SCG系列拉杆油缸(SCG-M~) SCG-M-FA-50D-400-T0H-D
SCG系列拉杆油缸(SCG-CB~) SCG-CB-63B-150-T0H-D-B1
SCG系列拉杆油缸(SCG-CB~) SCG-CB-50B-30
SCG系列拉杆油缸(SCG-CB~) SCG-CB-63B-75-T2YH5-D-B1
SCG系列拉杆油缸(SCG-FA~) SCG-FA-32B-50-T2YH-R
SCG系列拉杆油缸(SCG-00~) SCG-00-32B-125-T0H-D