
摆动气缸JSC3-T2V-100产品报价资料及其特点:
带制动带锁定气缸
带制动器气缸
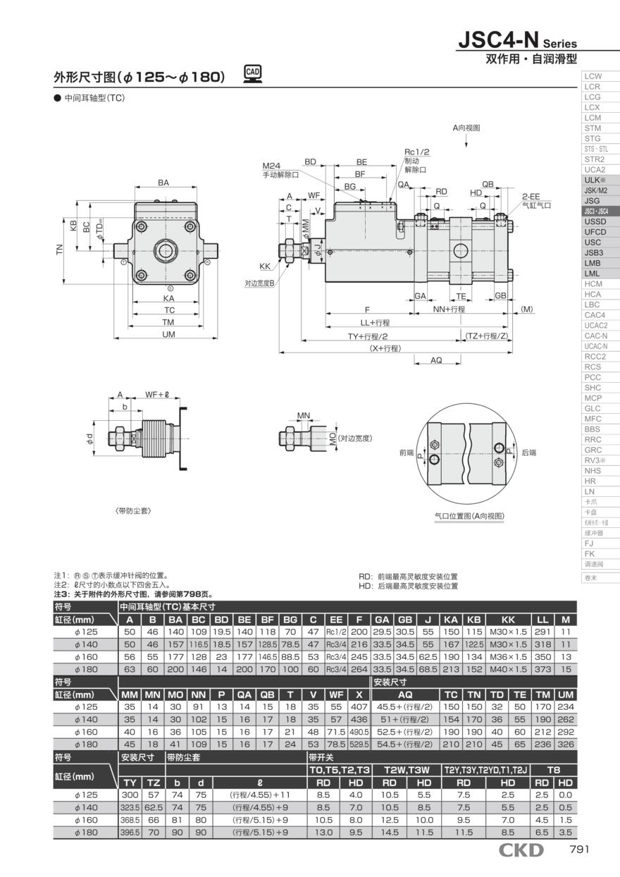
型号JSC3/JSC4
在通用型气缸中的中口径(φ40?φ100)系列(SCA2)和大口径(φ125?φ180)系列(SCS2)上附带高可靠性制动器的带制动器气缸。
行业安全
【高可靠性的制动器结构】
采用有丰富业绩支持的中口径、大口径气缸的中间停止机构。
【停止精度:±1.0mm】
停止精度较高,在气缸速度300mm/s、空载时为±1.0mm以下。
JSC3 双作用型 Φ40,Φ50,Φ63,Φ80,Φ1OO 50, 75, 100, 150, 200, 250, 300, 350, 400, 450, 500
JSC4-N 双作用型 Φ125,Φ140,Φ160,Φ180 50, 75, 100, 150, 200, 250, 300
JSC4-LN 双作用型?带开关 Φ125,Φ140,Φ160,Φ180 50, 75, 100, 150, 200, 250, 300
JSC3-V 双作用型带制动用阀 Φ40,Φ50,Φ63,Φ80,Φ1OO 50, 75, 100, 150, 200, 250, 300, 350, 400, 450, 500
JSC3-H 双作用?低油压型 Φ40,Φ50,Φ63,Φ80,Φ1OO 50, 75, 100, 150, 200, 250, 300, 350, 400, 450, 500
JSC4-H 双作用?低油压型 Φ125,Φ140,Φ160,Φ180 接单生产品
JSC4-LH 双作用?低液压型?带开关 Φ125,Φ140,Φ160,Φ180 接单生产品
JSC3-T 双作用?耐热型 Φ40,Φ50,Φ63,Φ80,Φ1OO 50, 75, 100, 150, 200, 250, 300, 350, 400, 450, 500
JSC4-T 双作用?耐热型 Φ125,Φ140,Φ160,Φ180 接单生产品
有关日本CKDJSC3-T2V-100微型气缸的更多数据资料参考:
ISO6432圆体气缸
孔径(mm):8、10、12、16、20、25
标准行程可达300毫米
气缸变体:非旋转、直接安装、ATEX。
提供多种阀门切换选项。方向控制阀可以手动切换,但在自动化机器上,电磁阀或气动阀更常见。
电磁阀和气动阀通常使用 12 Vdc、24 Vac/dc 或 120 Vac 电源进行切换。在较大的阀门尺??寸中,气动先导阀的电力效率更高,因为它们切换一个小阀芯,然后操作更大的主阀芯。。
它们使用一系列等距压缩弹簧来提供杆锁驱动力。数十个滚珠轴承将剖分式锥形轴环和活塞分开。活塞在弹簧力的作用下沿着轴环上的斜坡向上移动,并使开口轴环在杆上收缩。施加到活塞另一侧的气压会压缩弹簧以释放对路面的抓地力。。
CKD自创立以来,作为自动化技术先锋,时刻掌握时代需求,开发研究出各种商品。现在的商品阵容已多达数十万种,活跃于广泛的产业领域。CKD正利用自身的综合技术实力,与客户一起着手于创*商品制造。活用广泛的技术和先端技术,广泛的技术领域以及丰富的商品系列阵容。下图(1-3)是CKD产品JSC3-T2V-100的选型资料和配置方式:
许多工业应用在其操作序列期间需要线性运动。实现这一目标的简单且具成本效益的方法是使用气动执行器,通常称为带制动器气缸。执行器是一种将静态动力源转换为有用的输出运动的装置。它还可用于施加力。执行器是典型的机械装置,可以吸收能量并将其转换为某种运动。该运动可以是任何形式,例如阻挡、夹紧或弹出。。
图 1:AutomationDirect NITRA 无杆和有杆带制动器气缸的一些示例:每对中的上部带制动器气缸是无杆的,下部是有杆的; 上对缩回,下对伸出。
在此阶段定义详细的绩效评估,因为团队开始产品、技术和方法,这些产品、技术和方法将导致在预算和时间表的限制内*完成手头的任务。对于许多机器来说,必须有一种方法来执行和监控具有足够功率、速度和精度的线性运动。
本文讨论了在紧凑的空间内实现可靠线性运动的一些注意事项,重点是无杆带制动器气缸。。
初的薄饼带制动器气缸是钻孔的主体设计,如图 1 中的剖视图所示。 除了钻孔主体设计之外,现在还提供圆形和方形设计的传统拉杆/垫片配置的紧凑型带制动器气缸,图2,以及挤压体设计,图 3。。
更多关于气缸JSC3-T2V-100同系列产品的选型型号资料如下:
SCG系列拉杆油缸(SCG-00~) SCG-00-50B-420-T2H3-D-Y
SCG系列拉杆油缸(SCG-CA~) SCG-CA-32B-150-I
SCG系列拉杆油缸(SCG-Q~) SCG-Q-63BK
SCG系列拉杆油缸(SCG-TA~) SCG-TA-32B-250-IB4
SCG系列拉杆油缸(SCG-LB~) SCG-LB-40B-50-T2H3-D
SCG系列拉杆油缸(SCG-TC~) SCG-TC-80B-500-T0H-D-YB4
SCG系列拉杆油缸(SCG-T3WH~) SCG-T3WH-63
SCG系列拉杆油缸(SCG-TC~) SCG-TC-50B-150-T0H5-D-YB4
SCG系列拉杆油缸(SCG-T3V3~) SCG-T3V3-63
SCG系列拉杆油缸(SCG-00~) SCG-00-50B-210-T0H-H
SCG系列拉杆油缸(SCG-LB~) SCG-LB-40B-80-T2H-D
SCG系列拉杆油缸(SCG-TA~) SCG-TA-63B-500-Y
SCG系列拉杆油缸(SCG-CB~) SCG-CB-63B-150-T0H-R-Y
SCG系列拉杆油缸(SCG-CB~) SCG-CB-63B-125-T0H-D-IB1
SCG系列拉杆油缸(SCG-LB~) SCG-LB-32
SCG系列拉杆油缸(SCG-TA~) SCG-TA-100B-150-B4
SCG系列拉杆油缸(SCG-FA~) SCG-FA-40B-420-T0H-D
SCG系列拉杆油缸(SCG-FB~) SCG-FB-50B-100-T0H3-D
SCG系列拉杆油缸(SCG-00~) SCG-00-50B-25-T2H-D
SCG系列拉杆油缸(SCG-Q~) SCG-Q-FB-50B-150-R
SCG系列拉杆油缸(SCG-FA~) SCG-FA-40B-25-T2H3-D
SCG系列拉杆油缸(SCG-CB~) SCG-CB-63B-25-T2H-D
SCG系列拉杆油缸(SCG-CA~) SCG-CA-32B-200-B2
SCG系列拉杆油缸(SCG-LB~) SCG-LB-63B-250
SCG系列拉杆油缸(SCG-FA~) SCG-FA-80B-125-T2H-D
SCG系列拉杆油缸(SCG-T2H5~) SCG-T2H5-80
SCG系列拉杆油缸(SCG-LB~) SCG-LB-50B-500-T0H3-D
SCG系列拉杆油缸(SCG-CB~) SCG-CB-32B-250-T2H3-D-YB3
SCG系列拉杆油缸(SCG-T3YH5~) SCG-T3YH5-40
SCG系列拉杆油缸(SCG-G~) SCG-G-TC-63B-300-T0H-D-Y
SCG系列拉杆油缸(SCG-CA~) SCG-CA-50B-60-T1H-D-B2
SCG系列拉杆油缸(SCG-G~) SCG-G-LB-32B-200-T0H5-T
SCG系列拉杆油缸(SCG-FA~) SCG-FA-50B-550-T0H-T
SCG系列拉杆油缸(SCG-LB~) SCG-LB-32B-200-T2YH-D
SCG系列拉杆油缸(SCG-T2YDT5~) SCG-T2YDT5-40
SCG系列拉杆油缸(SCG-FA~) SCG-FA-63B-200-T2YDT-D
SCG系列拉杆油缸(SCG-CA~) SCG-CA-100B-200-T2YH-R-Y
SCG系列拉杆油缸(SCG-CB~) SCG-CB-40B-100-T8H-D-YB1
SCG系列拉杆油缸(SCG-00~) SCG-00-32B-50-T0H3-4-YB3
SCG系列拉杆油缸(SCG-FA~) SCG-FA-63B-300-T2YDT-D
SCG系列拉杆油缸(SCG-TC~) SCG-TC-63B-100
SCG系列拉杆油缸(SCG-FA~) SCG-FA-40B-300-T2YH-D
SCG系列拉杆油缸(SCG-T3YV5~) SCG-T3YV5-80
SCG系列拉杆油缸(SCG-G3~) SCG-G3-100BK
SCG系列拉杆油缸(SCG-FA~) SCG-FA-50B-175-T2YDT3-D-Y
SCG系列拉杆油缸(SCG-FA~) SCG-FA-100B-650
SCG系列拉杆油缸(SCG-TB~) SCG-TB-80B-75-T0H-R-YB4
SCG系列拉杆油缸(SCG-T8H3~) SCG-T8H3-50
SCG系列拉杆油缸(SCG-T2H5~) SCG-T2H5-40
SCG系列拉杆油缸(SCG-00~) SCG-00-40B-150
SCG系列拉杆油缸(SCG-00~) SCG-00-40B-400-T2H3-H
SCG系列拉杆油缸(SCG-LB~) SCG-LB-100B-75-T0H3-D
SCG系列拉杆油缸(SCG-LB~) SCG-LB-40B-400-T0H-D
SCG系列拉杆油缸(SCG-CB~) SCG-CB-80B-300-YB3
SCG系列拉杆油缸(SCG-CB~) SCG-CB-63B-50-T0H3-D-Y
SCG系列拉杆油缸(SCG-FA~) SCG-FA-100B-600-T0H3-D
SCG系列拉杆油缸(SCG-Q~) SCG-Q-00-63B-350-R-Y