
不锈钢气缸JSC3-T2YDT5-40现货报价及其特点:
带制动带锁定气缸
带制动器气缸
型号JSC3/JSC4
在通用型气缸中的中口径(φ40?φ100)系列(SCA2)和大口径(φ125?φ180)系列(SCS2)上附带高可靠性制动器的带制动器气缸。
行业安全
【高可靠性的制动器结构】
采用有丰富业绩支持的中口径、大口径气缸的中间停止机构。
【停止精度:±1.0mm】
停止精度较高,在气缸速度300mm/s、空载时为±1.0mm以下。
JSC3 双作用型 Φ40,Φ50,Φ63,Φ80,Φ1OO 50, 75, 100, 150, 200, 250, 300, 350, 400, 450, 500
JSC4-N 双作用型 Φ125,Φ140,Φ160,Φ180 50, 75, 100, 150, 200, 250, 300
JSC4-LN 双作用型?带开关 Φ125,Φ140,Φ160,Φ180 50, 75, 100, 150, 200, 250, 300
JSC3-V 双作用型带制动用阀 Φ40,Φ50,Φ63,Φ80,Φ1OO 50, 75, 100, 150, 200, 250, 300, 350, 400, 450, 500
JSC3-H 双作用?低油压型 Φ40,Φ50,Φ63,Φ80,Φ1OO 50, 75, 100, 150, 200, 250, 300, 350, 400, 450, 500
JSC4-H 双作用?低油压型 Φ125,Φ140,Φ160,Φ180 接单生产品
JSC4-LH 双作用?低液压型?带开关 Φ125,Φ140,Φ160,Φ180 接单生产品
JSC3-T 双作用?耐热型 Φ40,Φ50,Φ63,Φ80,Φ1OO 50, 75, 100, 150, 200, 250, 300, 350, 400, 450, 500
JSC4-T 双作用?耐热型 Φ125,Φ140,Φ160,Φ180 接单生产品
有关日本CKDJSC3-T2YDT5-40微型气缸的更多数据资料参考:
134/5000
翻译结果
ISO21287紧凑型气缸
孔径(mm):20、25、32、40、50、63、80、100
标准行程可达150毫米
气缸变体:ATEX。
无杆带制动器气缸比传统带制动器气缸更适合的一个例子是在胶站上。对于这个工作站,胶头需要穿过放在桌子上的平坦纸板,在它移动时输送一滴胶水。。
集成阀门和执行器 (IVAC): IVAC 将一个线性执行器、一个无压盖控制阀和两个簧片或固态开关和速度控制器组合在一个集成产品中。随着能源效率的提高,这也意味着所需的零件数量减少,同时仍保持 ISO 15552 尺寸标准
旋转执行器:双作用,旋转执行器提供角运动或旋转运动,可提供旋转叶片或齿轮齿条版本。无杆带制动器气缸:这种双作用线性带制动器气缸重量轻,强度高,有 8 种孔径。。
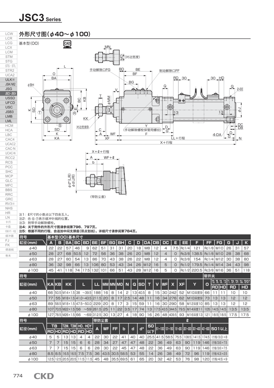
CKD自创立以来,作为自动化技术先锋,时刻掌握时代需求,开发研究出各种商品。现在的商品阵容已多达数十万种,活跃于广泛的产业领域。CKD正利用自身的综合技术实力,与客户一起着手于创*商品制造。活用广泛的技术和先端技术,广泛的技术领域以及丰富的商品系列阵容。下图(1-3)是CKD产品JSC3-T2YDT5-40的选型资料和配置方式:
三个因素,分辨率、线性度和可重复性,决定了 LRT 的准确性。分辨率对笔划敏感——笔划越长,分辨率越低。它通常约为 0.002 至 0.003 英寸。线性度,即输出电压与直线的大偏差,为行程的 ± 1%。机械重复性为 ± 0.001 英寸。因此整体精度约为百分之几英寸。。
活塞和杆的运动,空气从蓝色箭头进入,从灰色箭头流出,活塞和杆在空气进入(蓝色箭头)和空气流出(灰色箭头)时的运动。左图显示带有正室 (A) 的正运动,而右图显示负运动和负室 (B)
带制动器气缸直径是带制动器气缸的内径或活塞的直径。行程长度标识活塞/活塞杆可以移动多远。带制动器气缸的直径和行程是识别带制动器气缸的两个重要属性。
AutomationDirect-Table-2-Pneumatic-Actuator-options速度也是一个重要的设计要求,需要考虑的变量很多。要查看一些经验法则,请查看在线应用程序,例如 AutomationDirect 的 交互式理论速度表,以帮助定义所需的带制动器气缸孔、系统压力和管道。。
更多关于气缸JSC3-T2YDT5-40同系列产品的选型型号资料如下:
SCG系列拉杆油缸(SCG-CB~) SCG-CB-50B-35-T2H3-D-YB1
SCG系列拉杆油缸(SCG-LB~) SCG-LB-40B-300-T0H-D-Y
SCG系列拉杆油缸(SCG-FA~) SCG-FA-50B-340-Y
SCG系列拉杆油缸(SCG-CA~) SCG-CA-50B-200-T2YH-R-Y
SCG系列拉杆油缸(SCG-FA~) SCG-FA-100B-50
SCG系列拉杆油缸(SCG-CA~) SCG-CA-63B-400-Y
SCG系列拉杆油缸(SCG-CB~) SCG-CB-63B-100-Y
SCG系列拉杆油缸(SCG-TC~) SCG-TC-63B-100-T0H-D-B4
SCG系列拉杆油缸(SCG-FA~) SCG-FA-50B-50
SCG系列拉杆油缸(SCG-LB~) SCG-LB-63B-75-JY
SCG系列拉杆油缸(SCG-TC~) SCG-TC-50B-100-T2H-D
SCG系列拉杆油缸(SCG-00~) SCG-00-63B-400
SCG系列拉杆油缸(SCG-T0H5~) SCG-T0H5-80
SCG系列拉杆油缸(SCG-M~) SCG-M-FB-50B-350-T2YH-D
SCG系列拉杆油缸(SCG-FA~) SCG-FA-100B-380-T0H3-D
SCG系列拉杆油缸(SCG-CB~) SCG-CB-80B-100-Y
SCG系列拉杆油缸(SCG-TC~) SCG-TC-80B-100-IB4
SCG系列拉杆油缸(SCG-TA~) SCG-TA-80B-700
SCG系列拉杆油缸(SCG-T8V3~) SCG-T8V3-50
SCG系列拉杆油缸(SCG-T2WV~) SCG-T2WV-40
SCG系列拉杆油缸(SCG-FA~) SCG-FA-63B-200-T2YH3-D
SCG系列拉杆油缸(SCG-CB~) SCG-CB-80B-550-T0H-D-B1
SCG系列拉杆油缸(SCG-LB~) SCG-LB-40B-500-T2H3-D
SCG系列拉杆油缸(SCG-FB~) SCG-FB-80B-100-T0H5-D
SCG系列拉杆油缸(SCG-CA~) SCG-CA-50B-250-T0H-D-YB2
SCG系列拉杆油缸(SCG-TC~) SCG-TC-50B-250-T0V3-D-YB4
SCG系列拉杆油缸(SCG-T2V3~) SCG-T2V3-63
SCG系列拉杆油缸(SCG-TC~) SCG-TC-50B-250-T0H-D-YB4
SCG系列拉杆油缸(SCG-T2YV~) SCG-T2YV-80
SCG系列拉杆油缸(SCG-M~) SCG-M-00-32B-100-T3H-H
SCG系列拉杆油缸(SCG-CA~) SCG-CA-63B-155-T0H-H
SCG系列拉杆油缸(SCG-FA~) SCG-FA-63B-450-T0H3-D
SCG系列拉杆油缸(SCG-TC~) SCG-TC-32B-150-T3H-D-YB3
SCG系列拉杆油缸(SCG-M~) SCG-M-FB-63B-200-T0H-D
SCG系列拉杆油缸(SCG-CB~) SCG-CB-40B-150-T1H-D-B3
SCG系列拉杆油缸(SCG-CA~) SCG-CA-63B-75-Y
SCG系列拉杆油缸(SCG-T2YV5~) SCG-T2YV5-80
SCG系列拉杆油缸(SCG-T3YLV~) SCG-T3YLV-50
SCG系列拉杆油缸(SCG-CB~) SCG-CB-40B-100-T0H3-D-YB1
SCG系列拉杆油缸(SCG-TC~) SCG-TC-50B-100-B4
SCG系列拉杆油缸(SCG-00~) SCG-00-32B-40
SCG系列拉杆油缸(SCG-T2YLV~) SCG-T2YLV-100
SCG系列拉杆油缸(SCG-B1~) SCG-B1-63
SCG系列拉杆油缸(SCG-FA~) SCG-FA-40B-390-T8H-D
SCG系列拉杆油缸(SCG-FA~) SCG-FA-100B-500
SCG系列拉杆油缸(SCG-Q~) SCG-Q-FA-63B-200-R
SCG系列拉杆油缸(SCG-FA~) SCG-FA-50B-75-T0H-D
SCG系列拉杆油缸(SCG-00~) SCG-00-80B-125-J
SCG系列拉杆油缸(SCG-FA~) SCG-FA-100B-200
SCG系列拉杆油缸(SCG-FA~) SCG-FA-50B-150-T2H-D-Y
SCG系列拉杆油缸(SCG-TC~) SCG-TC-80B-100-T3YH3-D-B4
SCG系列拉杆油缸(SCG-TC~) SCG-TC-80B-125
SCG系列拉杆油缸(SCG-M~) SCG-M-FA-40B-400-T2H-D-I
SCG系列拉杆油缸(SCG-FB~) SCG-FB-32B-125-T0H-D
SCG系列拉杆油缸(SCG-T2YD~) SCG-T2YD-80
SCG系列拉杆油缸(SCG-FA~) SCG-FA-32
SCG系列拉杆油缸(SCG-00~) SCG-00-63B-500-T2H3-D