
标准气缸STK-32-10-N11P4快速供货及其特点:
省空间型气缸
止动气缸
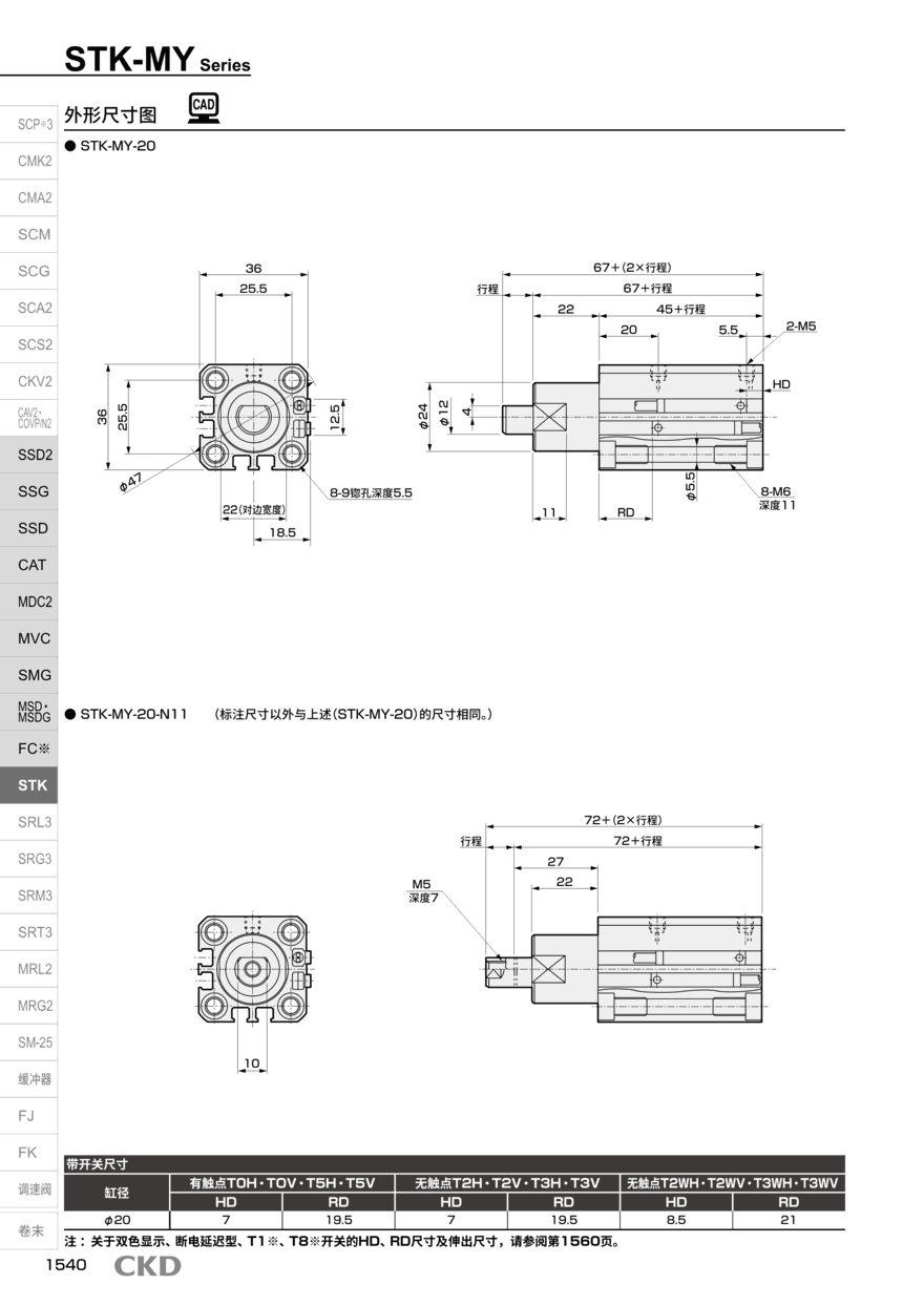
型号STK
用于向活塞杆施加横向负荷等用途的耐横向负荷性优异的方形、省空间气缸。*适用于搬送生产线的停止功能。
【高负荷用设计】
采用比普通活塞杆径大一级的粗活塞杆。
加宽了轴套活塞杆方向的宽度,强化了轴承部。
【3种动作方式】
备有双作用型、单作用加压缩回型、双作用带弹簧型3种。
【杆端形状可选】
备有圆杆型、倒角型、滚子型3种。
也可选择端面带螺纹孔的内螺纹型(选择项)。
【直接安装】
可使用内六角螺栓直接安装。
有螺纹旋入和贯穿螺栓2种安装方式。
STK 双作用·杆端圆杆型 Φ20, Φ32, Φ40, Φ50 10, 15, 20, 25, 30
STK‐Y 单作用?加压缩回型?杆端圆杆型 Φ20, Φ32, Φ40, Φ50 10, 15, 20, 25, 30
STK‐Y1 双作用?带弹簧型?杆端圆杆型 Φ20, Φ32, Φ40, Φ50 10, 15, 20, 25, 30
STK‐M 双作用·杆端倒角型 Φ20, Φ32, Φ40, Φ50 10, 15, 20, 25, 30
STK-MY 单作用?加压缩回型?杆端倒角型 Φ20, Φ32, Φ40, Φ50 10, 15, 20, 25, 30
STK-MY1 双作用?带弹簧型?杆端倒角型 Φ20, Φ32, Φ40, Φ50 10, 15, 20, 25, 30
STK-JY 单作用?加压缩回型?杆端滚子型 Φ20, Φ32, Φ40, Φ50 10, 15, 20, 25, 30
STK-JY1 双作用·带弹簧型·杆端滚子型 Φ20, Φ32, Φ40, Φ50 10, 15, 20, 25, 30
气缸的拆封
1)请确认订单的产品型号和产品标牌的MODEL栏的型号相同。
2)请确认外 观没有损伤。
3)为了防止异物从配管端口中进入气缸内部,请将气缸带防尘密封保存。
请在进行配管作业时再取下防尘密封。
2.关于安装的事项
2.1关于安装
1)气缸 使用的环境温度为- 10~ 60°C (但不能冻结)。
2)对于尘埃比较多的场所,请使用带防尘罩的气缸。
3)请注意STK-32-10-N11P4气缸缸筒在和物体相碰后会歪斜,而导致动作不良。
4)支承零件安装要 点
支承零件以单件形式随产品附带时,请参照本页的支承零件安装要领图来装配。另外,轴销形(TC.
TA.TB)气缸安装轴销后出货。。
CKD自创立以来,作为自动化技术先锋,时刻掌握时代需求,开发研究出各种商品。现在的商品阵容已多达数十万种,活跃于广泛的产业领域。CKD正利用自身的综合技术实力,与客户一起着手于创*商品制造。活用广泛的技术和先端技术,广泛的技术领域以及丰富的商品系列阵容。图下是CKD产品STK-32-10-N11P4的选型资料和配置方式:
传感器电子设备产生的短电流脉冲沿着连接到波导的导体传播。当电流和磁铁产生的磁场相互作用时,它会在波导中产生扭转应变。这种机械波会传回电子设备中的信号转换器,并用于确定位置——一切都在几微秒内完成。它经过校准,可产生完全收缩的 0 V 电压和完全伸展的 10 V 电压。。
一些单作用气缸使用重力、重量、机械运动或外部安装的弹簧来为回程提供动力,尽管这些设计不太常见。相比之下,双作用气缸具有两个端口,可提供压缩空气以延伸和缩回活塞杆。双作用设计在整个行业中更为典型,估计有 95% 的应用使这种气缸类型。但是,在某些应用中,在单作用气缸中,设计可以是“基位减”带弹簧复位,或“基位加”带弹簧伸展。这取决于压缩空气是用于为外冲程还是内冲程提供动力。
如果确定将使用标准类型的气缸而不是无杆气缸或特殊类型,那么在知道气缸的孔径和行程的情况下,确定安装、杆和螺纹的尺寸,如果缓冲需要(对于高速应用,不用于停止大量负载),停止油管(与液压缸相比没有那么多问题),内置限位开关等。许多变量和特殊功能可以容纳在一个气缸应用。