
标准气缸STK-MY-20-20-T2H3-D-N11配置详情及其特点:
省空间型气缸
止动气缸
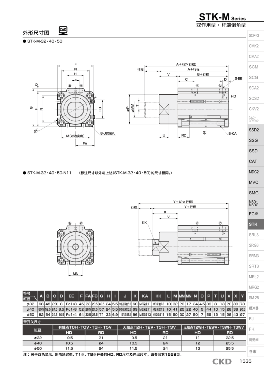
型号STK
用于向活塞杆施加横向负荷等用途的耐横向负荷性优异的方形、省空间气缸。*适用于搬送生产线的停止功能。
【高负荷用设计】
采用比普通活塞杆径大一级的粗活塞杆。
加宽了轴套活塞杆方向的宽度,强化了轴承部。
【3种动作方式】
备有双作用型、单作用加压缩回型、双作用带弹簧型3种。
【杆端形状可选】
备有圆杆型、倒角型、滚子型3种。
也可选择端面带螺纹孔的内螺纹型(选择项)。
【直接安装】
可使用内六角螺栓直接安装。
有螺纹旋入和贯穿螺栓2种安装方式。
STK 双作用·杆端圆杆型 Φ20, Φ32, Φ40, Φ50 10, 15, 20, 25, 30
STK‐Y 单作用?加压缩回型?杆端圆杆型 Φ20, Φ32, Φ40, Φ50 10, 15, 20, 25, 30
STK‐Y1 双作用?带弹簧型?杆端圆杆型 Φ20, Φ32, Φ40, Φ50 10, 15, 20, 25, 30
STK‐M 双作用·杆端倒角型 Φ20, Φ32, Φ40, Φ50 10, 15, 20, 25, 30
STK-MY 单作用?加压缩回型?杆端倒角型 Φ20, Φ32, Φ40, Φ50 10, 15, 20, 25, 30
STK-MY1 双作用?带弹簧型?杆端倒角型 Φ20, Φ32, Φ40, Φ50 10, 15, 20, 25, 30
STK-JY 单作用?加压缩回型?杆端滚子型 Φ20, Φ32, Φ40, Φ50 10, 15, 20, 25, 30
STK-JY1 双作用·带弹簧型·杆端滚子型 Φ20, Φ32, Φ40, Φ50 10, 15, 20, 25, 30
双作用带锁
孔径:32,40,50,63,80,100(mm)
行程:25~1000mm
安装:基本、轴向支脚、前后法兰、单双后U形夹
磁性开关可搭配多种引线或预接线连接器。
关于STK-MY-20-20-T2H3-D-N11气缸使用方法的事项
3. 1气缸的使用方法
前端顶出侧的调整缓冲用针阀
1)本气缸的工作压力为0.05~1.0MPa。请在
此压力范围内使用。
2)出厂时缓冲是在无负荷状态下调整的。有负
荷时的缓冲,请用针阀调整。
拧紧针阀(右旋转)缓冲效果好。调整后请
中
拧紧缓冲针阀的螺母。
后端缩回侧的调整缓冲用针阀
另外,当负荷很重高速运转等动能大于7.1气缸规格的容许吸收能量的时候,请考虑其他的缓冲
装置。
3)请安装速度控制器来调整活塞速度。。
CKD自创立以来,作为自动化技术先锋,时刻掌握时代需求,开发研究出各种商品。现在的商品阵容已多达数十万种,活跃于广泛的产业领域。CKD正利用自身的综合技术实力,与客户一起着手于创*商品制造。活用广泛的技术和先端技术,广泛的技术领域以及丰富的商品系列阵容。图下是CKD产品STK-MY-20-20-T2H3-D-N11的选型资料和配置方式:
如果确定将使用标准类型的气缸而不是无杆气缸或特殊类型,那么在已知气缸的孔径和行程的情况下,确定安装、杆和螺纹的尺寸,如果缓冲需要(对于高速应用,不用于停止大量负载),停止油管(与液压缸相比没有那么大的问题),内置限位开关等。许多变量和特殊功能可以容纳在一个气缸应用。。
简单的阀门是2通的,也有4通的阀门(图2)。这些阀门类型通常也通过其端口数量来识别。所有阀门都有一个进气 (P) 端口和一个排气 (A) 或两个排气 (A 和 B) 端口。阀门还可具有一个或多个排气口。一个五通阀可能会增加一些混乱,但它在技术上是一个带有两个排气口的四通阀,标记为 R 和 S,所以 5 通是 P、A、B、R 和 S。两个排气口导致到同一个地方,对大气开放,因此被认为是相同的“方式”。。