上海双旭电子有限公司
试用会员
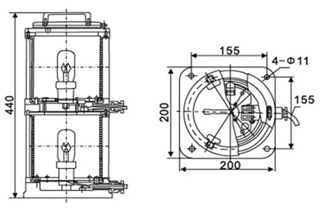
船用航行灯信号灯CXH2-10B
发布时间:2021-10-22
船用航行灯信号灯CXH2-10B
上一篇:
SIEMENS西门子定西市代理商
下一篇:
欢迎访问-常州塑料排水板-常州/...