撕裂控制器工作原理

发布时间:2025-05-08

撕裂控制器工作原理

撕裂控制器XTD-LK-MT

一、产品概述

为矿用本质安全型,适用于煤矿井下有瓦斯、煤尘爆炸性气体环境中,与KXJZ0.2/127煤矿用带输送机保护装置电控箱配套,作皮带输送机皮带撕裂检测保护,也可用于地面、矿山、选煤厂、水泥厂、电厂、港口等皮带输送机配套使用。

三、使用环境条件

1. 海拔高度不过+2000m,不低于-1000m。

2. 环境温度 -5℃~+40℃。

3. 环境相对湿度不大于95%(25℃)时。

4. 含油甲烷爆炸危险性气体的矿井中。

5. 无强烈振动和冲击的环境中。

6. 无破坏金属和腐蚀绝缘材料气体的环境中。

7. 能防止污水及其它有害液体浸入的地方。

四、主要技术参数1. 防爆形式“Exib I”;

2. 触点容量 DC24V,0.2A;

3. 导电橡胶在124mm*124mm的面积上受到重量1500±300克的物料(即:动作值:10g/cm²)时,输出的阻值≤2KΩ;用手压时,输出的阻值≤600Ω;无负荷时输出的阻值>100KΩ;

4. 接点形式:为一常开接点;

5. 关联设备:KXJZ0.2/127煤矿用带式输送机保护装置电控箱。

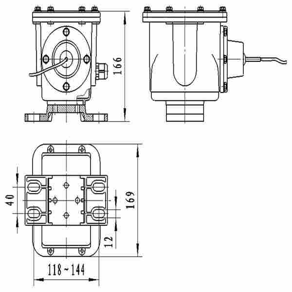
五、工作原理

撕裂传感器由导电板组件和金属固定安装支架两部分组成。胶带输送机正常工作时,传感器送给保护装置的是高阻,当胶带撕裂并洒煤,洒煤量达到一定重量使传感器输出阻值≤2KΩ时,关联设备工作,控制继电器释放,实现保护停机。

六、安装及使用注意事项

1. 传感器连接电缆采用2*0.75或2*1.0的UY型不延燃电缆。

2. 关联设备装于机头磁励启动器附近,应便于操作者观察,传感器与关联设备连接传输线的相接,建议采用一个三通接线盒。

3. 传感器的安装以胶带输送机正常工作时不刮碰为宜,位置应在二组托辊中间偏后(详见安装图1)。

4. 本装置当胶带有下垂的撕边现象时,由于下垂胶带对传感器的刮碰,可能导致保护装置停机。

RHA-GVY10型撕裂传感器

撕裂控制器工作原理

上一篇:锡林郭勒ABB电机经销商-欢迎来...
下一篇:Anthraquinone-2-...