
二通阀M-06-2TT-6-G-DC48V产品资料及其特点:
摆动?旋转型气缸
SELEX摆动气缸叶片型
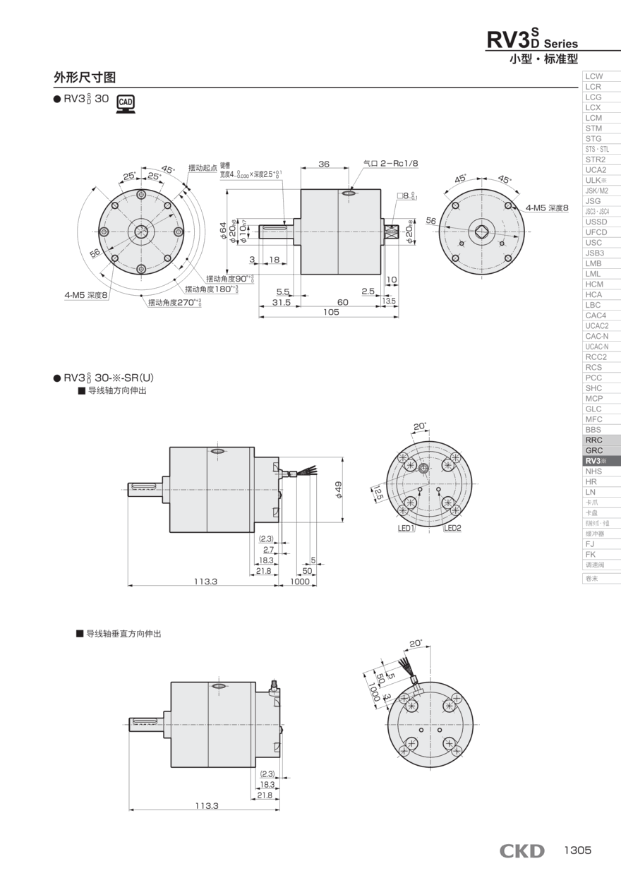
型号RV3※
耐久性优异,可配备开关。扭矩规格丰富的叶片型摆动气缸。
【系列充实】
小型SELEX摆动气缸新增摆动角度270°型,装置设计的自由度更高。
【高扭矩、省空间】
小型SELEX摆动气缸新增双叶片型,实现了高扭矩、省空间。
【使用方便的摆动起点】
摆动起点可选择45°、90°,安装更方便。(尺寸30以上、摆动角度270°除外)
【系列中新增摆动角度可变型】
新增了利用挡块和微调螺钉,可从30°起在*摆动角度范围内自由设定角度的角度调整型,有助于实现机械装置的高精度化。(尺寸1及50以上除外)
【可高温使用】
使用通过空气干燥机抑制了空气湿度的干燥空气时,可在?5?80℃的环境温度范围内使用。(带开关、尺寸30以上除外)
RV3S 小型?标准型单叶片 0.12~3.19 [N?M] 90, 180, 270
RV3D 小型?标准型双叶片 0.27~7.7 [N?M] 90
RV3SV 小型?带阀单叶片?单电控 0.98~3.19 [N?M] 90, 180, 270
RV3SW 小型?带阀单叶片?双电控 0.98~3.19 [N?M] 90, 180, 270
RV3DV 小型?带阀双叶片?单电控 2.11~7.7 [N?M] 90
RV3DW 小型?带阀双叶片?双电控 2.11~7.7 [N?M] 90
RV3SA 小型?角度可变型单叶片 0.31~3.19 [N?M] 180, 270
RV3DA 小型?角度可变型双叶片 0.71~7.70 [N?M] 90
RV3S 大型?标准型单叶片 4.7~102 [N?M] 90, 180, 270, 280
RV3D 大型?标准型双叶片 10.1~206 [N?M] 90, 100
RV3SV 大型?带阀单叶片?单电控 4.7~27.9 [N?M] 90, 180, 270, 280
RV3SW 大型?带阀单叶片?双电控 4.7~27.9 [N?M] 90, 180, 270, 280
RV3DV 大型?带阀双叶片?单电控 10.1~66.6 [N?M] 90, 100
RV3DW 大型?带阀双叶片?双电控 10.1~66.6 [N?M] 90, 100
RV3SH 大型?低油压型单叶片 4.7~102 [N?M] 90, 180, 270, 280
RV3DH 大型?低油压型双叶片 10.1~206 [N?M] 90, 100
RVC 缓冲器 - 90, 100, 180, 270, 280
ISO15552型材车身气缸
孔径(mm):32、40、50、63、80、100、125
行程可达2000毫米
气缸变体:非旋转,带锁定装置,ATEX。
气缸的拆封
1)请确认订单的产品型号和产品标牌的MODEL栏的型号相同。
2)请确认外 观没有损伤。
3)为了防止异物从配管端口中进入气缸内部,请将气缸带防尘密封保存。
请在进行配管作业时再取下防尘密封。
2.关于安装的事项
2.1关于安装
1)气缸 使用的环境温度为- 10~ 60°C (但不能冻结)。
2)对于尘埃比较多的场所,请使用带防尘罩的气缸。
3)请注意M-06-2TT-6-G-DC48V气缸缸筒在和物体相碰后会歪斜,而导致动作不良。
4)支承零件安装要 点
支承零件以单件形式随产品附带时,请参照本页的支承零件安装要领图来装配。另外,轴销形(TC.
TA.TB)气缸安装轴销后出货。。
CKD自创立以来,作为自动化技术先锋,时刻掌握时代需求,开发研究出各种商品。现在的商品阵容已多达数十万种,活跃于广泛的产业领域。CKD正利用自身的综合技术实力,与客户一起着手于创*商品制造。活用广泛的技术和先端技术,广泛的技术领域以及丰富的商品系列阵容。图下是CKD产品M-06-2TT-6-G-DC48V的选型资料和配置方式:
气动机器和系统中的功能安全特性对于在不影响运营效率和生产力的情况下降低受伤风险至关重要。功能安全气动系统的设计人员已采用故障安全机制来检测潜在的危险情况并激活保护或纠正装置,例如气动杆锁,以防止或减少危险事件的后果。。
在双作用气缸M-06-2TT-6-G-DC48V中,空气被供应到活塞两侧的腔室。一侧较高的气压可以将活塞驱动到另一侧。双作用气缸是常见的类型,因为它们可以让用户完全控制。