361RSC-30角行程电子式执行器

结构特点和应用范围
3610R系列角行程电子式电动执行器是以220V交流电源作为驱动电源,接受来自计算机、调节器或操作器的4-20mA d.c.或者1-5Vd.c. 控制信号来运转的全电子式执行机构,机内有伺服系统,无需另配伺服放大器,关键部件控制器采用*的混合集成电路,并用树脂浇铸固化,经老化处理,可靠性高、防潮、防震;采用底座、曲柄方式安装时,曲柄零点的位置可在0~360˚C内任意确定。此外,执行器具有过载保护、温度保护及力矩开关保护三项保护功能,其控制精度高,是具有高可靠性产品,可与各种角行程调节机构组合成角行程电动调节阀。
□型号
类别 | 型号 | 输出力矩N.m | 动作时间s/90˚ | 转角 |
普通型 | 361RSA-02 | 20 | 8.5 | 90° |
361RSA-05 | 50 | 17 | ||
361RSB-10 | 100 | 18 | ||
361RSB-20 | 200 | 36 | ||
361RSC-30 | 300 | 24 | ||
361RSC-50 | 500 | 42 | ||
361RSC-60 | 600 | 48 | ||
361RSD-100 | 1000 | 30 | ||
361RSD-150 | 1500 | 42 | ||
隔爆型 | 361RXB-10 | 100 | 18 | |
361RXB-20 | 200 | 36 |
□技术参数和性能指标
技术参数和性能指标
| 220±10%V a. c. 50Hz | 开度信号 | 4~20mA d.c. | ||
驱动电机 | 交流可逆单相齿轮减速电机 | 控制限位开关 | 开侧、闭侧 | ||
控制信号 | 4-20mA d.c.,1-5V d. c. | 保护等级 | IP55 | ||
转角检测 | 精密导电塑料电位器 | 安装姿式 | 任意 | ||
耗电功率 | A型 | 50VA | 接线口 | 2~PF1/2(普通A、B、C型)、 | |
B型 | 150VA | 配线 | 信号线屏蔽并与电源线隔离 | ||
C型 | 220VA | 防爆标志 | ExdⅡBT4 | ||
D型 | 350VA | 允许环境温度˚C | 普通型不带空间加热器和防爆型 | -10~+60 | |
带空间加热器 | -35~+60 | ||||
分辨率 | <0.4% | 环境气体 | 无腐蚀性气体 | ||
调整范围 | 零点 | ±25% | 允许振动 | 1.5G以下 | |
转角 | 20%~* | 相对湿度 | 普通型95%以下,防爆型45%~85% | ||
性能指标
| 指 标 值 |
基 本 误 差% | ±1.0 |
回 差% | 1.0 |
死 区% | 0.8~1.0 可调到0.4 |
分 辩 率% | <0.4 |
调 节 范 围 | 零点±25%, 转角20%~* |
执行器内部接线图
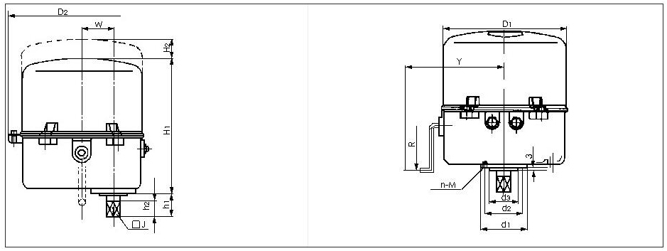
□外形尺寸
角行程电子式电动执行器外形尺寸图 mm

注:表中H2是拆卸护罩所必须的尺寸,R是手动操作所必须的尺寸,在设计安装时应予以考虑。

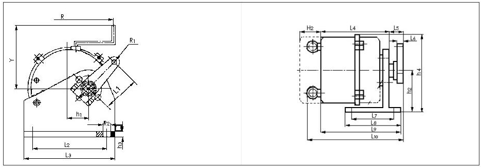
RSA、RSB型带底座、曲柄安装方式尺寸图

注:表中H2是拆卸护罩所必须的尺寸,R是手动操作所必须的尺寸,在设计安装时应予以考虑。
RSC型带底座、曲座安装方式尺寸图 mm

注:表中H2是拆卸护罩所必须的尺寸,R是手动操作所必须的尺寸,在设计安装时应予以考虑。

RSD型带底座、曲柄安装方式尺寸图 mm

注:表中H2是拆卸护罩所必须的尺寸,R是手动操作所必须的尺寸,在设计安装时应予以考虑。


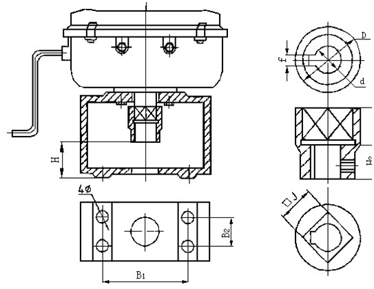
支架配套表
角行程执行器与蝶阀直接连接的支架和连接套如图所示,您在配套阀门时,应按阀门的允许压差计算出推力并要保证执行器输出力大于阀门开关时所需的力,表中配套蝶阀口径仅供参考。

