摘要:本文介绍银基后勤办公区电力监控系统,采用智能电力仪表、采集配电现场的各种电参量和开关信号。系统采用现场就地组网的方式,组网后通过光纤通讯并远传至后台,通过Acrel-2000型电力监控系统实现配电室配电回路用电的实时监控和管理
关键词;智能电力仪表;Acrel-2000;电力监控系统;
0 概述
随着社会经济发展、生产自动化程度的提高、劳动力的解放和生活质量的改善,大量电能驱动设备投入到生产、生活中,人们对电力的依赖程度越来越高。供电的可靠性、连续性已经成为整个社会关心的重要问题。由于供电系统具有产生和消费同时发生的特殊性,对整个供电过程进行有效的监控,是保证供电可靠性和连续性的重要手段。
银基后勤办公区电力监控系统共有1个配电室。
本次项目主要涉及银基后勤办公区配电室内的网络多功能仪表、微机保护、直流屏等设备,监控主机位于1层的值班室。
1 需求分析
为保证生产管理用电负荷的统计与分析及对危险源实时监控。需要对项目现场的配电室中进线及出线回路进行电压、电流、功率等参数进行实时在线监控。一旦监控点被监视参数异常,能够及时检测报警,有关人员采取必要的措施,避免安全事故的发生。自动抄表功能节省了人力物力,功率趋势曲线功能能够直观的显示各回路的工作状态与时间,方便用户找出非正常用电回路并且及时进行整改,建立电能多级计量体系提供用能分析依据。
2 系统方案
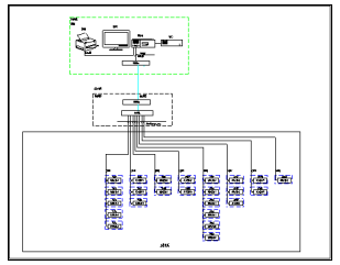
安科瑞Acrel-2000系统根据银基后勤办公区电力监控系统现场实际情况,整体网络结构采用屏蔽双绞线直接接至数据采集器然后将数据上至配电室的监控主机,保障了电力监控系统传输的稳定性与实时性。
1)站控管理层
站控管理层针对电力监控系统的管理人员,是人机交互的直接窗口。在银基后勤办公区电力监控系统工程中主要指置于地下一层配电室的监控主机。
2)网络通讯层
通讯层主要是由采集器、以太网设备及总线网络组成。串口服务器主要功能是监测现场智能仪表;以太网设备及总线网络的主要功能是实现分站与主站之间的数据交互,使配电系统管理集中化、信息化、智能化,提高了配电系统的安全性、可靠性和稳定性,真正达到了无人值守的目的。
3)现场设备层
现场设备层是数据采集终端,主要由智能仪表组成,智能仪表通过屏蔽双绞线RS485接口,采用MODBUS通讯协议总线型连接接入通讯服务器,经通讯服务器到达该配电间监控主机进行组网,实现远程控制。
系统结构图

3 系统功能
变电所实时监控系统图为主监控画面,主要实时监测变电所所有回路的运行状态,红色代表合闸,绿色代表分闸。在系统图中可以直观的看到每路进线和出线的运行参数和状态,可以看到变压器出线侧的所有常规电力参数,如:三相电压、电流、有功功率、无功功率、功率因数、频率、有功电度等。如下图所:

一次系统图
遥信和遥测报警功能,主要完成对低压各出线回路的开关运行状态和负载进线监控,对开关变位和负载越限弹出报警界面指示具体的报警位置并声音报警,提醒值班人员及时处理。负载越限值在相应权限下可自由设置。
事件告警记录功能,主要完成对查询时间段内出现的报警信息事件记录以及发生时间,为值班人员提供依据并且分析事故发生的原因,如下图所示:
报警功能实时查询
参数抄表功能,主要对低压各出线回路的电参数进线查询。支持任意时刻电参数查询,具备数据导出和报表打印等功能。该报表查询银基后勤办公区电力监控系统配电室进出线各低压回路的电参数,主要包括:三相电流、有功功率和有功电度。该报表各回路名称和数据库关联,方便用户修改回路名称。如下图所示:

电参数抄表
用电量报表功能,可选择时间段进行查询,支持任意时间段电度累计查询,具备数据导出和报表打印等功能。为值班人员提供了可靠的电能报表。该报表各回路名称和数据库关联,方便用户修改回路名称。如下图所示,用户可以直接打印报表,可以以EXCEL格式另存到其他位置。 如下图所示:

电能报表
系统通讯结构示意图,主要显示系统的组网结构,系统采用分层分布式结构,同时监测间隔层设备的通信状态。红色表示通讯正常,绿色表示通讯故障。下图为变电所通讯状态示意图。

通讯结构示意图
4 结束语
在当今配电设施的应用中,项目的配电安全性至关重要,本文介绍的Acrel-2000电力监控系统在银基后勤办公区的应用,可以实现对配电室供配电回路用电的实时监控,不仅能显示回路用电状况,还具有网络通讯功能,可以与串口服务器、计算机等组成电力监控系统。系统实现对采集数据的分析、处理,实时显示配电室内各配电回路的运行状态,对负载越限具有弹出报警对话框、语音提示,并生成各种电能报表、分析曲线、图形等,便于电能的远程抄表以及分析、研究,该系统运行安全、可靠、稳定,为商业广场项目解决用电问题提供了真实可靠的依据,取得了较好的企业效益。
参考文献:
[1]《电力电测数字仪表原理与应用指南》, 任致程、周中,电力出版社
[2]《电力监控系统在供配电设计中的应用》,高士宏,科技风[3]《电力监控运用于10kv供配电设计》,姚强,科技天地