相关应用FESTO气缸ADVU-12-40-A-P-A
用途介绍:
FESTO气缸缸筒的内径大小代表了气缸输出力的大小。活塞要在缸筒内做平稳的往复滑动,缸筒内表面的表面粗糙度应达到Ra0.8um。对钢管缸筒,内表面还应镀硬铬,以减小摩擦阻力和磨损,并能防止锈蚀。缸筒材质除使用高碳钢管外,还是用高强度铝合金和黄铜。小型气缸有使用不锈钢管的。带磁性开关的气缸或在耐腐蚀环境中使用的气缸,缸筒应使用不锈钢、铝合金或黄铜等材质。FESTO气缸气缸活塞上采用组合密封圈实现双向密封,活塞与活塞杆用压铆链接,不用螺母。FESTO气缸端盖上设有进排气通口,有的还在端盖内设有缓冲机构。
耐腐蚀等级 CRC 2 - 中等耐腐蚀能力
环境温度 -20 °C ... 80 °C
端位的冲击能量 0.07 J
6 bar 时的理论力值,返回行程 51 N
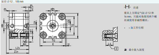
位置检测 通过接近开关
符号 00991217
派生型 一端活塞杆
工作压力 1.2 bar ... 10 bar
工作介质 压缩空气,符合 ISO 8573-1:2010 [7:4:4]
行程 40 mm
活塞直径 12 mm
缓冲 两端带弹性缓冲环/垫
安装位置 可选
工作模式 双作用
活塞杆端部 外螺纹
结构特点 缸径
工作和先导介质说明 可用润滑介质工作(之后须一直润滑介质工作)


VAF-PK-6 真空过滤器
DSBC-32-100-PPVA-N3
气缸活塞杆ADVU-63-60-A-P-A
减压阀LR-D-MINI
QSL-1/2-16 L 型快插式螺纹接头
VAF-DB-1/2 真空过滤器
ADVUL-20-20-P-A
QSRL-M5-6 FESTO 旋转气接头 货号:153530
FESTO DHPS-16-A-NC 夹爪
NPFC-L-2G1-F L 型接头
NPFC-L-R1-G1-MF L 型接头
NPFC-L-2R34-M L 型接头
T 形螺纹接头 NPFC-T-2G34-R34-FMF
NPFC-T-2G1-R1-FMF T 形螺纹接
气缸活塞杆ADVU-63-60-A-P-A
气缸密封ADVU-63-A-P-A FESTO ADVU/AEVU- 63-A-PA
相关应用FESTO气缸ADVU-12-40-A-P-A