进口SICK施克电感式接近开关的使用指导

类型:IQ80-60NUP-KK0的相关简介
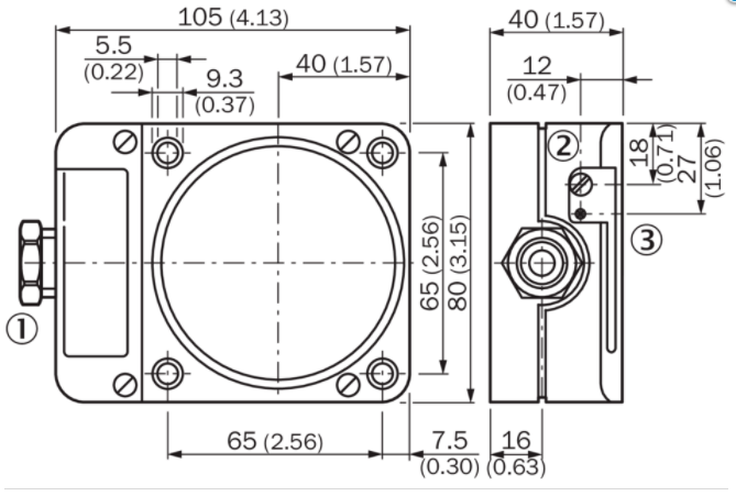
订货号:7902138的技术尺寸图

使用参数
产品特点
设计构造 方形
外壳形状 标准
尺寸(宽 x 高 x 深) 80 mm x 105 mm x 40 mm
触发感应距离 Sn 60 mm
安全接通距离 Sa 48.6 mm
安装在金属 非齐平
开关频率 4 Hz
连接类型 夹具式插头带有 M20 的螺纹
开关量输出 PNP / NPN
输出功能 常开或者常闭
开关功能 可编程的布线
电气规格 AC/DC 2 线
外壳防护等级 IP65 1)
1) 根据 EN 60529.
机械/电子参数
供电电压 20 V AC/DC ... 250 V AC/DC
电压下降 ≤ 6.5 V (AC)
滞后 1 % ... 15 %
再现性 ≤ 10 % 1) 2) 3)
温度漂移 (Sr) ± 10 %
电磁兼容性
根据 EN 55011标准,B 级
根据 EN 60947-5-2
持续性电流 Ia
≤ 350 mA 4)
≤ 250 mA 5)
≤ 100 mA 6)
剩余电流 ≤ 2.5 mA (AC 250 V)
*小负载电流 > 5 mA
短时耐受电流 2.2 A 7)
电缆压盖 夹具 M20 1.5
芯线横截面 ≤ 2.5 mm²
短路保险 – 8)
抗冲击与抗振性 30 g, 11 ms / 10 … 55 Hz, 1 mm
运行环境温度 –25 °C ... +80 °C
外壳材料 塑料, PPE
材料,感应面 塑料, PPE
防护等级 II
额定绝缘电压 Ui 250 V AC
使用类别
AC-140 9)
DC-13 10)
污染等级 3
额定冲击耐受电压 4 kV
进口SICK施克电感式接近开关的使用指导