宋兵兵
安科瑞电气股份有限公司,上海 嘉定
1项目介绍
本项目中共计一个变电所,进出线多功能仪表共计125台。综合考虑项目规模以及性质,为其设计一套电力监控系统,通过系统的搭建,完成变电所进出线重要回路的用能计量。
安科瑞电力监控系统正是针对以上趋势而研发的用户端电力监控系统。本系统通过对苏河湾1号街坊项目的变电所主要的进出线回路计量、存储、分析,以表格或图形的形式来显示整个配电体系用能以及运作状况,量化系统的运行状态,为管理者日常管理、维护,提供数据依据。
2 项目基本需求
前期经过现场勘察以及和业主方沟通后,基本的需求整理分析后分为以下几个方面:
1) 数据采集及处理:通过间隔层单元实时采集现场各种电力参数、电度抄表等;
2) 画面显示:设备各测量值的实时数据、各种告警信息、计算机监控系统的状态信息;
3) 记录功能:具有对各种历史数据的记忆功能,以供随时查询、回顾、打印。
4) 报警处理:用户可以按照自己的意愿分类、筛选报警,并将报警归纳于不同的报警窗口中;
5) 应具有完善的用户管理功能,避免越权操作;
6) 报表打印功能:可召唤打印、定时打印各种历史数据,运行参数,事故报告统计,电度量统计报表。
3设计方案
3.1参考标准
系统的设计满足以下所列制造和试验标准:
JGJ/T 16-2016 《民用建筑电气设计规范》
GB/T 50063-2017 《电力装置电测量仪表装置设计规范》
GB/T13730 《地区电网数据采集与监控系统通用技术条件》
GB2887 《计算站场地技术要求》
GB/50198-2011 《监控系统工程技术规范》
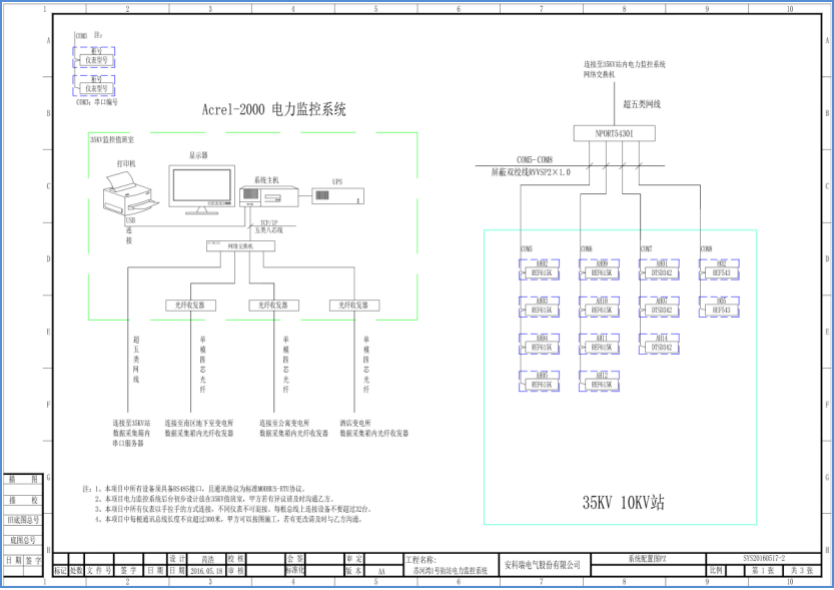
3.2 系统架构设计
鉴于苏河湾1号街坊项目电力监控系统的建筑规模、性质,以及后续项目的可连带发展的性质,安科瑞电气股份有限公司数据服务部根据用户的几点需求以及在相同性质工程中的经验,对该建筑的智能配电系统的搭建做以下设计:苏河湾1号街坊项目电力监控系统所有监控点位现已安装智能电力仪表,且均采用标准的Modbus-RTU协议。将现场安装的智能仪表通过屏蔽双绞线以手拉手式相连,数据总线直接铺设至数据采集设备。系统示意图1所示。

图1
图2

图3
4 系统功能
上位机软件采用安科瑞电力监控系统,通过软件进行设备配置、数据库变量配置、界面设计等,完成了在上位机软件监控及电能管理的功能。
4.1 功能特点
安科瑞电力监控系统采用全中文界面,操作简单方便;运行稳定可靠的特点。点击相应快捷按钮即可进入相应的系统功能模块;系统具有一次系统图显示,模拟图显示和网络结构图显示;系统具有人机界面友好,显示数据直观,方便用户查阅。
4.2 软件功能:
4.2.1 监测详图
监测详图反应了整个系统配电回路名称,相应的配电体系以及回路的主要电参量。通过实时数据的显示,直观反映本项目各个监测回路的运行数据,便于管理者实时了解系统运行状态。
4.2.2 电参量、电能报表
电参量报表是对用电力参数的管理以报表形式呈现,该报表可以实现系统运行期间的任意时间段内的任意节点的数据集抄功能,且可以Excel形式导出或打印。
电能报表是对用电量的管理以报表形式呈现,该报表可以实现系统运行期间的任意时间段内的月抄表,日抄表,小时抄表等功能,且可以Excel形式导出或打印。
4.2.4 通讯状态
通讯状态是对整个系统的仪表工作状态的图形显示,通过实施模块的颜色转换,实时了解这个体系的仪表在线,或者异常状态,管理者可以通过状态图实时了解项目的运作的具体状态,完成日常系统的维护。
5 结束语
用户侧配电体系的智能化,透明化,高效率等要求,促使市场为其提供相应的解决方案。当前主要是通过在用户侧的供配电系统即变电所的进出线节点安装智能仪表,利用计算机网络集成技术,为客户提供远程抄表、数据存储、数据处理等服务,帮助客户实时掌握建筑的用能状况,实现对业主用能管理的智能化管理。
苏河湾1号街坊项目中的电力监控系统是当前市场通用的智能配电监测系统。鉴于当前市场技术的发展以及后续管理者的管理需求,变电所内的电力参数已经不满足当前管理的趋势。变电所内的环境温度,门禁,浸水,烟感,视频等信息都是当下比较热门的课题。鉴于以上的发展趋势,安科瑞还可以提供变电所运维云平台。运维云平台不但实现以上数据的融合,还能提供运维管理,设备管理等线上维护模块。适应市场,满足客户需求,从实际管理角度解决运维团队的实际痛点。