1 概述
ADL400导轨式多功能电能表,是主要针对电力系统,工矿企业,公用设施的电能统计、管理需求而设计的一款智能仪表,产品具有精度高、体积小、安装方便等优点。集成电力参数测量及电能计量及考核管理,提供上48月的各类电能数据统计。具有2~31次分次谐波与谐波含量检测。带有RS485通信接口,可选用MODBUS-RTU或DL/T645协议。该电力仪表可广泛应用于各种控制系统,SCADA系统和能源管理系统中。产品符合企业标准Q31/C035-2017《导轨式安装电能表企业标准》的要求。
2 型号说明

3 功能列表
表1 功能说明列表

4 技术参数
表2 技术参数说明

5 外形尺寸

图1 直接接入

图2 经互感器接入
注:直接接入的接线力矩应该在3-4N·m,经互感器接入的接线力矩应该在1.5-2N·m。
6 接线与安装
6.1电压电流接线示意图

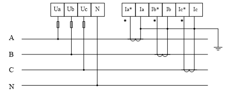
图3 三相四线经互感器接入

图4 三相四线直接接入(N或N’选接一个也可使用)

图5 三相三线经互感器接入

图6 三相三线直接接入(N或N’选接一个即可)
6.2 通讯、脉冲端子接线示意图

7 主要功能特点
7.1 测量功能
能测量全电力参数包括电压U、电流I、有功功率P、无功功率Q、视在功率S、功率因数PF、频率、31次分次谐波及谐波含量。其中电压U保留1位小数,频率F保留2位小数,电流I保留2位小数,功率P保留3位小数。
如:U = 220.1V,F = 49.98Hz, I = 1.99A,P = 0.439kW
7.2计量功能
能计量当前组合有功电能,正向有功电能,反向有功电能,正向无功电能,反向无功电能。
7.3分时功能
两套时段表,一年可以分为4个时区,每套时段表可设14个日时段,4个费率(F1、F2、F3、F4即尖峰平谷) 。分时计费的基本思想就是把电能作为一种商品,利用经济杠杆,用电高峰期电价高,低谷时电价低,以便削峰填谷,改善用电质量,提高综合经济效益。
7.4需量功能
有关需量的相关概念如下:
表3 需量概念表

缺省需量周期为15分钟,滑差时间为1分钟。
能测量4种*需量即正向有功、反向有功、感性无功、容性无功*需量以及*需量发生的时间。
7.5历史数据统计功能
能统计上48月的历史电能(各费率电能)和上90日的历史电能(各费率电能)。