安科瑞功率变送器在造纸磨浆机控制系统中的应用

发布时间:2022-01-20
周颖
安科瑞电气股份有限公司 无锡江阴   202201
摘要:造纸磨浆机控制系统中由PLC通过变频器控制磨浆机的磨刀进退位移量,功率变送器对磨浆机高压电机的功率信号进行采集,同时将功率信号以DC4-20mA模拟量信号传输至PLC,从而控制系统动态地调节磨浆机的刀距,构成稳定可靠的闭环系统。
关键词:功率变送器;磨浆机;PLC;变频器
0.概述
  双盘磨浆机作为国内造纸行业制浆线中使用*广泛的磨浆设备,因各纸种的*终品质评鉴不同,要求盘磨打浆度不同。磨片之间间隙的大小直接影响了盘磨打浆度,为保证盘磨在合适的磨片下能够打出合适的纸浆,需要有地控制系统。
  造纸磨浆机控制系统以PLC为核心,与功率变送器和变频器结合应用,对双盘磨浆机工艺实行过程控制,具有高稳定性与快速动态响应特性,既能实现打浆过程的平稳、控制,又能提高磨浆机的控制性能和自我保护能力,增强控制系统的可靠性和安全性。
1.控制过程与原理
  造纸磨浆机控制系统的体结构如图1,主要工艺动作过程如下:主机启动之前,首先启动液压泵电机,确认冲水清洗磨室后进纸浆,为系统正常工作提供浆压。接着,主机启动,快速进刀,由待机停刀位进刀到位置,再慢速进刀到正常工作状态位。根据具体的工作需要,先行断浆之后可以实现人工或自动退刀到停刀位,正常退刀之后,系统会给出是否冲水清洗的提示,确认冲水完毕,即可实现整机停车。当遇到特殊情况时,可以先紧急停车,安全退刀之后,再停止液压泵工作。
安科瑞功率变送器在造纸磨浆机控制系统中的应用
图1 造纸磨浆机控制系统
2.功率变送器在磨浆机的进退刀控制中的作用 
  造纸磨浆机的磨盘的实际工作间距非常小,要求在快速进刀之后,必须控制好进刀的速度,避免刀盘之间产生直接磨擦,损坏刀盘。进刀控制包括两个方面:快速进刀和慢速进刀。快速进刀是为了节省进刀时间提高效率,慢速进刀则是为了对进刀量进行准确控制,以满足刀盘之间对距离的严格要求。因此需要在纸浆浓度和流量稳定的基础上实现恒功率打浆控制。
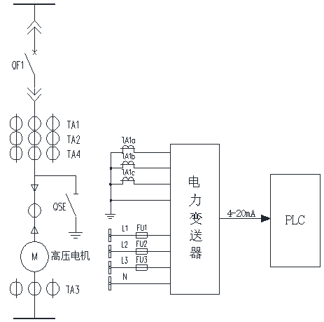
  磨浆机10kV高压系统电路图如图2所示。功率变送器通过装在磨浆机10kV高压电机线路中的电压互感器和电流互感器,采集电压和电流,从而检测磨浆机10kV高压电机的功率,功率变送器以4mA表示功率信号的零点,用20mA表示功率信号的满刻度,然后将功率信号以DC4-20mA成比例关系线性输出,传至PLC。PLC根据功率信号动态地调节磨浆机的刀距,控制进刀或退刀,从而实现恒功率打浆控制。
安科瑞功率变送器在造纸磨浆机控制系统中的应用
图2 磨浆机10kV高压系统电路图
3.BD系列电力变送器
3.1概述
  BD系列电力变送器是一种将电网中的电流、电压、频率、功率、功率因数等电参量,经隔离变送成线性的直流模拟信号或数字信号装置。产品符合GB/T13850-1998、IEC-688标准。
3.2通用技术条件
安科瑞功率变送器在造纸磨浆机控制系统中的应用

3.3 BD系列电力变送器特点
整个量程范围都有较高的线性度
输出带载能力强,信号传输距离可达几百米
可通过485通讯,将测量数据传输至后台
集成化程度高,结构简单,优良的温度特性和长期工作稳定性
4.结束语 
  装有安科瑞电力变送器的造纸磨浆机控制系统已经在某造纸厂正式投运,操作简单,不仅实现了打浆过程的平稳、控制,同时还解决了常规产品的劳动强度高、维护量大、指标不稳定、能耗高的一系列问题;并较好地达到保护设备、节能降耗的目的。


参考文献

[1] 企业微电网设计与应用手册.2020.6
[2] 周小莹.基于S7-200的*磨浆机控制系统设计[J].纸业,2007(8):63-66. 

[3] 徐萍.一种磨浆机控制系统:,2.2[P].2018-03-09.


作者简介:
周颖,女,本科  安科瑞电气股份有限公司,主要研究方向为智能电网供配电

上一篇:南京切削液 沛县汽油发动机油
下一篇:广东小区智能电瓶车充电站-安科瑞