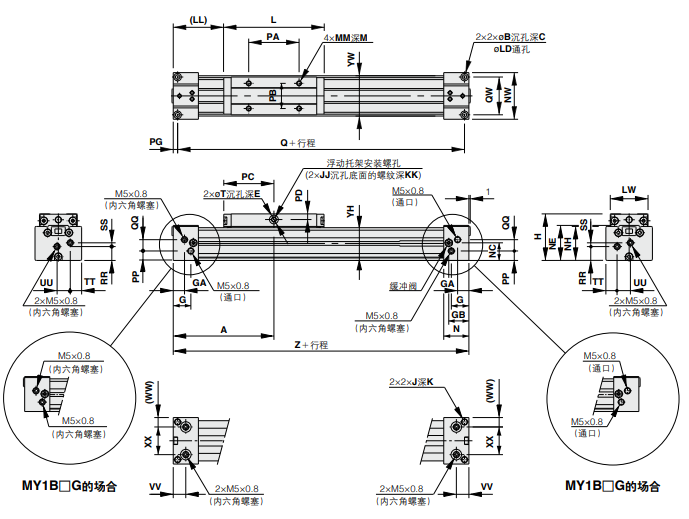
MY1B20G-170H SMC无杆气缸安装和操作
QGCW系列按结构大致分为三种:
基本型,QGCW-SD系列,不带导向结构,适合小型负载。
单杆型,QGCW-SA系列,单导杆结构,防旋转,适合轻型负载。
双杆型:QGCW-SB系列,双导杆结构,防旋转,适合中型负载。
为防止活塞在终点行程冲击过大,SA和SB系列的无杆气缸,建议选用缓冲器配件加以保护,延长产品使用寿命。
CY系列按结构大致分为三种:
基本型:CY1B,CY3B,不带导向结构
仿旋转型:CY1R带导向底板仿旋转
双杆型:CY1S和CY1L
但气缓冲并不是为了接近行程末端时,让活塞低速动作。气缓冲能吸收的负载
和速度范围必须在图中气缓冲界限范围之内。
〈带液压缓冲器的行程调整单元〉
用于在气缓冲能够吸收的负载和速度范围之上以及
由于行程调整已处于气缓冲行程范围之外而又必须缓冲的场合。
虽在气缓冲能够吸收的负载和速度范围内。但在气
缓冲行程之外而又必须缓冲的场合,以及过气缓
冲的允许界限,但在L单元能够吸收的负载和速度范围内,都应选L单元。
在L单元界限之上,但在H单元界限之下的负载和速度范围,可选H单元。
※关于通过调整螺钉进行行程调整,详见P.121。
垫缓冲吸收行程小,用A单元进行行程调整时,应设置外部缓冲装置。
用垫缓冲能吸收的负载和速度范围应在图中垫缓冲界限范围之内。
(除ø10外),在机械接合式无杆气缸上,气缓冲为
标准装备,具有较大动能的运动活塞,在行程末端
停止时,会对气缸造成冲击,气缓冲机构就是为防止这种冲击而设计的。


优势型号:
CQ2B20-25D
CDJB10-35AZ-B
SMC 增压阀40A-04GN
SMC 储气罐 T20A1-T-X104
VXP2382-14F-5G
RS2H-R50-X2464
ZK2A10K5ALA-06
SMC回压表 比例阀ITV1050-01F2N
3C-IFW510-06-00
VXF23AAG
PPA100-06
VND400D-25A
ASP630F-04-12S
EJ101H-030N
AL60-10-A
VND200D-15A
VND700D-50A
PFMV530-1
VFS3330-5DZ-03
ZPR40BS-06-A6
AC20-N02-A
LEFB32T-1200
VFR4210-5DZB-04
KCH04-01S
AC40-03D-A
AC30-03D-A
AC40-04D-A
AL60-10-A
2·3通机控阀 VM130-01-32RA
KQ2T06-00A
MY1B20G-170H SMC无杆气缸安装和操作