RT54-180L-6不锈钢电阻器
RT型系列电阻器主要用于起重机配用JZR2系列电动机作起动调整电阻之用.RT型系列电阻器与凸轮控制KT12系列、KT10系列、KT14系列、KT16系列、KTJ15系列配套使用。
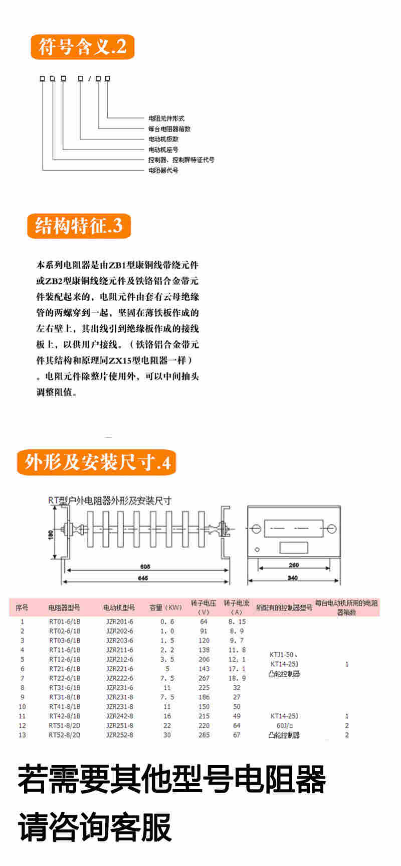
电阻F元件代号:
“B”-ZB1及ZB2—康铜板形电阻器元件;
J(Y)-ZJ(Y)-铁铬铝齿形(又称大 波浪电阻元件);
D-ZD1-铁铬铝小波浪电阻元件;
H-Z,-不锈钢网状形电阻器元件。
通电持续率TD%:
TD15%为“1”; TD25%为“2”; TD40%为“4”; TD60%为“6”
3,控制系统代号:
T-凸轮控制器控制(不对称电阻)
K-凸轮控制器控制(不对称电阻,转子一相开路起动)
Q-用PQR10型即PQD6402型升降控制箱(七段电阻六段切换)
S-用PQS单相制动型升降控制箱(五段电阻四段切换)
Sf-用PQS单相制动型升降控制箱(六段电阻五段切换)
Y-RQY型PQR9型即PQD6401型平移控制箱
Z-PQZ型抓斗控制箱(四段电阻三段切换)
Ze-PQZ型抓斗控制箱(五段电阻四段切换)
F-QR2S二级反接制动升降控制箱
RT54-112M-6/1B(配YZR112M-6)起动调整电阻器
RT54-132M1-6/1B(配YZR132M1-6)起动调整电阻器
RT54-132M2-6/1B(配YZR132M2-6)起动调整电阻器
RT54-132M2-4/1B(配YZR132M2-4)起动调整电阻器
RT54-160M1-6/1B(配YZR160M1-6)起动调整电阻器
RT54-160M2-6/1B(配YZR160M2-6)起动调整电阻器
RT54-160L-6/1B(配YZR160L-6)起动调整电阻器
RT54-160L-6/2B(配YZR160L-6)起动调整电阻器
RT54-180L-6/3(配YZR180L-6)起动调整电阻器
RT54-200L-6/3(配YZR200L-6)起动调整电阻器
RT54-225M-6/3(配YZR225M-6)起动调整电阻器
RT54-160L-8/1B(配YZR160L-8)起动调整电阻器
RT54-180L-8/2(配YZR180L-8)起动调整电阻器
RT54-200L-8/2(配YZR200L-8)起动调整电阻器
RT54-225M-8/3(配YZR225M-8)起动调整电阻器
RT54-250M1-8/4(配YZR250M1-8)起动调整电阻器





