UQX-2浮球液位控制器

产品详细说明
三点式电缆浮球开关又称为多点控制浮球液位开关及悬挂式浮球液位开关,在工业及民用的给排水工程中,需要控制容器或各种水池中的多个液位点,为了安装方便和工程施工配线成本低廉,所有的开关出线设计在同一接线盒内即组合电缆浮球开关,组合型电缆浮球开关接线个采用防爆接线盒,每套标准配置有:接线盒,法兰,悬索,重锤,浮球(含电缆),及安装夹具等。
结构原理:
多点式电缆浮球开关,采用磁性开关电缆浮球组合(浮球为圆形,椭圆和长圆形)多点共用一个重锤,依靠悬索固定浮球位置,高温型采用不锈钢外壳和高温线缆,水银开关接点.
外部没有可动机构,不会产生被漂浮物卡死的故障。
现场悬吊式安装,特别适合地下水池使用。
动作范围,可在现场自由整定。
采用微动开关使用寿命长,价格低廉。
与液体接触的零部件材质均为塑料,具有良好的腐蚀性。
对水质无要求,适合小区高楼用户水池及污水处理。
动作范围大,现场安装调整方便!
主要技术指标
规格见下表
型号 | 开关数量 | 构成 | 适合场合 |
UQK-611/UQX-1 | 单点 | 浮球组件(电缆长5m)悬索φ5长6m、重锤、支持具 | 漂浮物极少的污水 |
UQK-612/UQX-2 UQK-613/UQX-3 UQK-614/UQX-4 | 双点 三点 四点 | 浮球组件每点一只,加附件 | 漂浮物较多的工业污水及生活污水 |
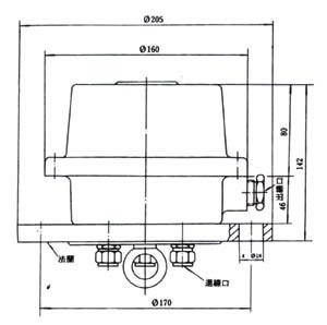
外形尺寸:浮球ψ88×172、接线盒 大外径ψ205、高142、安装法兰尺寸:螺栓孔中心圆直径ψ170,4孔-ψ18、法兰外径ψ205
输出信号:微动开关单刀双掷触点输出/A1/2HP250VAC
触点寿命:5×104
介质温度:-10℃~+55℃IE级控制器为为-10℃~+80℃
调节范围:0.3米~4米(6米、13米、20米、为IE级特规)
主要部件材质:浮球:ABS塑料;悬索:尼龙绳导线;三芯像套软电缆(耐油丁苯橡胶)抗震要求(IE级控制器):能承受秦山二期核电站抗震试验反应谱。
放射性(IE级控制器):2×10000GY
附件
导线ψ8×10M(每点)、悬索ψ5×6M、夹持具一个(每点)
型号 | FQS-1 | FQS-2 | FQS-3 | FQS-4 | FQS-5 | |
输出信号 | 一点式 (一常开) | 二点式 (一常开、一常闭) | 一点式 (一常开) | 二点式 (一常开、一常闭) | 二点式 (一常闭) | |
电压及容量 | AC、DC24V 0.3A | AC、DC24V 0.3A | AC、DC220V 1A | AC、DC220V 1A | AC、DC220V 1A | |
寿命(次) | 107 | 107 | 5×104 | 5×104 | 5×104 | |
外形尺寸 | φ88×172 | φ88×172 | φ88×172 | φ88×172 | φ88×172 | |
重量 | 465g | 493g | 470g | 497g | 470g | |
调节范围 | 0.3M~5M | 0.3M~5M | 0.3M~5M | 0.3M~5M | 0.3M~5M | |
使用环境 | 0℃~+60℃ | 0℃~+60℃ | 0℃~+60℃ | 0℃~+60℃ | 0℃~+60℃ | |
□附件 |
导线ψ8×10M(每点) 、悬索ψ5×6M 、重锤一只 、夹持具一个(每点) |

