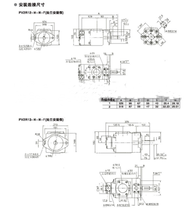
PV2R12定量双联叶片泵

发布时间:2022-03-22

PV2R12定量双联叶片泵

PV2R12定量双联叶片泵PV2R12定量双联叶片泵

上一篇:阿拉善西门子代理商
下一篇:石柱县流量计校准计量校正中心