上海双旭电子有限公司
试用会员
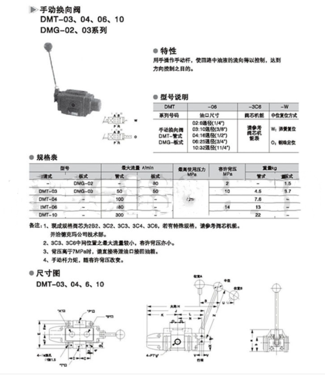
DMG-03手动换向阀
发布时间:2022-03-28
DMG-03手动换向阀
上一篇:
A7V20DR1LPFMO锻压机...
下一篇:
青海省德国GMC-I柔性电流探头...