PNS-I两级跑偏开关使用说明书

发布时间:2017-08-04

PNS-I两级跑偏开关使用说明书

适用范围:

两级跑偏开关用于输送机胶带跑偏的检测,防止由于胶带跑偏而造成物料溢出等故障。本机广泛应用于煤矿、电力及化工等行业的运输系统中。

工作原理:

当运行中的胶带发生跑偏现象时,胶带边缘带动立棍旋转并挤压使之倾斜,若立棍倾斜角度大于一级动作角度时,开关发出一组开关信号,如立棍继续倾斜大于二级动作角度时则输出另一组开关信号。两组开关信号可分别用于告警或停机,胶带机复位正常运行后,立棍自动复位。

厂家:

 

规格参数:

型号

HFKPT1-20-35

开关触点容量

AC380V

触点数量

二常开二常闭

外壳护等级

IP54

隔爆等级

ExdI

动作角度

12-30°

极限角度

70°

复位方式

手动复位

可 靠 性

106

产品特点

1、采用特殊防尘材料精密压铸壳体,强度高、重量轻

2、外壳防水,可在恶劣的环境中长期工作。

3、机内采用进口的行程开关,触点容量大、动作灵敏,可靠。

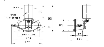
外形尺寸说明:

 

安装用:

1)开关平衡地安装在机架固定支架上,然后焊接在胶带机架上;

2)将立棍轴线与胶带片面相垂直,立棍与胶带边缘距离为50mm-100mm;

3)胶带位于立棍下端1/3处;

4)每50m胶带至少需要安装一对跑偏开关。

公司名称:山东振鸿防爆电器设备有限公司

厂家:

采购联系方式

联系人:宋诗敏

手机号码:

座机:

传真:

QQ号:3052262612  

 

 

上一篇:回收TektronixTDS30...
下一篇:韩国PS140 S,PS380S...